阿摩線上測驗
登入
首頁
>
電子元件拆銲
> 113年 - 電子元件拆銲學科300題 1-50#123532
113年 - 電子元件拆銲學科300題 1-50#123532
科目:
電子元件拆銲 |
年份:
113年 |
選擇題數:
50 |
申論題數:
0
試卷資訊
所屬科目:
電子元件拆銲
選擇題 (50)
1 如下圖
為何種元件之符號? (A) 發光二極體 (B) 光電晶體 (C) 光耦合器 (D) 雷射二極體。
2 下圖 IC 符號第一支接腳位置在
(A) A 腳 (B) B 腳 (C) C 腳 (D) D 腳。
3 下圖元件符號為
(A) N 通道 JFET (B) P 通道 DE-MOSFET (C) N 通道 E-MOSFET (D) PNP 電晶體。
4 下圖電子電路符號為
(A) 電壓源 (B) 電流源 (C) 伏特計 (D) 安培計。
5 下圖符號為
(A) 電燈 (B) 電話端子盤 (C) 電力分電盤 (D) 電燈總配電盤。
6 下圖所示之 C L K 端的三角符號表示?
(A) 邊緣觸發 (B) 重設控制 (C) 延遲輸入 (D) 單向導通。
7 下圖所示之符號為?
(A) 紅色指示燈 (B) 白色指示燈 (C) 黃色指示燈 (D) 綠色指示燈。
8 可交、直流兩用的電表,其面板上的符號為?(A)
(B)
(C)
(D)
。
9 下圖為何種之電路符號?
(A) 傳輸閘 (B) 緩衝器 (C) 放大器 (D) 非反相器。
10 下列圖示哪一個是 PNP 電晶體?(A)
(B)
(C)
(D)
。
11 如下圖符號中,若輸入均為”1”,試問輸出為
(A) 0 (B) 1 (C) 不確定 (D) 高阻抗。
12 如圖為發光二極體(LED)之符號,其順向切入電壓約為 1~2V,所以如要使 LED 發光,則直流電壓
(A) A 端加正電壓、B 端加負電壓 (B) A 端加負電壓、B 端加正電壓 (C) 只要加上直流電壓即可發光(D) 足 夠的電流即可。
13 如下圖,為何種元件之符號?
(A) 發光二極體 (B) 光二極體 (C) 紅外線二極體 (D) 雷射二極體。
14 如下圖所示的電晶體為何種電晶體?
(A) 單載子電晶體 (B) 光電晶體 (C) 功率電晶體 (D) 穩壓電晶體。
15 下圖電路符號為何種邏輯閘?
(A) 反或(NOR)閘 (B) 或(OR)閘 (C) 互斥或(XOR)閘 (D) 反互斥或(XNOR)閘。
16 請問下列電路符號為何種邏輯閘?
(A) 高電位動作的三態閘 (B) 互補式輸出的緩衝器(buffer) (C) 反(NOT)閘 (D) 低電位動作的三態閘。
17 請問下列電路符號為何種邏輯閘?
(A) 高電位動作的三態閘 (B) 互補式輸出的緩衝器(buffer) (C) 反(NOT)閘 (D) 低電位動作的三態閘。
18 下圖是什麼正反器?
(A) 無預置/清除的負緣觸發 D 型正反器 (B) 有預置/清除的負緣觸發 D 型正反器 (C) 有預置/清除的正緣觸 發 D 型正反器 (D) 無預置/清除的正緣觸發 D 型正反器。
19 下列符號為哪一種類的排阻?
(A) A type (B) B type (C) C type (D) D type 。
20 下列符號為哪一種類的排阻?
(A) A type (B) B type (C) C type (D) D type 。
21 下列符號為哪一種類的排阻?
(A) A type (B) B type (C) C type (D) D type 。
22 下列符號是哪一種零件的符號?
(A) 共陰極七段顯示器 (B) 共陽極七段顯示器 (C) 蕭特基二極體 (D) 稽納二極體。
23 下列符號是哪一種零件的符號?
(A) 共陰極七段顯示器 (B) 共陽極七段顯示器 (C) 蕭特基二極體 (D) 稽納二極體。
24 下圖符號為?
(A) 直流電壓源 (B) 交流電壓源 (C) 保險絲 (D) 指撥開關。
25 下圖符號為?
(A) 直流電壓源 (B) 交流電壓源 (C) 保險絲 (D) 指撥開關。
26 下列何者為電解電容?(A)
(B)
(C)
(D)
。
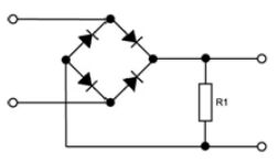
27 下圖為哪一種電路?
(A) 稽納整流 (B) 橋式整流 (C) 濾波整流 (D) 半波整流。
28 下圖為哪一種電路?
(A) 稽納整流 (B) 橋式整流 (C) 濾波整流 (D) 半波整流。
29 代表何種邏輯閘?
(A) 及(AND)閘 (B) 反(NOT)閘 (C) 或(OR)閘 (D) 互斥或(XOR)閘。
30 下列那一個邏輯閘具有史密特電路? (A) (B) (C) (D) 。
31 高阻計 (Megger Meter) 是用來量測?(A) 接地電阻 (B) 絕緣電阻 (C) 電解液電阻 (D) 導線電阻。
32 三用電表面板上有一鏡面是為了避免(A) 儀器誤差 (B) 系統誤差 (C) 視覺誤差 (D) 殘餘誤差。
33 電表中的游絲(彈簧)主要作用是(A) 增加靈敏度 (B) 增加指針轉矩 (C) 作為指針的反向轉矩 (D) 減低溫度 的影響。
34 使用電容器時應注意(A) 耐電壓值 (B) 瓦特數 (C) 線性 (D) 體積。
35 關於邏輯測試棒,下列敘述何者錯誤?(A) 可測 High 電位 (B) 可測 Low 電位 (C) 可測Pulse (D) 可測電 壓大小。
36 三用電表中,採用非線性刻度是當量測(A) 電阻 (B) 直流電流 (C) 交流電壓 (D) 直流電壓。
37 三用電表的直流電壓檔,其實際值所測得的電壓為?(A) 平均值 (B) 有效值 (C) 峰值 (D) 峰對峰值。
38 下列何者不是手工具的選擇與使用原則?(A) 選擇適合工作所需的標準工具 (B) 選用正確的方法使用工具 (C) 工具應保持定期保養使用 (D) 選用價格低廉為主,而不需考慮其材質。
39 欲使用電源供應器產生雙電源(±5V)輸出供應系統電路,正確的作法為下列何者?(A) 兩組各自獨立電源 調整輸出 (B) 串聯同步調整輸出 (C) 並聯同步調整輸出 (D) 重複固定 5V 電源供應兩次。
40 檢測數位邏輯電路最簡易的工具為?(A) 示波器 (B) 邏輯分析儀 (C) 三用電錶 (D) 邏輯探棒。
41 可用來判別 380V 以下的交流電壓的工具是?(A) 尖嘴鉗 (B) 斜口鉗 (C) IC 拔插器 (D) 驗電起子。
42 下列哪一種儀器可以用來測量邏輯狀態的變化?(A) 計數器 (B) 訊號產生器 (C) Q表 (D) 邏輯探棒。
43 欲測量電路上匯流排是否正常傳送,應使用何種儀器?(A) 三用電表 (B) 訊號產生器 (C) 頻譜分析儀 (D) 邏輯分析儀。
44 數位 IC 測試器無法測試下列何種 IC (A) 74LS32 (B) 7447 (C) NE555 (D) 4017。
45 測量導線線徑應使用(A) 皮尺 (B) 卡鉗 (C) 鋼尺 (D) 線規。
46 下列何者為觀察振盪訊號之儀器(A) 訊號產生器 (B) 示波器 (C) 振盪器 (D) 三用電表。
47 示波器面板上有一訊號端子,CAL 0.5V p-p,係為(A) 校準訊號輸入 (B) 接地用 (C) 校準訊號輸出 (D) 微 調端子。
48 示波器水平基準線傾斜時,應使用起子調整(A) 垂直掃描時間 (B) 水平掃描時間 (C) 焦距(focus)鈕(D) 旋轉 (Rotation)鈕。
49 訊號產生器(Singnal Generator),其 SYNC 端子是用來輸入何種訊號?(A) 垂直訊號 (B) 水平訊號 (C) 同步 觸發訊號 (D) 彩色同步訊號。
50 示波器中陰極射線管(C.R.T),其垂直偏向控制用來控制電子束之上下位置,主要是用來接至(A) 鋸齒波產生 器電路 (B) 待測訊號 (C) 垂直訊號產生器電路 (D) 高壓正電。
申論題 (0)
相關試卷
113年 - 電子元件拆銲學科300題 251-300#123549
113年 · #123549
113年 - 電子元件拆銲學科300題 201-250#123541
113年 · #123541
113年 - 電子元件拆銲學科300題 151-200#123538
113年 · #123538
113年 - 電子元件拆銲學科300題 101-150#123537
113年 · #123537
113年 - 電子元件拆銲學科300題 51-100#123536
113年 · #123536