所屬科目:技檢◆機電整合-乙級
1.對於勞動部公告列入應實施型式驗證之機械、設備或器具,下列何種情形不得免驗證?(A)輸入僅供科技研發之專用機(B)輸入僅供收藏使用之限量品(C)依其他法律規定實施驗證者(D)供國防軍事用途使用者。
2.下列各氣壓迴路圖,何者可得左圖之訊號時間圖?(A)(B)(C)(D)。
3.下列何者不是主管機關設置水質監測站採樣的項目?(A)水溫(B)溶氧量(C)顏色(D)氫離子濃度指數。
4.小吳是公司的專用司機,為了能夠隨時用車,經過公司同意,每晚都將公司的車開回家,然而,他發現反正每天上班路線,都要經過女兒學校,就順便載女兒上學,請問可以嗎?(A)可以,要資源須有效使用(B)不可以,這是公司的車不能私用(C)可以,反正順路(D)可以,只要不被公司發現即可。
5.水費的計量單位是「度」,你知道一度水的容量大約有多少?(A)3000個600cc的寶特瓶(B)1立方公尺的水量(C)3立方公尺的水量(D)2,000公升。
6.矽控整流器係由PNPN矽質半導體材料所構成,其簡稱及端子數為(A)SSR,三端子(B)SCR,二端子(C)SSR,二端子(D)SCR,三端子。
7.如下圖所示ALT(Alternate)為交換指令,當多次輸入信號X0ON-OFF時,則Y0之內容為(A)單次ON雙次OFF(B)常時OFF(C)瞬時ON(D)常時ON。
8.下列何者不是一般視覺系統常見的用途?(A)零件識別時,對內部材質的分析(B)零件識別時,對色彩的辨識(C)零件運動速度或方向之判定(D)零件尺寸之檢測。
9.一位職場新鮮人剛進公司時,良好的工作態度是(A)多觀察、多學習,了解企業文化和價值觀(B)多打聽哪一個部門比較輕鬆,升遷機會較多(C)多探聽哪一個公司在找人,隨時準備跳槽走人(D)多遊走各部門認識同事,建立自己的小圈圈。
10.關於量具之使用,下列敘述何者不正確?(A)塊規可用於校驗游標卡尺及分厘卡(B)分厘卡無法量測工件之二維輪廓尺寸(C)游標高度規無法加裝量錶作平行度量測(D)塊規之平面度校驗,可以光學平鏡配合單色光照射加以實現。
11.違反環境保護法律或自治條例之行政法上義務,經處分機關處停工、停業處分或處新臺幣五千元以上罰鍰者,應接受下列何種講習?(A)道路交通安全講習(B)環境講習(C)消防講習(D)衛生講習。
12.有一單桿雙動氣壓缸在摩擦係數為0.2的水平面移動80kgf的物體,移動的距離為200mm,移動時間為1秒,1分鐘做20次循環,工作壓力為6kgf/cm2。若以30%與70%的移動時間做等加速度與等速度(如下圖所示),則等加速度為(A)111.1(B)78.4(C)22.2(D)23.5cm/sec2。
13.有一線性附緩衝的驅動單元。當至端點停止位置需經常改變更換時,要停止位置準確(A)調整好氣壓缸行程後,變更位置即可準確(B)應正確調整好行程調整桿長度,再讓行程調整桿碰觸固定支撐板停止(C)適度加大或縮小氣壓缸供氣量,使緩衝器被壓縮量跟著改變(D)應正確調整好緩衝器螺絲擋塊位置,再讓緩衝器碰觸後停止以符合需求。
14.油壓馬達每轉容量50cc/rev、轉速:800rpm、壓降:120kgf/cm2、馬達的機械效率=0.92、容積效率=0.95,實際輸入馬達流量Q約(A)45.8(B)40.0(C)43.5(D)42.1LPM。
15.上班性質的商辦大樓為了降低尖峰時段用電,下列何者是錯的?(A)白天有陽光照明,所以白天可以將照明設備全關掉(B)汰換老舊電梯馬達並使用變頻控制(C)使用儲冰式空調系統減少白天空調用電需求(D)電梯設定隔層停止控制,減少頻繁啟動。
16.蓄壓器功用何者錯誤?(A)可做為系統緊急用油之需(B)可減少系統的油脈動(C)可提高油壓缸的活塞速度(D)可提高油壓缸的出力。
17.電動機銘牌上所註明之電流係指(A)滿載電流(B)半載電流(C)超載電流(D)無載電流。
18.一皮帶輪系統驅動之輪系,主動輪之輪徑為20㎝、從動輪之輪徑為50㎝,若主動輪轉速N1=1000rpm、無滑動、轉矩T1=10N-m、傳動效率=95%,則從動輪轉矩T2=(A)4(B)25(C)23.75(D)3.8N-m。
19.下列何者不是設置反貪腐專責機構須具備的必要條件?(A)提供該機構必要的資源、專職工作人員及必要培訓(B)賦予該機構必要的獨立性(C)賦予該機構的工作人員有權力可隨時逮捕貪污嫌疑人(D)使該機構的工作人員行使職權不會受到不當干預。
20.引導式止回閥未加引導壓力時(A)逆向不可通(B)雙向均可通(C)順向不可通(D)逆向可通。
21.有關油泵之容積效率,下列敘述何者正確?(A)油泵使用時間愈長,容積效率愈高(B)油溫愈高,容積效率愈高(C)相同油泵吐出量愈大,容積效率愈高(D)系統壓力愈高,容積效率愈高。
22.工程圖學中,尺寸數字前加t表示(A)頂點(B)板厚(C)間隙(D)斜度。
23.有一曲柄與滑塊機構,其曲柄迴轉半徑50mm,則滑塊移動最大行程為(A)100(B)150(C)50(D)200mm。
24.電位計是一種將何種現象轉換為電氣訊號輸出的裝置?(A)磁場變化(B)位置改變(C)溫度高低(D)光度強弱。
25.氣壓缸推動平台通常需用下列何種傳動來保持作動順暢,並避免承受側向力?(A)連桿機構(B)聯軸器(C)齒輪機構(D)滑動導軌。
26.可消除穩態誤差之控制器為(A)微分控制器(B)比例控制器(C)比例微分控制器(D)積分控制器。
27.三角形之複斜面投影於三視圖中可得(A)兩個三角形面、兩條線(B)三個三角形面(C)一個三角形面、兩條線(D)兩個三角形面、一條線。
28.一支氣壓缸上標註有FAψ50×20×200之記號,下列敘述何者正確?(A)後法蘭(flange)方式安裝(B)行程為20mm(C)氣壓缸徑為50mm(D)活塞桿徑為200mm。
29.兩個16位元暫存器相乘,結果為(A)256位元暫存器(B)64位元暫存器(C)32位元暫存器(D)16位元暫存器。
30.如下圖有一步進馬達驅動之導螺桿(導程為10mm)式工作平台,其中馬達輸出軸與導螺桿間配有一減速齒輪組。如工作平台之位移解析度為0.002mm,步進馬達之步進角度為1.8度,則此減速齒輪組之減速比應為(A)1/25(B)1/12.5(C)1/9(D)1/6。
31.一定馬力之馬達其輸出轉矩與轉速成何種關係?(A)正比(B)立方比(C)反比(D)平方比。
32.在選用電磁閥做為控制氣壓缸運動的敘述,何者為誤?(A)使用間接作動型電磁閥應注意引導壓力的供給(B)電磁閥流量大小與氣壓缸速度無關(C)電磁閥與氣壓缸之安裝越近越好(D)電磁閥的線圈規格不影響氣壓的出力大小。
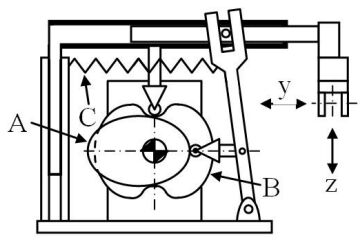
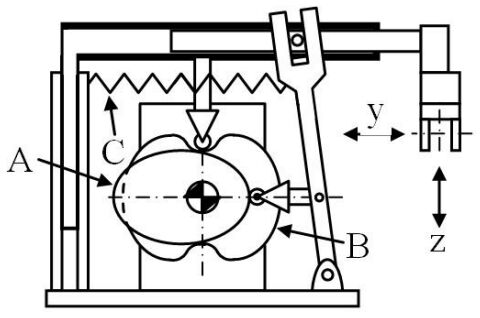
33.如圖為一機構,以夾爪的爪指為中心點來看,可得到y與z方向的運動,由圖示凸輪控制單元有幾個凸輪?(A)4(B)2(C)1(D)3。
34.一馬達帶動前端齒型皮帶輪做圓周運動,皮帶輪半徑10cm,切線力量2kgf,則馬達扭力(A)200(B)20(C)0.2(D)2kg-m。
35.有一水平旋轉式氣壓機械手臂之擺動缸須有中間定位,若致動器至控制閥間無任何閥件,應使用下列何種閥件控制較為適當及安全?(A)中位加壓型5/3(B)中位閉氣型5/3(C)中位排氣型5/3(D)中位加壓型5/2閥。
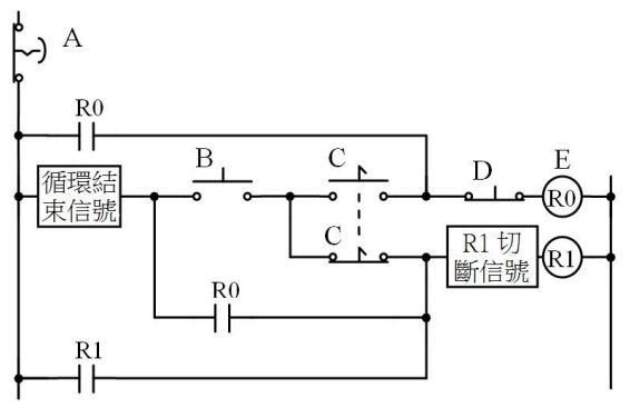
36.如下圖電氣控制迴路,元件B作為系統(A)停止運轉(B)單一或連續不同模式選擇(C)啟動運轉(D)緊急停止之功能操作用。
37.下列工作場所何者非屬法定危險性工作場所?(A)從事石油裂解之石化工業之工作場所(B)金屬表面處理(C)農藥製造(D)火藥類製造。
38.如下圖為氣壓缸垂直向下驅動負載,以(A)FB:後法蘭型(B)FA:前法蘭型(C)FC:前法蘭加強型(D)FD:後法蘭加強型之安裝方式最符合機械安全又簡單的目的。
39.左圖之轉換是應用布林代數之(A)結合律(B)分配律(C)交換律(D)狄摩根定律。
40.利用三用電表測量正在轉動的馬達驅動電流安培數時,切至電流檔,紅黑探針應與馬達之電線(A)串聯並聯均可(B)並聯(C)視交流或直流馬達而定(D)串聯。
41.受雇者因承辦業務而知悉營業秘密,在離職後對於該營業秘密的處理方式,下列敘述何者正確?(A)僅能自用而不得販售獲取利益(B)聘雇關係解除後便不再負有保障營業秘密之責(C)離職後仍不得洩漏該營業秘密(D)自離職日起3年後便不再負有保障營業秘密之責。
42.水污染防治法中所稱地面水體不包括下列何者?(A)海洋(B)河川(C)灌溉渠道(D)地下水。
43.蓮蓬頭出水量過大時,下列對策何者「無法」達到省水?(A)換裝有省水標章的低流量(5~10L/min)蓮蓬頭(B)洗澡時間盡量縮短,塗抹肥皂時要把蓮蓬頭關起來(C)淋浴時水量開大,無需改變使用方法(D)調整熱水器水量到適中位置。
44.一支單桿雙動氣壓缸以垂直方向拉起20kgf之重物,其負荷率η=70%、使用壓力P=6kgf/cm2、d(桿徑)=1/3D(缸徑)計,宜選用缸徑(A)ψ25(B)ψ50(C)ψ32(D)ψ40之氣壓缸。
45.下列何者非屬職業安全衛生法規定之勞工法定義務?(A)實施自動檢查(B)參加安全衛生教育訓練(C)遵守安全衛生工作守則(D)定期接受健康檢查。
46.下列那種機構可做雙向變換特性但具有反向死點問題?(A)蝸輪減速模組(B)曲柄與直線滑台(C)日內瓦機構(D)索引迴轉分度機構。
47.有一單軸螺桿滑台用AC伺服馬達驅動,使滑台做往復之直線運動,螺桿導程為10㎜,實體減速機構比(i)為2,伺服馬達之分解能為131072pulse/rev,伺服馬達最高轉速限為3200rpm,滑台控制解析度(R)1μm,若控制條件(1)滑台移動距離(S)為120mm(2)滑台移動時間(ts)為2.55秒(3)滑台加速及停止減速時間各為0.15sec,速度-時間如圖所示,則滑台速度Vc應為多少mm/s(A)47(B)60(C)40(D)50。
48.可程式控制器指令中k2X10,表示輸入接點範圍為(A)X10~X11(B)X10~X19(C)X10~X17(D)X10~X12。
49.自動化機械之動作時序(流程)圖一般是依(A)操作者喜好(B)程式編寫難易(C)機械動作程序(D)維修難易而訂。
50.下列何種方式沒有辦法降低洗衣機之使用水量,所以不建議採用?(A)兩、三件衣服也丟洗衣機洗(B)選擇快洗行程(C)使用低水位清洗(D)選擇有自動調節水量的洗衣機。
51.職場內部常見之身體或精神不法侵害不包含下列何者?(A)過度介入勞工私人事宜(B)脅迫、名譽損毀、侮辱、嚴重辱罵勞工(C)強求勞工執行業務上明顯不必要或不可能之工作(D)使勞工執行與能力、經驗相符的工作。
52.兩軸中心線不在同一直線上,或允許兩軸有少量的平行失準、角度失準及端隙(軸向移動),可防止扭歪與震動產生,最適合使用之聯絡器為(A)硬性聯結器(B)剛性聯結器(C)撓性聯結器(D)流體聯結器。
53.下列元件何者常做為控制器之訊號輸出用?(A)電感器(B)二極體(C)電晶體(D)電容器。
54.下列何種不是工業控制器之間或與電腦的通訊之連接結構方式?(A)匯流排(B)階層式(C)可程式(D)星狀型網路。
55.開發單位申請變更環境影響說明書、評估書內容或審查結論,符合下列哪一情形,得檢附變更內容對照表辦理?(A)環境監測計畫變更(B)既有設備提昇產能而污染總量增加在百分之十以下(C)開發行為規模增加未超過百分之五(D)降低環境保護設施處理等級或效率。
56.如下圖為一輪葉送料器。每一工件均可跨入葉片2,當輪葉由馬達帶動,工件便會從出料導軌送出。本裝置除了送料外還有(A)旋轉(B)定位(C)分揀(D)整列的功能。
57.重要機件鎖緊時需有適當的緊度,宜使用(A)扭矩扳手(B)固定扳手(C)管鉗扳手(D)活動扳手。
58.節流閥在機械上安裝時,應注意(A)閥門的方向(B)周遭溫度(C)空氣壓力(D)工作方便。
59.一理想的電壓源,其內阻應為(A)趨近零(B)無窮大(C)與負載大小成反比(D)隨負載而定。
60.量測機件的(A)水平度(B)鉛垂度(C)真直度(D)真圓度,不是使用水平儀的時機。複選題:
61.伺服馬達驅動之平台定位控制通常會加裝之感測器為(A)減速機(B)旋轉編碼器(C)光學尺(D)加速器。
62.有關ON-DelayTimer的特性敘述,下列敘述哪些錯誤?(A)a接點在線圈通電時瞬時閉合,線圈斷電時瞬時打開(B)a接點在線圈通電時延時閉合,線圈斷電時延時打開(C)a接點在線圈通電時延時閉合,線圈斷電時瞬時打開(D)a接點在線圈通電時瞬時閉合,線圈斷電時延時打開。
63.如下圖所示,有一步進馬達驅動一組定位工作平台,此步進馬達之全步進角度為θ,馬達輸出軸配有一減速比6:1之減速齒輪組,齒輪組之輸出軸接至導螺桿。若步進馬達驅動脈波頻率f=4kpps(Hz),導螺桿每轉動10圈,滑台移動60mm,此滑台定位之解析度R=1.0μm,下列敘述哪些正確?(A)步進角度θ=0.72°(B)滑台之速度V=27cm/min(C)步進角度θ=0.36°(D)滑台之速度V=24cm/min。
64.如圖有一組60Hz轉差率2.5%之馬達驅動銑床銑削傳動機構,則工作床台往右邊移動,則(A)馬達轉速1170rpm(B)平台速度0.975mm/sec(C)平台速度0.925mm/sec(D)馬達轉速1200rpm。
65.有關導螺桿機構,下列敘述哪些正確?(A)減速機與工作平台之速度無關(B)減速機與工作平台之位移解析度有關(C)減速機的背隙越小時,表示減速機的機械精度愈高(D)導螺桿之導程與工作平台之位移解析度有關。
66.在已知工作電壓的情況下,若要量測或計算馬達消耗功率時可使用以下哪些量表?(A)電壓錶(B)電流錶(C)功率計(D)阻抗計。
67.下列氣壓元件可在正負壓下操作且功能正常的為(A)(B)(C)(D)。
68.下列敘述哪些正確?(A)熱縮套管之正確使用方式為以電烙鐵加熱為宜(B)尖嘴鉗適用於電子元件的夾持及接腳的彎折等功用(C)銲接電解電容器時需考慮極性(D)使用斜口鉗剪線時,線頭應朝下,以免線頭剪斷時,因線頭反彈而傷及本身或鄰座的眼睛。
69.機電整合機台之電動機因過載而使積熱電驛跳脫,如欲重新啟動,下列哪些不是正確處置方法?(A)將積熱電驛復歸即可(B)檢討過載原因並排除後,將積熱電驛復歸,再按下ON按鈕(C)重新再按ON按鈕即可(D)先將積熱電驛復歸後,再按ON按鈕。
70.如下圖所示,各閥件之名稱敘述哪些正確?(A)A為緊急停止鈕(B)C為停止鈕(C)E為連續循環保持閥(D)B為啟動鈕。
71.如下圖所示,有一雙凸輪機構,以夾爪為中心點來看,下列敘述哪些正確?(A)垂直方向z是以凸輪B驅動(B)夾爪的運動路徑為L字型(C)垂直方向z是以凸輪A驅動(D)夾爪的運動路徑為ㄇ字型。
72.若發現機台維修後有不規則振動時,需檢查下列哪些項目?(A)滑動面潤滑劑是否正常(B)機台指示燈是否正常(C)轉動元件是否裝配平衡(D)機台腳座螺絲是否平均受力。
73.有一單桿雙動氣壓缸在摩擦係數為0.15的水平面移動100kgf的物體,移動的距離為300mm,移動時間為1秒,1分鐘做20次循環,工作壓力為6kgf/cm2。若以20%與80%的移動時間做等加速度與等速度(如下圖所示),下列敘述哪些正確?(A)最大速度:35.3cm/sec(B)最大速度:33.3cm/sec(C)最大加速度:166.7cm/sec2(D)最大加速度:117.6cm/sec2。
74.有關PLC指令,下列敘述哪些正確?(A)CMP為比較指令(B)SFT為移位指令(C)MOV為傳送指令(D)SUB為旋轉指令。
75.當全新設備已完成供電/供氣後,尚需要進行哪些測試?(A)急停功能(B)I/O接點(C)負載(D)電壓測試。
76.如下圖所示,為伺服馬達驅動旋轉轉盤機構圖,齒規皮帶組減速比i=4、伺服馬達分解能=131072pulse/rev,每輸出1pulse可得旋轉轉盤之分解能力λ=0.10°,若控制脈波數N=360kpulses,下列敘述哪些正確?(A)旋轉盤之轉動圈數為25圈(B)(C)(D)旋轉盤之轉動圈數為100圈。
77.為增快油壓缸之活塞速度,可使用下列哪些迴路?(A)預充(B)高低壓複合泵(C)增壓(D)蓄壓。
78.用於量測基準面之鑄鐵平台與花崗岩平台比較,下列哪些為花崗岩平台的特點?(A)易於加工成型(B)耐磨性高(C)硬度低(D)抗腐蝕性高。
79.使用繼電器時,下列敘述哪些正確?(A)直流繼電器之線圈只能用直流電(B)交流繼電器之線圈只能用交流電(C)交流繼電器之接點可使用於交直流電(D)直流繼電器之接點可使用於交直流電。
80.有一步進馬達驅動一組定位工作平台,此步進馬達之全步進角度為1.8°,驅動器以半步進法控制步進馬達,馬達輸出軸與導螺桿間配有一10:1之減速齒輪組。若導螺桿每轉動5圈,滑台移動20㎜,下列敘述哪些正確?(A)螺桿之導程L=5㎜(B)步進馬達每轉所需之脈衝命令(ppr)為400(C)滑台定位之解析度R=1.0μm(D)滑台以平均速0.6m/min移動50㎜所需之脈衝頻率為5000H。