所屬科目:技檢◆儀表電子-乙級
1. 下列 TTL IC 何者不是開路集極(open-collector)閘? (A)SN7403 (B)SN7405 (C)SN7401 (D)SN7400。
2. 下列何者「不是」目前台灣主要的發電方式? (A)燃煤 (B)地熱 (C)燃氣 (D)水力。
3. 將 1MHz 方波訊號轉換成 125kHz 的方波,至少需要多少個 JK 正反器? (A)4 (B)3 (C)1 (D)2。
4. 組合語言組譯完後產生的檔案,下列何者不是 ASCII 碼? (A)HEX 檔 (B)SYM 檔 (C)OBJ 檔 (D)LST檔。
5. 稽納二極體的稽納崩潰敘述,下列何者錯誤? (A)崩潰電壓一般小於 5V (B)大多發生在高摻雜的二極體 (C)崩潰現象係由於高電場所造成 (D)若發生崩潰現象則不能使用。
6. 機車為空氣污染物之主要排放來源之一,下列何者可降低空氣污染物之排放量:
A.將四行程機車全面汰換成二行程機車;B.推廣電動機車;C.降低汽油中之硫含量? (A)僅 AB (B)ABC 皆正確 (C)僅 AC (D)僅 BC。
7. 下列何者不屬於單晶片微電腦(single chip microcomputer)? (A)8751 (B)8251 (C)8951 (D)8051。
8. 中華民國國家標準的簡稱為何? (A)JIS (B)UL (C)CSA (D)CNS。
9. 將 CPU 的所有構成元件濃縮在一個微小的矽晶片上,此矽晶片稱為何? (A)微處理機(microprocessor) (B)微控制器(microcontroller) (C)單晶片微電腦(single chip micro computer) (D)可程式化邏元件(programmable logic device)。
10. RLC 串聯電路中 R=l0Ω、XL=l0Ω、XC=20Ω,跨接於 100V 之交流電源,若電源頻率連續提高,則電路電流之變化為何? (A)連續變小 (B)連續變大 (C)先變小,後變大 (D)先變大,後變小。
11. 如下圖所示電路,A 點與 B 點間的總電阻為何?
(A)10Ω (B)14Ω (C)12Ω (D)18Ω。
12. 下列敘述何者為正確? (A)FET 的熱穩定性較 BJT 差 (B)FET 的雜訊免疫力較 BJT 高 (C)FET 的操作速率較 BJT 快 (D)FET 的輸入阻抗較 BJT 小。
13. 營業秘密可分為「技術機密」與「商業機密」,下列何者屬於「商業機密」? (A)生產製程 (B)程式 (C)商業策略 (D)設計圖。
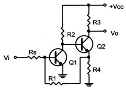
14. 自來水淨水步驟,何者是錯誤的? (A)混凝 (B)煮沸 (C)沉澱 (D)過濾。
15. 室內裝潢時,若不謹慎選擇建材,將會逸散出氣狀污染物。其中會刺激皮膚、眼、鼻和呼吸道,也是致癌物質,可能為下列那一種污染物? (A)二氧化碳 (B)氟氯碳化合物 (C)甲醛 (D)臭氧。
16. 如下圖電路所示,以下敘述何者為錯誤﹖
(A)Q1 的作用為增大負載容量 (B)為一串聯型穩壓電路(C)VR1 向上移動時,輸出電壓上升 (D)Q3、R3 為一保護電路。
17. 設有一平衡三相 Δ 連接電路,其每相阻抗為 3+j4Ω,線電壓為 380V,其相電壓及線電流各為若干? (A)380V、76 A (B)380/ V、76A (C)380 V、76A (D)380V、76/ A。
18. 1.5 級的電壓表,若滿刻度為 30V,則準確度為何? (A)30±0.45V (B)30±0.1V (C)30±0.15V(D)30±0.3V。
19. 下列對銲接要求之敘述何者為錯誤? (A)銲面要光滑 (B)不得有冷銲、針孔、氣泡等現象 (C)銲錫量要多些 (D)不得有焦黑現象。
20. 席貝克效應(Seebeck Effect)為下列何種效應? (A)磁電效應 (B)壓電效應 (C)熱電效應 (D)光電效應。
21. 如下圖所示電路,其=?
(A)0V (B)1V (C)3V (D)2V。
22. 具有良好接地的電子設備,若以電壓表測量它的金屬機殼對電源中線(neutral)的電壓應為何?(A)220V (B)25V (C)0V (D)110V。
23. 在 RLC 串聯電路中,若 R=20Ω、L=0.2H、C=20μF,則其諧振頻率為何? (A)70Hz (B)80Hz(C)50Hz (D)60Hz。
24. 電晶體的編號為 2SC1384 時,其中 C 代表意義為何? (A)PNP 低頻用 (B)NPN 低頻用 (C)PNP 高頻用 (D)NPN 高頻用。
25. 如下圖電路所示,為一非反相運算放大器,假設此運算放大器具無限大輸入阻抗及零輸出阻抗,則其回授因素 β 值為:
(A)(B)(C)(D)。
26. 如下圖電路所示屬於何種負回授型態?
(A)電壓-並聯負回授 (B)電壓-串聯負回授 (C)電流-並聯負回授 (D)電流-串聯負回授。
27. 下列何種放大器的失真度最嚴重? (A)C 類 (B)B 類 (C)A 類 (D)AB 類。
28. 長度 1 mil(密爾)約為多少㎜? (A)0.0254 (B)0.00254 (C)0.254 (D)2.54。
29. 鮑率 2400bps 代表下列何者? (A)2400 Byte/秒 (B)2400 Bit/分 (C)2400 Byte/分 (D)2400 Bit/秒。
30. 計算負載上的功率消耗,需採用何種交流電壓值? (A)最大值 (B)瞬間值 (C)有效值 (D)平均值。
31. 更換電解電容器時,不需要考慮下列何者? (A)需先放電 (B)極性 (C)包裝顏色 (D)工作電壓。
32. Q 表是用來量測下列何者? (A)電晶體的 Q 點 (B)電路的無效功率 Q (C)雜散電容 (D)電感量及線圈的Q 值。
33. 如下圖電路所示,若 R1 為 100kΩ,=10sinωt 伏特,的平均值為 6.36V,則 R2=?
(A)190kΩ (B)220kΩ (C)210kΩ (D)200kΩ。
34. 為了取得良好的水資源,通常在河川的哪一段興建水庫? (A)上游 (B)下游 (C)中游 (D)下游出口。
35. 根據性別平等工作法,有關雇主防治性騷擾之責任與罰則,下列何者錯誤? (A)雇主知悉性騷擾發生時,應採取立即有效之糾正及補救措施 (B)僱用受僱者 30 人以上者,應訂定性騷擾防治措施、申訴及懲戒辦法 (C)雇主違反應訂定性騷擾申訴管道者,應限期令其改善,屆期未改善者,應按次處罰 (D)雇主違反應訂定性騷擾防治措施之規定時,處以罰鍰即可,不用公布其姓名。
36. 依職業安全衛生法施行細則規定,下列何者非屬特別危害健康之作業? (A)會計作業 (B)游離輻射作業 (C)噪音作業 (D)粉塵作業。
37. 下列有關工作場所安全衛生之敘述何者有誤? (A)對於勞工從事其身體或衣著有被污染之虞之特殊作業時,應備置該勞工洗眼、洗澡、漱口、更衣、洗濯等設備 (B)勞工應定期接受健康檢查 (C)事業單位應備置足夠急救藥品及器材 (D)事業單位應備置足夠的零食自動販賣機。
38. 下列何者非屬使用合梯,應符合之規定? (A)梯腳與地面之角度應在 80 度以上 (B)有安全之防滑梯面 (C)合梯應具有堅固之構造 (D)合梯材質不得有顯著之損傷、腐蝕等。
39. 我國中央勞工行政主管機關為下列何者? (A)勞工保險局 (B)經濟部 (C)勞動部 (D)內政部。
40. 公司負責人為了要節省開銷,將員工薪資以高報低來投保全民健保及勞保,是觸犯了刑法上之何種罪刑? (A)侵占罪 (B)背信罪 (C)工商秘密罪 (D)詐欺罪。
41. 自感量為 0.3 亨利之線圈,若在 0.01 秒內將其電流由 10A 降至 6A,則其感應電動勢之值應為多少? (A)60 伏特 (B)180 伏特 (C)240 伏特 (D)120 伏特。
42. 同時觀看單晶片 8051 的 Port A 與 Port B 的資料匯流排訊號,宜選用下列何種設備量測? (A)儲存式數位示波器 (B)頻譜分析儀 (C)邏輯分析儀 (D)邏輯探棒筆。
43. 下述布林(Boolean)代數式中,哪一個是不同的函數? (A)F=AC+BC (B)F=AC+ABC (C)(D) 。
44. 近接開關是屬於下列何種感測元件? (A)光感測元件 (B)位置感測元件 (C)壓力感測元件 (D)溫度感測元件。
45. 有關小黑蚊敘述下列何者為非? (A)活動時間以中午十二點到下午三點為活動高峰期 (B)無論雄性或雌性皆會吸食哺乳類動物血液 (C)小黑蚊的幼蟲以腐植質、青苔和藻類為食 (D)多存在竹林、灌木叢、雜草叢、果園等邊緣地帶等處。
46. 若要使用雷射印表機列印電路板設計圖的感光原稿時,以下列何種最為適當? (A)模造紙 (B)感光紙 (C)描圖紙 (D)牛皮紙。
47. 一般桶裝瓦斯(液化石油氣)主要成分為丁烷與下列何種成分所組成? (A)乙烷 (B)丙烷 (C)辛烷 (D)甲烷。
48. 示波器上量得一波形的週期有 4 格,其水平時間旋鈕置於 10μs/DIV,則其頻率為何? (A)40kHz(B)250kHz (C)25kHz (D)2.5kHz。
49. 將組合語言轉換成機器語言的工具為何? (A)組譯程式(assembler) (B)驅動程式(driver) (C)載入程式(loader) (D)編譯程式(compiler)。
50. 三用電表量測 LED 發亮時,量測結果下列何者正確? (A)數位式電錶黑棒為正電壓 (B)指針式電錶紅棒為 LED 陽極 (C)數位式電錶紅棒為 LED 陰極 (D)指針式電錶黑棒正電壓。
51. 關於空乏型 N 通道 MOSFET 的敘述,下列何者敘述錯誤? (A)VT N 為負電壓 (B)VG S=0V 時,通道會導通 (C)可當空乏型使用,亦可當增強型使用 (D)主要載體為電洞。
52. 關於差動放大器的敘述,下列何者有誤? (A)(B)CMRR 值愈高,對雜訊排斥的能力愈好 (C) (D)。
53. 當指針式三用電表裡的電池電力耗盡時,下列哪一種功能仍然可以使用? (A)Ω (B) (C)DCA(D)。
54. 二極體橋式全波整流器之輸入為 ,則不加濾波器之輸出的直流成分為何? (A)(B)(C) (D) 。
55. 放大器之輸入阻抗將因負回授而有何變化? (A)視回授型態而定 (B)必然增大 (C)不受影響 (D)必然減小。
56. 下列各種邏輯族均以+5V 當作電源電壓時,何者的雜訊邊際(noise margin)為最小? (A)4000 系列(B)74LS 系列 (C)74ACT 系列 (D)74HC 系列。
57. 每個人日常生活皆會產生垃圾,下列何種處理垃圾的觀念與方式是不正確的? (A)廚餘回收堆肥後製成肥料 (B)所有垃圾皆掩埋處理,垃圾將會自然分解 (C)可燃性垃圾經焚化燃燒可有效減少垃圾體積 (D)垃圾分類,使資源回收再利用。
58. 下列何者行為會有侵害著作權的問題? (A)以分享網址的方式轉貼資訊分享於社群網站 (B)將講師的授課內容錄音,複製多份分贈友人 (C)將報導事件事實的新聞文字轉貼於自己的社群網站 (D)直接轉貼高普考考古題在 FACEBOOK。
59. 半加器用基本 AND、OR、NOT 閘來組成,最少需要幾個閘? (A)6 (B)7 (C)8 (D)5。
60. 下列何者不是常用之高頻振盪器? (A)哈特萊振盪器 (B)晶體振盪器 (C)考畢子振盪器 (D)韋恩電橋振盪器。
61. 關於半波整流電路的敘述,下列何者正確? (A)輸出的直流電壓為輸入電壓峰值的 1.414 倍 (B)輸出的電壓峰值為輸入交流電壓有效值的 0.707 倍 (C)輸出的電壓峰值為輸入交流電壓有效值的1.414 倍 (D)輸出的直流電壓為輸入電壓峰值的 0.318 倍。
62. 電路之暫時性的過度現象稱之為「暫態現象(Transient Phenomenon)」,下列的敘述哪些為正確?(A)電路響應會隨著時間的增加而衰減其振幅 (B)不會導致系統誤動作或損毀 (C)決定暫態現象時間長短的因素,稱為「時間常數」 (D)可由電路的結構和元件值來決定暫態現象的長短。
63. 下列哪些 TTL 計數器 IC 可直接用來作為上下數的計數器? (A)74192 (B)74193 (C)74390 (D)74190。
64. 電晶體當作電子開關時,它是工作於那些操作區? (A)線性區 (B)截止區 (C)動作區 (D)飽和區。
65. 如下圖所示,電路中之電容器的電容值均為 7μF,各端點間的等效電容值,下列哪些為正確?
(A) (B) (C) (D)。
66. 以 4 個 JK 正反器設計的環形(Ring)計數器,若在最大的計數模式下,則會有哪些輸出狀態?(A)0101 (B)1010 (C)1000 (D)0010。
67. 依照 CNS 製圖,其中對線條之種類區分為 (A)鏈線 (B)虛線 (C)延伸線 (D)實線。
68. 若以 BCD 碼表示,則下列何者敘述正確? (A)百位數 6 的 BCD 碼為(1000) 2 (B)十位數 9 的BCD 碼為(1001) 2 (C)需用 12 位元來表示 (D)個位數 2 的 BCD 碼為(0010) 2。
69. 庫侖定律是描述兩個電荷間的吸引力或排斥力與 (A)兩個電荷之質量成正比 (B)兩個電荷量之乘積成正比 (C)兩個電荷間之距離平方成反比 (D)兩個電荷的溫度之乘積成正比。
70. 下列哪些選項為合法的 8 進制數? (A)417 (B)255 (C)119 (D)128。
71. 下列哪些有關電子儀表的敘述是正確的? (A)比較測量方法是最常被使用的測量法 (B)儀表重覆測量所得數值之差異稱為精密度 (C)能讓儀表產生響應之最小輸入變量稱為解析度 (D)間接測量方法是最精確的測量法。
72. 下列的電源供應電壓值中,哪些是屬於 SN74 系列 TTL IC 的電壓容許值? (A)5.3V (B)5.1V (C)4.8V(D)4.5V。
73. 電路板銲接後,銲錫後上有黑色雜質,為下列何種原因所致? (A)銲錫加熱時間太長 (B)烙鐵頭未清潔 (C)烙鐵溫度過高 (D)助銲劑使用太多。
74. 數位電表內的類比數位轉換(ADC)電路可分為下列哪幾類? (A)連續漸進式 (B)串列式 (C)雙斜率積分式 (D)電壓頻率轉換式。
75. 欲檢修單晶片 8051 輸出埠 Port A 的資料匯流排訊號時,下列哪些設備可用於觀測各腳位的訊號? (A)儲存式數位示波器 (B)邏輯分析儀 (C)頻譜分析儀 (D)邏輯探棒筆。
76. 比較 MOSFET 與 BJT 的特性,下列哪些正確? (A)MOSFET 較適合大容量電晶體的製程 (B)單一細胞體(Cell)比較,MOSFET 之體積較小 (C)MOSFET 的輸入電阻大 (D)MOSFET 為電流控制。
77. 下列壓力測定標準,哪些與大氣壓力有關? (A)差分壓力 (B)尺規壓力 (C)絕對壓力 (D)真空壓力。
78. 受光二極體之優點為何? (A)輸出電流大 (B)寬頻帶波長響應 (C)對於入射光而言,呈現出良好且線性 (D)低雜訊。
79. 下列哪些程式可以編輯(Edit)組合語言程式? (A)Word (B)Excel (C)Notepad (D)Wordpad。
80. 佛萊明左手定則是將左手之大拇指,食指與中指伸直並相互垂直,則下列哪些為正確? (A)食指的指向表示電流之方向 (B)中指的指向表示磁場由 N 至 S 之方向 (C)大拇指所指之方向表示導體受力的方向 (D)又稱為電動機定則。