所屬科目:泉勝◆基本電學實習
1. 電阻電容串聯充電,黃色波形代表電源瞬間接通,穩態後vc電壓(藍色波形)趨近充電電壓E,如下圖。(A)O (B)X
2. 電阻電容串聯充電,黃色波形代表電源瞬間接通,穩態後vR電壓(藍色波形)趨近充電電壓E。(A)O (B)X
3. 電阻電容串聯充電,穩態後iR電流趨近0。(A)O (B)X
4. 電阻電容串聯充電至穩態,所需時間5RC。(A)O (B)X
5. 電阻電容串聯放電(下圖黃色波形電壓0的瞬間),穩態後vc電壓(藍色波形)趨近充電電壓E。(A)O (B)X
6. 電阻電容串聯放電(下圖黃色波形電壓0的瞬間),穩態後vR電壓趨近充電電壓E。(A)O (B)X
7. 電阻電容串聯放電(下圖黃色波形電壓0的瞬間),穩態後iR電流趨近0。(A)O (B)X
8. 電阻電容串聯放電至穩態,所需時間5RC。(A)O (B)X
9. 電阻電容串聯充電與放電的電流方向相反。(A)O (B)X
10. 電阻電容串聯充電瞬間,vc電壓趨近0。(A)O (B)X
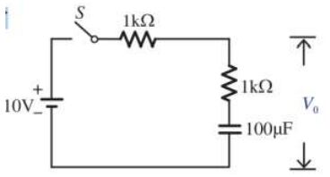
11. 電路如圖所示,是一個RC充電電路,時間t小於0時,電容未儲存任何電荷。時間t為0時,開關S接通電路,試求此電路時間常數為多少秒?(A)1ms(B)1s(C)2s(D)3s
12. 電路如圖所示,是一個RC充電電路,時間t小於0時,電容未儲存任何電荷。時間t為0時,開關S接通電路。試求t=1時,Vc=?(A)6.32V(B)8.65V(C)9.5V(D)9.8V
13. 電路如圖所示,是一個RC充電電路,時間t小於0時,電容未儲存任何電荷。時間t為0時,開關S接通電路。試求t=2時,Vc=?(A)6.32V(B)8.65V(C)9.5V(D)9.8V
14. 電路如圖所示,是一個RC充電電路,時間t小於0時,電容未儲存任何電荷。時間t為0時,開關S接通電路。試求t=3時,VR=?(A)6.32V(B)8.65V(C)9.5V(D)9.8V
15. 電路如圖所示,是一個RC充電電路,時間t小於0時,電容未儲存任何電荷。時間t為0時,開關S接通電路。試求t=4時,VR=?(A)6.32V(B)8.65V(C)9.5V(D)0.2V
16. 電路如圖,是一個RC充電電路,時間t小於0時,電容未儲存任何電荷。時間t為0時,開關S接通電路。試求t=1時,i=?(A)6.32mA(B)3.68uA(C)3.68mA(D)1.35uA
17. 電路如圖,是一個RC充電電路,時間t小於0時,電容未儲存任何電荷。時間t為0時,開關S接通電路。試求t=2時,i=?(A)6.32mA(B)3.68uA(C)3.68mA(D)1.35uA
18. 電路如圖所示,為一個充電電路,t=0時,電容器未儲存任何電荷。試求此電路的時間常數為多少秒?(A)5s(B)10s(C)20s(D)1s
19. 電路如圖所示,為一個充電電路,時間t小於0時,電容未儲存任何電荷。時間t為0時,開關S接通電路,t=0瞬間,Vc=?(A)0V(B)5V(C)50V(D)100V
20. 電路如圖所示,為一個充電電路,時間t小於0時,電容未儲存任何電荷。時間t為0時,開關S接通電路,t=10s,Vc=?(A)0V(B)63.2V(C)36.8V(D)86.5V
21. 電路如圖所示,為一個充電電路,時間t小於0時,電容未儲存任何電荷。時間t為0時,開關S接通電路,t=20s,VR=?(A)0V(B)63.2V(C)36.8V(D)13.5V
22. 電路如圖所示,為一個充電電路,時間t小於0時,電容未儲存任何電荷。時間t為0時,開關S接通電路,t=40s,iR=?(A)0A(B)1mA(C)2.5mA(D)18.4mA
23. 電路如圖所示,為一個充電電路,時間t小於0時,電容未儲存任何電荷。時間t為0時,開關S接通電路,t=50s,iR=?(A)0A(B)1mA(C)2.5mA(D)18.4mA
24. 電阻與電容串聯電路,電阻為 2kΩ,電容為 25μF,此電路的時間常數為何?(統測 112)(A) 12.5ms (B) 25ms (C) 50ms (D) 100ms
25. 電阻 R1 與電容 C1 串聯電路,此電路時間常數為 50ms,電容 C1 為20μF,則電阻 R1 為何?(統測110)(A) 20 kΩ (B) 2.5kΩ (C) 50Ω (D) 2.5Ω
26. 如圖所示之電路,E=100V,R=100kΩ,C=50μF,當 t=0 時將 S 閉合,該電路的時間常數為多少?(自來水110) (A)2.5 秒 (B)5 秒 (C)25 秒 (D)2.5Ω
27. 如圖的電路,開關閉合前,電容器未儲存任何電荷,求閉合瞬間,Vc=?(A)0V(B)10V(C)20V(D)100V
28. 如圖的電路,開關閉合前,電容器未儲存任何電荷,求閉合瞬間,VR=?(A)0V(B)10V(C)20V(D)100V
29. 如圖的電路,開關閉合前,電容器未儲存任何電荷,求充電時間常數?(A)1ms(B)0.1ms(C)1us(D)0.5ms
30. 如圖的電路,開關閉合前,電容器未儲存任何電荷,求閉合穩定後的電流?(A)0A(B)1mA(C)1A(D)2A
31. 電路如圖,試求電容充電時間常數?(A)10ms(B)100ms(C)200ms(D)300ms
32. 電路如圖,RC 電路的時間常數是多少?(A)4ms(B)6ms(C)18ms(D)24ms
33. 電路如圖,RC 電路的時間常數是多少?(A)4ms(B)6ms(C)18ms(D)24ms
34. 放電電路如圖, V=10V,R=2 kΩ,C=1 mF,當電容充滿電後,開關於t=0時切換到位置b。試求:放電時間常數?(A)1s(B)2s(C)2ms(D)2us
35. RC放電電路如圖, V=10V,R=2 kΩ,C=1 mF,當電容充滿電後,開關於t=0時切換到位置b。試求:t=2s,Vc=?(A)1.35V(B)3.68V(C)10V(D)0.5V
36. RC放電電路如圖, V=10V,R=2 kΩ,C=1 mF,當電容充滿電後,開關於t=0時切換到位置b。試求:t=4s,VR=?(A)1.35V(B)-1.35V(C)10V(D)0.5V
37. RC放電電路如圖, V=10V,R=2 kΩ,C=1 mF,當電容充滿電後,開關於t=0時切換到位置b。試求:t=6s,i=?(A)-0.67mA(B)-0.25mA(C)0.25mA(D)0.1mA
38. RC放電電路如圖,V=20V,R=4 kΩ,C=0.5 mF,當電容充滿電後,開關於t=0時切換到位置b。試求:放電時間常數?(A)1s(B)2s(C)2ms(D)2us
39. RC放電電路如圖,V=20V,R=4 kΩ,C=0.5 mF,當電容充滿電後,開關於t=0時切換到位置b。試求:t=2s時,Vc=?(A)3.68V(B)7.36V(C)-2.7V(D)-1V
40. RC放電電路如圖,V=20V,R=4 kΩ,C=0.5 mF,當電容充滿電後,開關於t=0時切換到位置b。試求:t=4s時,VR=?
(A)3.68V(B)7.36V(C)-2.7V(D)-1V
41. RC放電電路如圖,V=20V,R=4 kΩ,C=0.5 mF,當電容充滿電後,開關於t=0時切換到位置b。試求:t=4s時,i=?(A)-0.25mA(B)1.84mA(C)0.67mA(D)-0.67mA
42. 下圖若是電容、電阻充放電波形,請問時間常數=?
(A)50us(B)100us(C)200us(D)1ms
43. 下圖若是電阻電容充放電波形,黃色波形代表輸入電壓,請問藍色波形是(A)Vr(B)Vc
44. 下圖若是電阻電容充放電波形,黃色代表輸入電壓,請問藍色波形是(A)Vr(B)Vc
45. 下圖是電阻電容充放電波形,黃色代表輸入電壓,藍色波形是i(t)波形,由波形有正有負,可知充放電電流方向(A)相同(B)相反