所屬科目:泉勝◆基本電學實習
1. 有一電路如下圖,若負載要得最大功率,負載應該取多少?(A)1kΩ(B)2kΩ(C)4kΩ(D)5kΩ
2. 有一電路如下圖,E=10V,若負載要得最大功率,最大功率是多少?(A)5W(B)5kW(C)5mW(D)3mW
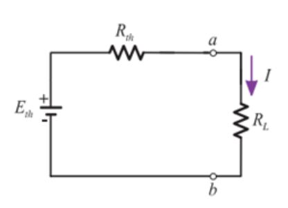
3. 有一複雜電路,經化簡後如下圖,其Rth=5kΩ,若負載要得最大功率,負載應該取多少?(A)1kΩ(B)2kΩ(C)4kΩ(D)5kΩ