所屬科目:泉勝◆基本電學實習
1. 電阻電感串聯充電瞬間(下圖黃色波形代表開關瞬間接通),電感會感應一個電動勢E(下圖藍色波形,瞬間感應E,然後慢慢降低),讓電流維持開關接通時,瞬間不變。(A)O (B)X
2. 電阻電感串聯充電(下圖黃色波形代表開關瞬間接通),穩態後vL電壓趨近充電電壓E。(A)O (B)X
3. 電阻電感串聯充電(下圖黃色波形代表開關瞬間接通),穩態後vR電壓趨近充電電壓E。(A)O (B)X
4. 電阻電感串聯充電(下圖黃色波形代表開關瞬間接通),穩態後iR電流趨近0。(A)O (B)X
5. 電阻電感串聯充電至穩態,所需時間5L/R。(A)O (B)X
6. 電阻電感串聯放電瞬間,如下圖黃色波形(電壓0),電感會感應一個反向電動勢E,如下圖藍色波形(此波形漸漸趨近0),讓電流瞬間維持不變。(A)O (B)X
7. 電阻電感串聯放電,如下圖黃色波形(電壓0),穩態後電壓趨近充電電壓E。(A)O (B)X
8. 電阻電感串聯放電,如下圖黃色波形(電壓0),穩態後電壓趨近充電電壓E。(A)O (B)X
9. 電阻電感串聯放電,如下圖黃色波形(電壓0),穩態後電流趨近0。(A)O (B)X
10. 電阻電感串聯放電至穩態,所需時間5L/R。(A)O (B)X
11. 電阻電感串聯充電與放電的電流方向相反。(A)O (B)X
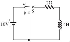
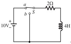
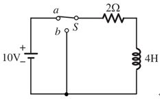
1. 電阻與電感串聯電路如圖,電感無任何電荷,t = 0 時,S 接通 a 點,求充電時間常數τ為何?(A)1us(B)1ms(C)2us(D)3us
2. 電阻與電感串聯電路如圖,電感無任何電荷,t = 0 時,S 接通 a 點,求t = 0 時,、為何?(A)10V(B)6.32V(C)3.68V(D)0V
3. 電阻與電感串聯電路如圖,電感無任何電荷,t = 0 時,S 接通 a 點,求 t = 0 時,i為何?(A)0A(B)6.32mA(C)8.65mA(D)9.95mA
4. 電阻與電感串聯電路如圖,電感無任何電荷,t = 0 時,S 接通 a 點,求t = 1us時,、為何?(A)10V(B)6.32V(C)3.68V(D)0V
5. 電阻與電感串聯電路如圖,電感無任何電荷,t = 0 時,S 接通 a 點,求 t = 1us時,i為何?(A)0A(B)6.32mA(C)8.65mA(D)9.95mA
6. 電阻與電感串聯電路如圖,電感無任何電荷,t = 0 時,S 接通 a 點,求t = 2us時,為何?(A)10V(B)6.32V(C)3.68V(D)1.35V
7. 電阻與電感串聯電路如圖,電感無任何電荷,t = 0 時,S 接通 a 點,求 t = 2us時,i為何?(A)0A(B)6.32mA(C)8.65mA(D)-8.65mA
8. 電阻與電感串聯電路如圖,電感無任何電荷,t = 0 時,S 接通 a 點,求t = 8us時,為何?(A)10V(B)6.32V(C)3.68V(D)1.35V
9. 電阻與電感串聯電路如圖,電感無任何電荷,t = 0 時,S 接通 a 點,求 t = 8us時,i為何?(A)10mA(B)6.32mA(C)8.65mA(D)-8.65mA
10. 電阻與電感串聯電路如圖,電感無任何電荷,t = 0 時,S 接通 a 點,求充電時間常數τ為何?(A)1us(B)1ms(C)2us(D)5us
11. 電阻與電感串聯電路如圖,電感無任何電荷,t = 0 時,S 接通 a 點求: t = 5us時,為何?(A)10V(B)7.36V(C)3.68V(D)0V
12. 電阻與電感串聯電路如圖,電感無任何電荷,t = 0 時,S 接通 a 點求: t = 10us時,i為何?(A)0A(B)6.32mA(C)8.65mA(D)-8.65mA
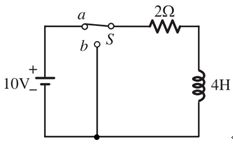
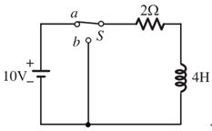
13. RL 串聯電路如圖,t < 0 時,開關置於 a,t = 0 時開關 S 置於 b。求:t=0時,=? (A)10V(B)-10V(C)0V(D)-3.68V
14. RL 串聯電路如圖,t < 0 時,開關置於 a,t = 0 時開關 S 置於 b。求:t=0時,=? (A)10V(B)-10V(C)0V(D)-3.68V
15. RL 串聯電路如圖,t < 0 時,開關置於 a,t = 0 時開關 S 置於 b。求:t=0時,=?(A)5A(B)-5A(C)0A(D)1.84A
16. RL 串聯電路如圖,t < 0 時,開關置於 a,t = 0 時開關 S 置於 b。求:t=2s時,=? (A)10V(B)-10V(C)0V(D)-3.68V
17. RL 串聯電路如圖,t < 0 時,開關置於 a,t = 0 時開關 S 置於 b。求:t=2s時,=? (A)3.68V(B)-10V(C)0V(D)-3.68V
18. RL 串聯電路如圖,t < 0 時,開關置於 a,t = 0 時開關 S 置於 b。求:t=2s時,=? (A)5A(B)-5A(C)0A(D)1.84
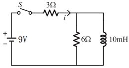
19. 電路如圖,求電路達穩態後的電流 i 是多少?(A)0A(B)1A(C)2A(D)3A
20. 電路如圖,開關 S 閉合一段時間,i 為多少?(A)0A(B)0.5A(C)1A(D)2A
21. 電路如圖,開關 S 閉合一段時間,打開 S 瞬間,是多少?(A)6V(B)7.5V(C)8V(D)20V
22. 電路如圖,開關 S 閉合一段時間,打開 S後,t = 0.4 秒,是多少?(A)7.5V(B)2.76V(C)1.38V(D)0
23. 電路如圖,開關 S 閉合一段時間,打開 S穩定後,i 為多少?(A)0A(B)0.5A(C)0.8A(D)-0.5A
24. 下圖若是電感充放電波形,請問時間常數=?(A)10us(B)100us(C)200us(D)1ms
25. 下圖若是電阻電感充放電波形,黃色代表輸入電壓,請問藍色波形是(A)Vr(B)
26. 下圖是電阻電感充放電波形,黃色代表輸入電壓,藍色波形是VL,由波形可知,開關一接通,輸入有10V,電感馬上感應10V抵抗,電壓沒有了,電感馬上扮演電動勢,感應10V(但此10V的方向,與充電方向相反,所以標示為-10V),目的都是讓電流瞬間維持不變。(A)O (B)X
27. 下圖若是電阻電感充放電波形,黃色代表輸入電壓,請問藍色波形是(A)Vr(B)VL
28. 下圖是電阻電感充放電波形,黃色代表輸入電壓,藍色波形是i(t)波形,由波形都是正的,可知充電與放電電流方向(A)相同(B)相反