阿摩線上測驗
登入
首頁
>
技檢◆電器修護-乙級
> 114年 - 01000 電器修護 乙級 工作項目 06:裝修及調整(電動類) 101-130(2025/10/08 更新)#131907
114年 - 01000 電器修護 乙級 工作項目 06:裝修及調整(電動類) 101-130(2025/10/08 更新)#131907
科目:
技檢◆電器修護-乙級 |
年份:
114年 |
選擇題數:
30 |
申論題數:
0
試卷資訊
所屬科目:
技檢◆電器修護-乙級
選擇題 (30)
複選題
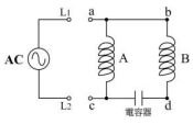
101. 如下圖永久電容式單相感應馬達,此時若 L1 與 a 點相接且 L2 與 c 點相連接時,馬達為正轉,若要使其反轉,則下列接法何者錯誤?
(A)把電容器反接 (B)把 L1 接到 a,L2 接到 d (C)把啟動繞組 B 斷線 (D)把 L1接到 c,L2 接到 a
複選題
102. 如下圖抽風機馬達是永久電容式,下列敘述何者正確?
(A)正轉時 B 為行駛繞組 (B)反轉時 A 為啟動繞組 (C)A 繞組與 B 繞組線圈粗細一樣 (D)A繞組與 B 繞組線圈粗細不一樣
複選題
103. 家用吊扇若使用蔽極式電動機,其短路線圈目的為 (A)改善功率因數 (B)產生移動磁場 (C)平衡轉矩 (D)幫助啟動 。
複選題
104. 電容式電動機其電容器功用是 (A)與啟動繞組並聯 (B)與啟動繞組串聯 (C)可增加啟動轉矩 (D)可降低啟動轉矩 。
複選題
105. 蔽極式電動機之構造有 (A)行駛線圈 (B)短路線圈 (C)啟動繞組 (D)啟動電容器 。
複選題
106. 有關電動機敘述,下列何者正確? (A)三相感應電動機可以自行啟動運轉 (B)分相式電動機不能自行啟動運轉 (C)單相串激式電動機可以自行啟動運轉 (D)蔽極式感應電動機不能自行啟動運轉 。
複選題
107. 一般家用電器馬達常採用單相串激電動機者有 (A)果汁機 (B)電冰箱 (C)吸塵器 (D)縫紉機 。
複選題
108. 交流單相串激電動機,欲提高功率因數,產生最大轉矩必須 (A)裝設補償繞組 (B)減少磁場繞組匝數 (C)增加電樞繞組匝數 (D)降低電源頻率 。
複選題
109. 一般家用電器馬達,常採用蔽極式電動機者有 (A)小型吹風機 (B)抽水機(C)吊扇 (D)排油煙機 。
複選題
110. 下列有關蔽極式電動機敘述,何者正確? (A)構造簡單,價格便宜 (B)啟動轉矩大 (C)功率因數低 (D)效率差 。
複選題
111. 有一 110V,60Hz 感應電動機,極數為 4 測得每分鐘轉速為 1620,則該部電動機之同步轉速與轉差率各為多少? (A)同步轉速為 1800RPM (B)同步轉速為 3600RPM (C)轉差率為 0.1 (D)轉差率為 0.05 。
複選題
112. 交流單相電動機電壓為 110V,60Hz 電流 10A,功率因數 0.8,則此電動機所消耗之實功率與虛功率各為多少? (A)實功率為 600W (B)實功率為 880W (C)虛功率為 660VAR (D)虛功率為 880VAR 。
複選題
113. 雙槽洗衣機之脫水槽不運轉可能原因有 (A)剎車線調整不良 (B)安全開關不良 (C)脫水定時器不良 (D)防震橡皮不良 。
複選題
114. 電風扇送電後完全不轉卻有〝嗡嗡〞聲,可能的原因有 (A)電源保險絲接觸不良 (B)按鍵開關接觸不良 (C)電容器接觸不良 (D)電容器接線斷路 。
複選題
115. 單槽洗衣機給水已完成,但洗衣轉盤不動,可能的原因有 (A)安全開關不良 (B)壓力開關不良 (C)洗衣盤異物卡住 (D)V 型皮帶鬆脫 。
複選題
116. 全自動洗衣機洗衣完成後,不排水或排水不良,可能的原因有 (A)電容器不良 (B)排水管阻塞 (C)排水電磁閥線圈不良 (D)剎車系統調整不良 。
複選題
117. 果汁機馬達不轉,可能的原因有 (A)電源線斷線 (B)電刷磨損 (C)開關不良(D)馬達線圈斷線 。
複選題
118. 吸排氣扇馬達不轉,可能的原因有 (A)啟動線圈短路 (B)扇葉卡住 (C)電容器不良 (D)安裝位置不良 。
複選題
119. 110V、60Hz、1/2 馬力單相感應電動機,其效率為 0.6,功率因數為0.8,若啟動電流為額定電流的 5 倍,試求啟動電流與額定電流各為多少? (A)額定電流約為 2.5A (B)額定電流約為 7A (C)啟動電流約為 12.5A(D)啟動電流約為 35A 。
複選題
120. 吸塵器的構造包含有 (A)吸塵指示器 (B)二極馬達 (C)啟動電容器 (D)軸流式扇葉 。
複選題
121. 抽水馬達送電後完全不轉卻有〝嗡嗡〞聲,則表示 (A)行駛線圈斷線 (B)電源接觸不良 (C)離心開關不良 (D)電容器不良 。
複選題
122. 洗衣機運轉時有噪音,可能的原因有 (A)皮帶過緊 (B)轉軸磨損過多 (C)轉動盤偏心 (D)電源電壓過高 。
複選題
123. 如下圖 1350W 乾衣機會熱但滾筒不轉動,且夾式電流錶指示為 10A 左右,其可能的原因有
(A)馬達接線斷路 (B)馬達過載保護器斷線 (C)計時器不良 (D)門開關不良
複選題
124. 造成電扇馬達不能變速,可能的原因有 (A)變速開關接線錯誤 (B)變速開關接線斷線 (C)電容器不良 (D)轉子裝置不良
複選題
125. 電鬍刀馬達不轉,可能的原因有 (A)轉軸過鬆 (B)充電不足 (C)電池失效(D)開關不良 。
複選題
126. 全自動洗衣機給水不停且馬達不轉,可能的原因有 (A)壓力開關不良 (B)壓力開關軟管漏氣 (C)電容器不良 (D)三通管以外的地方漏水 。
複選題
127. 有一 4 極 60Hz,1710RPM 之單相感應電動機,試求正轉磁場轉差率與反轉磁場轉差率各為多少? (A)正轉磁場轉差率為 0.1 (B)正轉磁場轉差率為 0.05 (C)反轉磁場轉差率為 0.1 (D)反轉磁場轉差率為 1.95 。
複選題
128. 某交流發電機若頻率為 50Hz,同步轉速為 25rps,則該機之同步轉速與極數各為多少? (A)同步轉速為 1800RPM (B)同步轉速為 1500RPM (C)極數為 4 極 (D)極數為 2 極 。
複選題
129. 一部三相感應電動機,其銘牌上註明的資料為 3 相 220V、60Hz、3580RPM、3HP,則該電動機之極數與轉差率各為多少? (A)極數為2極 (B)極數為4極 (C)轉差率為 0.055 (D)轉差率為 0.0055
複選題
130. 電風扇轉動不久即過熱或轉速太慢之原因,下列敘述何者錯誤? (A))電源電壓過低 (B)電容器容量不足 (C)電容器短路 (D)繞組局部斷路 。
申論題 (0)
相關試卷
114年 - 01000 電器修護 乙級 工作項目 08:特性測定 1-17(2025/10/08 更新)#131911
114年 · #131911
114年 - 01000 電器修護 乙級 工作項目 07:檢查及故障排除(冷凍類) 101-139(2025/10/08 更新)#131910
114年 · #131910
114年 - 01000 電器修護 乙級 工作項目 07:檢查及故障排除(冷凍類) 51-100(2025/10/08 更新)#131909
114年 · #131909
114年 - 01000 電器修護 乙級 工作項目 07:檢查及故障排除(冷凍類) 1-50(2025/10/08 更新)#131908
114年 · #131908
114年 - 01000 電器修護 乙級 工作項目 06:裝修及調整(電動類) 51-100(2025/10/08 更新)#131906
114年 · #131906
114年 - 01000 電器修護 乙級 工作項目 06:裝修及調整(電動類) 1-50(2025/10/08 更新)#131905
114年 · #131905
114年 - 01000 電器修護 乙級 工作項目 05:裝修及調整(電熱類) 51-112(2025/10/08 更新)#131904
114年 · #131904
114年 - 01000 電器修護 乙級 工作項目 05:裝修及調整(電熱類) 1-50(2025/10/08 更新)#131903
114年 · #131903
114年 - 01000 電器修護 乙級 工作項目 04:裝修及調整(照明類) 51-89(2025/10/08 更新)#131902
114年 · #131902
114年 - 01000 電器修護 乙級 工作項目 04:裝修及調整(照明類) 1-50(2025/10/08 更新)#131901
114年 · #131901