所屬科目:技檢◆工業配線-甲級
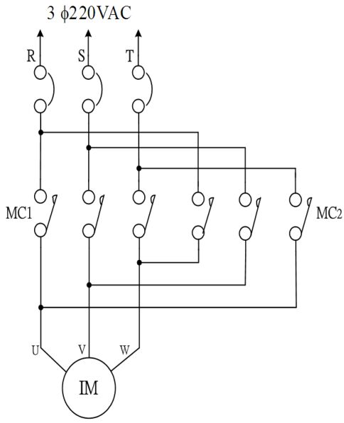
(A)MC1 與 MC3 動作時為起動狀態 (B)MC2 與 MC3 動作時為起動狀態 (C)MC1 與 MC2 動作時為運轉狀態 (D)當電動機處於起動狀態時,沒有過載保護 。
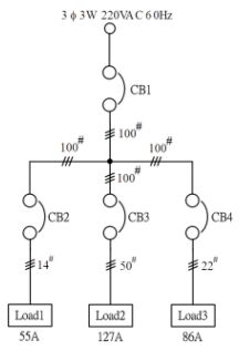
(A)CB2二次側配線容量不足 (B)CB4二次側配線容量適當 (C)CB1二次側不適宜採用 100#PVC 導線 (D)CB3二次側配線容量不足 。