阿摩線上測驗
登入
首頁
>
技檢◆工業配線-甲級
> 114年 - 01300 工業配線 甲級 工作項目 05:設計繪圖 1-68(2025/10/09 更新)#132017
114年 - 01300 工業配線 甲級 工作項目 05:設計繪圖 1-68(2025/10/09 更新)#132017
科目:
技檢◆工業配線-甲級 |
年份:
114年 |
選擇題數:
68 |
申論題數:
0
試卷資訊
所屬科目:
技檢◆工業配線-甲級
選擇題 (68)
1.
左圖流體圖符號是表示 (A)電磁線圈及氣體引導式動作 (B)電磁線圈或氣體引導動作 (C)電磁線圈動作 (D)氣體引導動作 。
2. 如下圖流體符號表示
(A)自動放水集水器 (B)手動放水集水器 (C)自動放水乾燥器 (D)手動放水乾燥器 。
3. 下圖符號表示
(A)無排水器 (B)附手動排水器 (C)附自動排水器 (D)潤滑器 。
4.
左圖符號為 (A)電磁式二位置四方口方向閥 (B)電磁式、自動復歸型二位置四方口方向閥 (C)導引方向閥 (D)電磁式四位置、四方口自動復歸型方向閥 。
5. 下圖符號表示
(A)按鈕開關之常閉接點 (B)限制開關之常閉接點 (C)限時電驛之常閉接點延時開放 (D)過載電驛之常閉接點 。
6. 下列何者不是可變電阻的符號? (A)
(B)
(C)
(D)
。
7.
左圖符號之動作為 (A)通電後延時斷開 (B)斷電後延時斷開 (C)通電後延時閉合 (D)斷電後延時閉合 。
8.
左圖符號之動作為 (A)斷電後延時斷開 (B)通電後延時斷開 (C)通電後延時閉合 (D)斷電後延時閉合 。
9. 下圖符號表示
(A)自動復歸電驛接點 (B)手動操作自動復歸按鈕開關接點 (C)限時電驛接點 (D)極限開關接點 。
10.
左圖工作管路的接口為 (A)A,B (B)P (C)R (D)Z 。
11.
左圖符號代表 (A)分激式 (B)串激式 (C)外激式 (D)自激式 直流電機。
12. MOF 是 (A)計器用比流器 (B)計器用比壓器 (C)計器用 P.T 及 C.T 之組合 (D)瓦特計組合 。
13. 三輸入端 OR 電路,A 及 B 輸入低電位,C 輸入高電位,則 Z 輸出端為(A)低電位 (B)高電位 (C)正弦波輸出 (D)三角波輸出 。
14. 交流斷路器之代用號碼為 (A)42 (B)51 (C)52 (D)55 。
15.
左圖符號表示 (A)開關串聯保險絲 (B)串聯電磁性跳脫元件之開關 (C)表示串聯積熱電驛之開關 (D)電磁接觸器主接點串聯保險絲 。
16. 數位符號
表示 (A)AND 閘 (B)OR 閘 (C)NOT 閘 (D)NAND 閘 。
17. 附電力保險絲之高壓負載啟斷開關(L.B.S)其符號為 (A)
(B)
(C)
(D)
。
18. 下圖符號表示
(A)限時動作a接點 (B)限時復歸a接點 (C)限時動作限時復歸a接點 (D)瞬時動作延時復歸a接點 。
19.
左圖符號表示 (A)發光二極體 (B)穩壓二極體 (C)光電式二極體 (D)變溫二極體 。
20.
左圖符號表示 (A)FET (B)TRIAC (C)DIAC (D)SCR 。
21.
左圖符號表示 (A)無效電力計 (B)積算型無效電力計 (C)自動電壓調整器(D)過電流電驛 。
22.
左圖符號為 (A)負載啟斷開關 (B)空斷開關 (C)閘刀開關 (D)隔離開關 。
23. 如下圖所示,為切換開關之接點展開圖,下列敘述何者正確
(A)具有 6 個切換位置 (B)當切於 2 位置時 5-6 相通 (C)具有 3 個外接接點 (D)當切於 2 位置時 1-2、3-4 相通 。
24.
左圖符號表示 (A)保險絲 (B)試驗用電壓端子 (C)試驗用電流端子 (D)栓型保險絲 。
25. 電磁開關是那兩種器具之組合? (A)無熔線開關與過載電驛 (B)無熔線開關與電磁接觸器 (C)電磁接觸器與過載電驛 (D)電磁接觸器與栓型保險絲 。
26. 下列何者其啟斷電流較大? (A)VCS (B)LBS (C)GCS (D)VCB 。
27. 下列何者不能啟斷負載電流? (A)LBS (B)VCS (C)DS (D)GCB 。
28. 七段顯示器欲顯示"
" ,必須點亮 (A)a、b、c、d、e (B)a、b、c、d、f(C)a、b、c、d、g (D)a、d、e、f、g 。
29. 如下圖該迴路為 METER-IN 迴路
(A)在油壓缸前進動作時流量受到控制 (B)在油壓缸後退時流量受到控制 (C)方向控制閥為三方位三方口 (D)方向控制閥為三方位四方口 。
30. 為維持電磁平衡,交流電路中同一電路之動力線,如何裝置於金屬配線管中? (A)一根金屬管裝一條動力線 (B)同相之動力線裝置於一根金屬管內 (C)所有動力線裝置於同一根金屬管內 (D)動力線不可裝置於金屬管內 。
31. 若使用 2 只 CT 量測三相電流時,其引接至電流切換開關之接線有幾條?(A)6 (B)5 (C)4 (D)3 條。
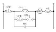
32. 如下圖所示,在正常情況下,下列那一只按鈕開關的功能是無效的?
(A)OFF
1
按鈕開關 (B)ON
1
按鈕開關 (C)OFF
2
按鈕開關 (D)ON
2
按鈕開關 。
33. PLC 基本符號之 表示 (A)通電延遲計時器之延遲接點 (B)斷電延遲計時器之延遲接點 (C)保持電驛接點 (D)微分接點 。
34. 在美制(AWG)線規中,導線之號碼愈大,則表示導線線徑 (A)愈粗 (B)愈細(C)不變 (D)不一定 。
35. 某變壓器其二次側輸出電流為額定輸出電流之半時,則其銅損為額定時之多少倍? (A)4 倍 (B)1/4 倍 (C)2 倍 (D)1/2 倍 。
36. 某單相 110V 3/4 馬力之電動機,已知其額定電流值為 12A,功率因數值為 0.7,則其滿載效率約為何值? (A)95% (B)85% (C)75% (D)65% 。
37. CNS 配電盤標準中,斷路器等為抽出式其配電盤等級記號為 (A)X (B)Y (C)W (D)Z 。
38. CNS 配電盤標準中,若為箱櫃型,其記號為 (A)G (B)M (C)P (D)C 。
39. CNS 配電盤標準中,若為裝甲型,其記號為 (A)Y (B)X (C)M (D)P 。
40. 在電力系統上適合於△接線之接地保護為 (A)LCO 電驛 (B)67 電驛 (C)27 電驛 (D)87 電驛 。
41. 為防止接地故障之誤動作,通常 67 電驛常串接 (A)27 電驛 (B)59 電驛 (C)64電驛 (D)87 電驛 。
42. 某直流電壓表之滿刻度為 150V,若要量測 440V 之直流電源電壓時,需加裝何種器材? (A)比壓器 (B)比流器 (C)倍壓器 (D)分流器 。
43. 斷電後無法自行復歸,需由其復歸線圈激磁始能復歸之電驛為下列那一種? (A)電力電驛 (B)時間電驛 (C)棘輪電驛 (D)保持電驛 。
44. 下圖表示
(A)熱動式 MCB (B)熱動電磁式 MCB (C)電子式 MCB (D)完全電磁式 MCB 。
45.
左圖表示 (A)過電壓電驛 (B)不足電壓電驛 (C)接地過電壓電驛 (D)方向性接地電驛 。
46.
左圖表示 (A)真空電驛 (B)記錄電壓計 (C)不足電壓電驛 (D)電壓檢知器 。
47.
左圖表示 (A)過電壓電驛 (B)接地過電壓電驛 (C)中性點過電壓電驛 (D)接地過電流電驛 。
48.
左圖表示 (A)TIMER (B)AND GATE (C)NOT GATE (D)脈衝產生器 。
複選題
49. 如下圖所示流體符號,下列敘述哪些錯誤?
(A)固定型節流閥 (B)附排洩節流閥 (C)附壓力補償節流閥 (D)附溫度補償節流閥 。
複選題
50.
如左圖所示流體符號,下列敘述哪些錯誤? (A)梭動閥 (B)雙壓閥(C)單向節流閥 (D)快速排氣閥 。
複選題
51. 有關轉換器(Transducer),下列敘述哪些正確? (A)光電耦合器:
(B)發光二極體:
(C)熱敏電阻:
(D)壓電晶體:
。
複選題
52. 氣壓符號中,下列敘述哪些正確? (A)
雙向流量控制閥 (B)
切斷閥 (C)
消音器 (D)
雙壓閥(邏輯閥 AND) 。
複選題
53. 依據 IEEE 標準,常用保護電驛、自動控制數碼代號,下列敘述哪些正確? (A)27 交流低電壓(AC Under Voltage)電驛 (B)37 相序電壓電驛 (C)50瞬時過電流(Instantaneous Overcurrent)電驛 (D)64 接地保護電驛 。
複選題
54. 有關矽控開關(SCS),下列敘述哪些正確? (A)主要應用於高功率控制系統(B)閘極觸發電壓、電流均與周圍溫度成正比 (C)閘極可控制其陽( A )、陰(K)極的導通與截止狀態 (D)陽( A )、陰(K)極變為逆向電壓,則將其導通狀態轉為截止狀態 。
複選題
55. 如下圖所示之推斥式電動機,下列敘述哪些正確?
(A)旋轉方向與電刷自主磁場移位的方向相同 (B)旋轉方向與電刷自主磁場移位的方向相反 (C)產生的轉矩和線路電流平方成正比 (D)產生的轉矩和線路電壓平方成正比 。
複選題
56. 依據 IEEE 標準,常用保護電驛、自動控制數碼代號,下列敘述哪些正確? (A)51G 延時過電流接地保護(Time Overcurrent Ground)電驛 (B)76 直流過電流電驛 (C)87 差動(Differential)電驛 (D)94 電壓方向電驛 。
複選題
57. 如下圖所示其等效的邏輯電路為何?
(A)
(B)
(C)
(D)
。
複選題
58. 如下圖所示,A、B 為哪些類型之電機?
(A)A 為發電機 (B)A 為電動機 (C)B 為發電機 (D)B 為電動機 。
複選題
59. 下列 SCR 控制電路哪些正確? (A)
(B)
(C)
(D)
。
複選題
60. 如圖所示之真值表,下列敘述哪些錯誤?
(A)
(B)
(C)
(D)
。
複選題
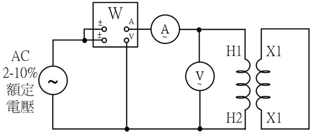
61. 如下圖所示電路可求得變壓器各項的特性值,下列敘述哪些正確?
(A)磁化支路之電導與電納 (B)銅損 (C)等效電阻 (D)等效電抗 。
複選題
62. 如下圖所示之電路,下列敘述哪些錯誤?
(A)除 2 計數器 (B)除 3 計數器 (C)除 4 計數器 (D)除 5 計數器 。
複選題
63. 下列哪些不是下圖所示之電機?
(A)交流發電機 (B)交流電動機 (C)直流發電機 (D)直流電動機 。
複選題
64. 下列哪些不是下圖所示之電機?
(A)交流發電機 (B)交流電動機 (C)直流發電機 (D)直流電動機 。
複選題
65. 下列器具的英文代號哪些正確? (A)VCB 真空斷路器 (B)GCB 油斷路器 (C)MBB 磁吹式斷路器 (D)ACB 氣衝斷路器 。
複選題
66. 有關交流矽控器(TRIAC),下列敘述中哪些正確? (A)閘極觸發信號可控制其導通狀態轉換為截止狀態 (B)降低 T
2
與 T
1
的電壓使其導通電流小於維持電流 I
H
,即可達到截止狀態 (C)閘極觸發信號其電壓無極性的限制 (D)其開啟時間 t
on
隨閘極電流之增大而減小 。
複選題
67. 有關步進馬達(Step Motor),下列敘述哪些正確? (A)旋轉角度和輸入的脈波數成正比且角度誤差小 (B)低轉速時有高的轉矩值,且靜止時很高的保持轉矩(holding torque) (C)使用閉迴路控制 (D)若步進角為 1.8°時,輸入300 個脈波訊號至馬達時,則馬達將旋轉一圈 。
複選題
68. 若步進馬達的步進角為 0.72°,欲控制其轉速為 120 rpm,則輸入的脈波頻率下列哪些錯誤? (A)500H
Z
(B)1000H
Z
(C)1500H
Z
(D)2000H
Z
。
申論題 (0)
相關試卷
114年 - 01300 工業配線 甲級 工作項目 06:高壓電纜之處理 1-22(2025/10/09 更新)#132018
114年 · #132018
114年 - 01300 工業配線 甲級 工作項目 04:可程式控制器(PLC)之應 51-112(2025/10/09 更新)#132016
114年 · #132016
114年 - 01300 工業配線 甲級 工作項目 04:可程式控制器(PLC)之應 1-50(2025/10/09 更新)#132015
114年 · #132015
114年 - 01300 工業配線 甲級 工作項目 03:檢查及故障排除 51-112(2025/10/09 更新)#132014
114年 · #132014
114年 - 01300 工業配線 甲級 工作項目 03:檢查及故障排除 1-50(2025/10/09 更新)#132013
114年 · #132013
114年 - 01300 工業配線 甲級 工作項目 02:低壓配電盤(箱)及控制盤裝置 51-109(2025/10/09 更新)#132012
114年 · #132012
114年 - 01300 工業配線 甲級 工作項目 02:低壓配電盤(箱)及控制盤裝置 1-50(2025/10/09 更新)#132011
114年 · #132011
114年 - 114-2 全國技術士技能檢定學科_甲級:01300 工業配線#129409
114年 · #129409
112年 - 112-3 全國技術士技能檢定學科_甲級:01300工業配線#123436
112年 · #123436
112年 - 112-1 全國技術士技能檢定學科_甲級:01300工業配線#123434
112年 · #123434