阿摩線上測驗
登入
首頁
>
技檢◆重機械修護-引擎-乙級
> 114年 - 02702 重機械修護(引擎) 乙級 工作項目 03:液壓系 51-100(2025/10/15 更新)#132241
114年 - 02702 重機械修護(引擎) 乙級 工作項目 03:液壓系 51-100(2025/10/15 更新)#132241
科目:
技檢◆重機械修護-引擎-乙級 |
年份:
114年 |
選擇題數:
50 |
申論題數:
0
試卷資訊
所屬科目:
技檢◆重機械修護-引擎-乙級
選擇題 (50)
51. 變量柱塞式液壓馬達增大斜盤角度時 (A)增加轉速,減低扭力 (B)增加轉速,增加扭力 (C)減低轉速,增加扭力 (D)減低轉速,減低扭力 。
52. 輸入的流量固定則液壓馬達 (A)排量大的轉速慢、扭力大 (B)排量大的轉速快、扭力大 (C)排量大的轉速快、扭力小 (D)排量大的轉速慢、扭力小 。
53. 如果液壓系統的壓力及流量均正常而液壓馬達仍有轉速太慢或扭力不足的現象可能是 (A)釋壓閥故障 (B)回油濾清器堵塞 (C)泵磨損 (D)馬達內部磨損 。
54. 挖掘機的手動安全閥主要功能是 (A)切斷主泵輸出油路 (B)使主釋壓閥保持在開啟位置 (C)切斷導引壓力油路 (D)使單向閥保持開啟位置 。
55. 內葉片式(子葉片)泵其內葉片設計的功能是 (A)增加葉片接觸面積提高排油量 (B)增加葉片接觸壓力,減少內漏 (C)平衡葉片上下壓力,減少磨損 (D)維持葉片底部與出油通口壓力相等,以保持穩定排量與壓力 。
56. 有關蓄壓器之敘述下列何者為錯誤 (A)有氣體式和彈簧式 (B)氣體式蓄壓器內所使用的氣體為氮氣 (C)氣體式蓄壓器內之氣體是否存在,可用插桿輕輕插入頂起揚上閥門來測試 (D)蓄壓器使用的目的在增加系統壓力 。
57. 有關液壓泵的敘述下列何者錯誤 (A)其功能如心臟,是工作壓力的來源(B)系統無任何阻力時,泵仍能維持最大壓力 (C)少許的內部漏油是正常的(D)壓力與主泵的角度變化無關 。
58. 當挖掘機之中心油管連接器(center joint)故障,可能產生的情形是 (A)兩邊行走速度不一致 (B)行走速度無法切換 (C)旋轉轉盤鎖死 (D)行走馬達內漏量過大 。
59. 挖掘機行走馬達所使用的配衡閥(counter balance)下列的敘述何者正確(A)避免下坡時發生過速現象 (B)設定行走馬達煞車壓力 (C)用以改變行走的速度 (D)加強爬坡時牽引力 。
60. 下列何者與液壓缸自行下墜(drift)量過大無關 (A)過負載釋放閥故障 (B)液壓缸內磨損 (C)主釋壓閥故障 (D)控制閥與滑桿間磨損,間隙過大 。
61. 行走馬達減速齒輪側,發現油量增加,可能的原因 (A)行走馬達軸承磨損,油封損壞 (B)主系統壓力過高造成 (C)齒輪箱內齒輪油壓力過高 (D)鏈輪之浮動油封損壞 。
62. 挖掘機於操作速度性能測試時,以下敘述那一項是錯誤的 (A)引擎於怠速運轉時測試 (B)液壓油需達到額定溫度 (C)引擎轉速達額定轉速 (D)測試時,操作桿操作應全行程 。
63. 下圖(虛線內)所示是何種閥
(A)補充閥(make up valve) (B)慢速回流閥(slow return valve) (C)釋放閥(relief valve) (D)配衡閥(counterbalancevalve) 。
64. 挖掘機主釋壓(main relief valve)閥故障,較容易引起下列何種現象 (A)挖掘力不足 (B)引擎過負載 (C)操作速度變慢 (D)行走偏斜 。
65. 機械保養時,於液壓油箱回油濾清器內發現銅粉,下列何者機件損壞 (A)中心油管連接器(center joint) (B)主泵 (C)液壓缸 (D)控制閥 。
66. 葉片式液壓馬達葉片底端裝有彈簧(spring clip)是因為 (A)提高馬達出油壓力 (B)馬達轉速高,離心力大 (C)使葉片接觸凸輪環保持密接 (D)保持進油壓力 。
67. 那一現象與液壓系統中含有空氣無關 (A)動作器運動不規律 (B)產生噪音及震動 (C)使系統壓力不規律 (D)液壓泵轉速不規律 。
68. 下列有關釋壓閥與卸載閥的敘述何者正確 (A)兩者功用相同,只是使用位置不同 (B)釋壓閥釋放超過設定的壓力,仍然保持有工作壓力。卸載閥則將壓力釋放,沒有工作壓力 (C)釋壓閥與卸載閥都是將壓力全部釋放掉(D)卸載閥釋放超過設定的壓力,仍然保持有工作壓力。釋放閥則將壓力全部釋放掉,沒有工作壓力 。
69. 挖掘機液壓泵出口端主釋放閥之釋放壓力為 320kg/cm
2
,小臂油路安全釋放壓力為 340kg/cm
2
,為何較高 (A)小臂離油壓泵較遠,有管路損失所以較高 (B)保護小臂油壓缸不受突發的過高壓力衝擊而受損 (C)防止挖斗挖掘過多的負荷會使小臂無法支撐而下降 (D)可以使小臂伸出縮回的速度較快些 。
70. 下列敘述何者與挖掘機上機體旋轉動作不順暢無關 (A)旋迴減速機損壞(B)煞車電磁閥不良 (C)安全閥設定壓力過高 (D)導引(Pilot)壓力過低 。
71. 挖掘機工作速度慢,下列敘述何者不正確 (A)引擎轉速未達額定轉速 (B)導引(pilot)壓力過低 (C)主釋放閥設定壓力過低 (D)配衡閥設定壓力過低 。
72. 輪型裝載機液壓變速箱會產生潤滑油增加現象,可能原因 (A)冷卻器損壞(B)液壓缸內漏 (C)操作油泵損壞 (D)過濾器堵塞 。
73. 柱塞式油壓馬達改變柱塞行程可改變其 (A)熱效率 (B)轉速 (C)轉向 (D)壓力 。
74. 液壓油溫度異常上升的可能原因是 (A)泵轉速太慢 (B)卸壓閥設定壓力太低 (C)黏度太高 (D)液壓油位太高 。
75. 液壓系統中壓力控制閥,主要功用在決定 (A)力的速度 (B)力的大小 (C)力的方向 (D)力的距離 。
76. 液壓油黏度太高則 (A)容易乳化 (B)抗著火性差 (C)油溫易升高 (D)壓縮率低 。
77. 下圖為挖掘機液壓泵 P-Q 曲線,下列敘述何者錯誤?
(A)P-Q 曲線為壓力與流量的曲線 (B)該曲線為可變流量泵,壓力於 190kg/cm
2
泵的角度開始增加 (C)泵的最大流量為 260L/min (D)該挖掘機設定的壓力為350kg/cm
2
。
78. 一部 20 噸級油壓挖掘機,系統壓力為 300kg/cm2,請問下列何者正確 (A)小臂挖入和揚出力量相同 (B)小臂挖入比揚出力量大 (C)小臂揚出比挖入力量大 (D)挖入速度較伸出快 。
79. 如下圖所示,A 與 B 同時輸入液壓油壓力均為 250kg/cm
2
,請問活塞桿往何處移動
(A)不動 (B)往右 (C)往左 (D)壓力大小與活塞桿移動無關 。
80. 挖掘機在破碎機油路中裝置回油濾清器,主要功用在保護 (A)破碎機 (B)液壓泵 (C)控制閥 (D)行走馬達 。
81. 挖掘機液壓系統中單獨一支油壓缸會下墜,是因為下列那一種主件可能不良 (A)主釋放閥 (B)單向閥 (C)安全閥 (D)減壓閥 。
82. 如下圖所示,A 與 B 輸入液壓油流量均為 150L/min,請問 A 與 B 那一油壓缸移動速度較快
(A)A 較快 (B)B 較快 (C)A、B 一樣快 (D)流量速度無關 。
83. 當挖掘機一發動引擎,右行走馬達便自行移動,請問下列何者損壞 (A)中心油管連接器(center joint)油封 (B)方向控制閥滑桿卡住 (C)行走馬達損壞(D)響導泵磨損 。
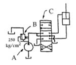
84. 如下圖所示,下列何者敘述錯誤
(A)控制閥為中立位置 (B)A 為泵是液壓泵(C)B 為減壓閥,設定壓力為 250kg/cm
2
(D)C 為控制閥,功能在改變油的方向與流量 。
85. 某液壓缸內徑 40mm,假設活塞本身重量及磨擦力不計,液壓油流回壓力 P
2
=2kgf/cm
2
,若欲產生 250kgf 推力,其所需液壓油壓力 P
1
為多少kgf/cm
2
? (A)16.3 (B)17.4 (C)19.9 (D)20.5 。
86. 正確的油管安裝為 (A)
(B)
(C)
(D)
。
87. 圖示閥桿上細紋溝槽功用是
(A)減少閥桿膠著現象 (B)防止閥桿變形 (C)防止閥桿洩漏 (D)減少閥桿滑動現象 。
88. 挖掘機測試系統壓力在正常情況下,當大臂液壓缸至行程終點時,壓力表指示壓力為 (A)安全閥壓力 (B)主釋壓閥壓力 (C)過負載閥壓力 (D)減壓閥壓力 。
89. 液壓缸組合安裝後排放空氣時引擎應於 (A)高速運轉 (B)低怠速運轉 (C)中速運轉 (D)靜止狀態 。
90. 挖掘機挖臂之分路釋壓閥設定壓力與主系統釋壓閥壓力比較 (A)分路釋壓閥壓力較高 (B)主釋壓閥壓力較高 (C)兩者一樣高 (D)兩者無關 。
91. 下列何者不會造成液壓泵輸出流量不足 (A)油溫過高 (B)吸入空氣 (C)回油濾清器堵塞 (D)轉速不足 。
92. 液壓系統高溫下操作不會造成 (A)泵體產生震動 (B)密封材質易破損 (C)液壓油易氧化 (D)作動速度變慢 。
93. 液壓系中流量大且進油口和出油口壓力差較大時,則進油口和出油口油溫 (A)相差大 (B)相差小 (C)相同 (D)沒有影響 。
94. 液壓缸配裝導引式單向閥時,其主要功用為 (A)加速 (B)減速 (C)鎖定 (D)增壓 。
95. 液壓油過濾器芯子,其濾紙孔徑之單位為微米(μm)是指 (A)千分之一公分 (B)二萬伍仟分之一公厘 (C)百分之一公厘 (D)千分之一公厘 。
96. 蓄壓器(Accumulator)中氣囊內所充填的壓力是 (A)大於液壓系統主壓力(B)小於液壓系統主壓力 (C)等於液壓系統安全閥壓力 (D)大於安全閥壓力 。
97. 內接齒輪式液壓泵,其主動齒輪的齒數比外環齒輪的齒數 (A)多一齒 (B)少一齒 (C)齒數相同 (D)多二齒 。
98. 用 2 支 10cm
2
直徑的液壓缸舉升 1000kg 的重物時,其所需要的壓力(kg/cm
2
)的計算方式為 (A)1000÷(25×3.14) (B)1000÷(100×3.14) (C)1000÷(2×10×3.14) (D)1000÷(2×25×3.14) 。
99. 液壓煞車總泵內防止門,在煞車踏板放鬆後,其主要功用為 (A)分送煞車油至各分泵 (B)使煞車管路中保持一定壓力 (C)使各分泵內之煞車油很快流回總泵 (D)增加壓力 。
100. 挖臂會自行下墜的可能原因是 (A)泵內漏 (B)液壓缸內漏 (C)油箱內漏 (D)系統有空氣 。
申論題 (0)
相關試卷
114年 - 02702 重機械修護(引擎) 乙級 工作項目 05:氣壓系、煞車系、轉向系 1-62(2025/10/15 更新)#132246
114年 · #132246
114年 - 02702 重機械修護(引擎) 乙級 工作項目 04:傳動系、承載系、安全衛生 101-140(2025/10/15 更新)#132245
114年 · #132245
114年 - 02702 重機械修護(引擎) 乙級 工作項目 04:傳動系、承載系、安全衛生 51-100(2025/10/15 更新)#132244
114年 · #132244
114年 - 02702 重機械修護(引擎) 乙級 工作項目 04:傳動系、承載系、安全衛生 1-50(2025/10/15 更新)#132243
114年 · #132243
114年 - 02702 重機械修護(引擎) 乙級 工作項目 03:液壓系 101-144(2025/10/15 更新)#132242
114年 · #132242
114年 - 02702 重機械修護(引擎) 乙級 工作項目 03:液壓系 1-50(2025/10/15 更新)#132240
114年 · #132240
114年 - 02702 重機械修護(引擎) 乙級 工作項目 02:電控系 51-96(2025/10/15 更新)#132239
114年 · #132239
114年 - 02702 重機械修護(引擎) 乙級 工作項目 02:電控系 1-50(2025/10/15 更新)#132238
114年 · #132238
114年 - 02702 重機械修護(引擎) 乙級 工作項目 01:引擎系 151-176(2025/10/15 更新)#132237
114年 · #132237
114年 - 02702 重機械修護(引擎) 乙級 工作項目 01:引擎系 101-150(2025/10/15 更新)#132236
114年 · #132236