阿摩線上測驗
登入
首頁
>
技檢◆配電線路裝修-甲級
> 114年 - 04000 配電線路裝修 甲級 工作項目 01:電工專業知識 101-150(2025/10/23 更新)#132560
114年 - 04000 配電線路裝修 甲級 工作項目 01:電工專業知識 101-150(2025/10/23 更新)#132560
科目:
技檢◆配電線路裝修-甲級 |
年份:
114年 |
選擇題數:
50 |
申論題數:
0
試卷資訊
所屬科目:
技檢◆配電線路裝修-甲級
選擇題 (50)
101. 一 RLC 並聯電路如下圖,電源電流 Is 為最小時,電容抗 Xc 為
(A)2Ω (B)3Ω (C)4Ω (D)5Ω 。
102. 一 RLC 並聯電路如下圖,電源電流(I)為
(A)10∠37°A (B)10∠-37°A (C)10∠53°A (D)10∠-53°A 。
103. RLC 並聯電路中,線路頻率高於諧振頻率時 (A)線路呈「電容性」,電壓相位滯後電流 (B)線路呈「電容性」,電壓相位導前電流 (C)線路呈「電感性」,電壓相位滯後電流 (D)線路呈「電感性」,電壓相位導前電流 。
104. 下圖係
(A)LC 串聯電路電流與頻率關係曲線圖 (B)LC 並聯電路電流與頻率關係曲線圖 (C)RLC 串聯電路電流與頻率關係曲線圖 (D)RLC 並聯電路電流與頻率關係曲線圖 。
105. 一 RLC 並聯電路如下圖,接於交流電源,流經電流計之電流為
(A)2.2A (B)4.4A (C)8.8A (D)17.6A 。
106. 如下圖所示 RLC 並聯電路,當電路諧振時,下列何者正確?
(A)Z=0.05Ω (B)I=5A (C)I
1
=0A (D)P=500W 。
107. 如下圖所示 RLC 串聯電路,下列敘述何者正確?
(A)平均功率 P=1000W(B)視在功率 S=1000VA (C)功率因數 PF=0.5 (D)電流均方根值 I=5A 。
108. 如下圖所示電路,若可變電感器 X
L
由 140Ω起持續增加,則電流 I 之變化為
(A)增大 (B)減小 (C)先減小後將再增加 (D)先增大後將再減小 。
109. 平衡三相負載之電路,其總功率等於其任一相電功率之(A)1 倍 (B)
2 倍 (C)
3 倍 (D)3 倍 。
110. 二具額定電壓 100V 容量 500W 之電熱器串聯後接於 110V 電源,則該二電熱器消耗電力共約為 (A)302 W (B)604 W (C)1000 W (D)1210 W 。
111. 220 伏特、400 瓦特之燈泡接於 110 伏特電源時,其所耗電力為 (A)100瓦特 (B)110 瓦特 (C)200 瓦特 (D)220 瓦特 。
112. 二具額定電壓 100V 容量 250W 之電熱器併聯後接於 120V 電源,則該二電熱器消耗電力共約為 (A)250 W (B)500 W (C)720 W (D)940 W 。
113. 如下圖,單相三線 200/100V 線路供 A、B 兩盞白熾燈,A 燈額定為100V400W,B 燈額定為 100V100W,如中性線中斷,則 A 燈消耗功率約為
(A)200W (B)100W (C)75W (D)65W 。
114. 如下圖,單相三線 200/100V 線路供 A、B 兩盞白熾燈,A 燈額定為100V400W,B 燈額定為 100V100W,如中性線中斷時,則 B 燈消耗功率約為
(A)100W (B)200W (C)250W (D)300W 。
115. 線電壓為 220V 之平衡三相△線路,接入每相阻抗均為 26∠30°Ω之負載,其總電功率為 (A)4840 W (B)8383 W (C)14520 W (D)17460 W 。
116. 一平衡三相 Y 結線負載,線電壓為 210V、每相阻抗均為 8.66∠30°Ω,其線電功率為 (A)4410 W (B)7638 W (C)13230 W (D)17460 W 。
117. 某三相平衡負載電路,相阻抗 Z=12∠60°Ω,線電壓為 240V,則此負載消耗總有效功率為 (A)7200W (B)4800W (C)8300W (D)14400W 。
118. 交流電路中電源電壓 v=200∠60°,電流 I=40∠30°,則視在功率為 (A)16000VA (B)8000
3VA (C)8000VA (D)4000
3VA 。
119. 某阻抗之電壓及電流皆為正弦波,電壓¯V=100∠53° V,電流¯I=10∠37°A,則該電路之虛功率 (A)1200VAR (B)960VAR (C)0VAR (D)1000VAR 。
120. 如下圖所示結三相平衡之 Y 電路,其負載平均消耗功率為
(A)15kW (B)5kW (C)8kW (D)5
3kW 。
121. 如下圖所示三相平衡之Δ電路,其負載平均消耗功率為
(A)5kW (B)15kW(C)5
3kW (D)8kW 。
122. 一 4 歐姆之電阻器流通 i(t)= 10sinωt 安培之電流,其消耗功率為 (A)400瓦特 (B)240 瓦特 (C)200 瓦特 (D)800 瓦特 。
123. 一交流正弦波電路,其電壓與電流之最大值分別為 100V 及 20A,則其視在功率為 (A)2000VA (B)4000VA (C)1000VA (D)500VA 。
124. 一交流電源供給一電感性負載用電,測得有效功率 500W 與無效功率500VAR,則其視在功率約為 (A)700kVA 電壓導前電流 (B)700kVA 電壓滯後電流 (C)500kVA 電壓導前電流 (D)500kVA 電壓滯後電流 。
125. 3ψ4W 6.6/11.4kV 系統,線路負載為 1000kVA 時,功率因數為 0.8,則其無效功率為 (A)400kVAR (B)600kVAR (C)800kVAR (D)1200kVAR 。
126. 如下電路圖,線路損失為
(A)1.1kW (B)2.2kW (C)3.3kW (D)4.4kW 。
127. 一單相低壓配電線路供給 220 伏特、50,000 瓦特之負載,其功率因數為0.6 電流滯後,若兩條導線之電阻均為 0.02 歐姆,則該線路之線路損失約為 (A)2,870 瓦特 (B)5,740 瓦特 (C)800 瓦特 (D)600 瓦特 。
128. 假設一配電線路於三相平衡時之平均電流為 D,且各相線路電阻皆為R,當發生三相不平衡時, A 相電流為(D + I)、B 相之電流為 D、C 相電流為(D - I),則該線路損失會增加 (A)I
2
R (B)2I
2
R (C)4I
2
R (D)8I
2
R 。
129. 額定為 50kVA 之變壓器,滿載時銅損為 800W、鐵損為 200W,當 P.f 為1、負載為 25kW 時,其效率約為 (A)95.2% (B)97.8% (C)98.4% (D)99.6% 。
130. 一單相變壓器額定 60Hz、50kVA、6.6kV/220V,滿載銅損為 4000 W,鐵損為 1000 W,負載功因 0.9 ,其滿載損失比為 (A)25% (B)40% (C)28%(D)22.5% 。
131. 一單相變壓器額定 60Hz、50kVA、6.6kV/220V,滿載銅損為 4000 W,鐵損為 1000 W,負載功因 0.9,其滿載效率為 (A)90% (B)90.9% (C)91.8%(D)97.8% 。
132. 一單相變壓器額定 60Hz、50kVA、6.6kV/220V,滿載銅損為 4000 W,鐵損為 1000 W,負載功因 0.9 ,其半載效率為 (A)91.8% (B)88.2% (C)81.8% (D)90.9% 。
133. 一單相變壓器額定 60Hz、50kVA、6.6kV/220V,滿載銅損為 4000 W,鐵損為 1000 W,負載功因 0.9 ,當負載量為多少時,可產生最大效率?(A)22.5 kVA (B)24.5 kVA (C)23.5 kVA (D)25 kVA 。
134. 一阻抗為 5%之 3 ψ 500kVA 變壓器,以 1,000kVA 為基值時,該阻抗標么值為 (A)0.05P.U. (B)0.1P.U. (C)0.5P.U. (D)1P.U. 。
135. 以右手握導線,若姆指指電流方向,其餘則四指彎曲的方向即為磁場的方向,此即為 (A)法拉第右手定律 (B)安培右手定則 (C)歐姆定律 (D)佛來銘右手定則 。
136. 電子在導體中實際移動速率 (A)極低 (B)約與光速相等 (C)較光速低,但比音速高 (D)與音速相等 。
137. 電力學之論述,下列敘述何者錯誤? (A)電流由高電位流向低電位 (B)電路之電壓不變,電流與電路電阻成正比 (C)電路之電壓不變,電流與電路電阻成反比 (D)I=E/R 為歐姆定律 。
138. 電流由電源出發,沿線路不經負載直接回歸電源處,謂之 (A)開路 (B)短路 (C)過載 (D)閉路 。
139. 一電路電壓為 200 伏,接入一組三個 6 歐姆電阻器後電源電流為 50 安,則該組電阻器之排列應為 (A)兩者並聯後與另一串聯 (B)三者並聯 (C)兩者串聯後再與另一並聯 (D)三者串聯 。
140. 交流電路以金屬管配置者,同一回路之全部電線原則上應穿設於同一管內,以維持 (A)感抗 (B)容抗 (C)電磁 (D)阻抗 平衡。
141. 如下交流電路圖,若電源(AC)頻率由零逐漸增大,則電燈泡將會
(A)漸漸增亮 (B)漸漸變暗 (C)先增亮後變暗 (D)先變暗後增亮 。
142. 加電源電壓 DC220 伏特於一線圈,測得線路電流為 27.5 安培,若改接於 AC 220 伏特電壓電源,測得電流為 22 安培,則此線圈為 (A)R= 8Ω、X
L
= 2Ω (B)R= 6Ω、X
L
= 8Ω (C)R= 8Ω、X
L
= 6Ω (D)R= 8Ω、X
L
= 10Ω 。
複選題
143. 正弦波、方波、三角波等三種交流電源,如其峰值(Vm)均相同,分別點亮同一盞白熾燈泡時,其亮度之比較何者正確? (A)方波>正弦波 (B)正弦波>三角波 (C)三角波>方波 (D)三種波一樣亮 。
複選題
144. 一電阻器 5 歐姆,外加 100 伏特電壓,則流過之電流 I 和消耗之功率 W各為多少? (A)I=20A (B)I=10A (C)W=2000W (D)W=1000W 。
複選題
145. 如下圖所示,電感 L
1
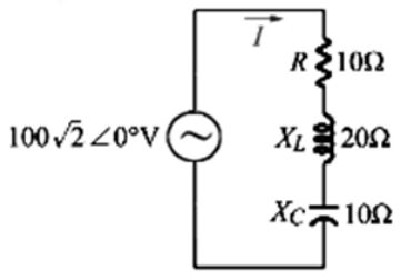
=5H、L
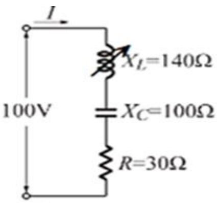
2
=3H、互感 M=1H,其電感 Lab 為
(A)L
1
與 L
2
互感值為正 (B)L
1
與 L
2
互感值為負(C)Lab=10H (D)Lab=6H 。
複選題
146. LC 串聯電路,電源頻率(f)<諧振頻率(fo)時,該電路頻率與電路特性間之關係,下列敘述何者正確? (A)電感電抗(X
L
)<電容電抗(X
C
),電感器二端電壓(V
L
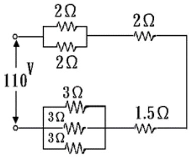
) <電容器二端電壓(V
C
) (B)電源電壓相位領先電路電流相位90°,電路呈電感性 (C)電路總阻抗大小會隨著頻率增加而減少 (D)電路電流大小會隨著頻率增加而增加 。
複選題
147. LC 串聯電路,電源頻率(f)=諧振頻率(fo)時,該電路頻率與電路特性間之關係,下列敘述何者正確? (A)fo=1/(2πLC) (B)電感電抗(X
L
)=電容電抗(X
C
),電感器二端電壓(V
L
)=電容器二端電壓(V
C
) (C)電路總阻抗大小等於零(最小值) (D)電路電流大小為無限大(最大值) 。
複選題
148. LC 串聯電路,電源頻率(f)>諧振頻率(fo)時,該電路頻率與電路特性間之關係,下列敘述何者正確? (A)電感電抗(X
L
)<電容電抗(X
C
),電感器二端電壓(V
L
)<電容器二端電壓(V
C
) (B)電源電壓相位領先電路電流相位90°,電路呈電感性 (C)電路總阻抗大小會隨著頻率增加而增加 (D)電路電流大小會隨著頻率增加而減少 。
複選題
149. LC 並聯電路,電源頻率(f)<諧振頻率(fo)時,該電路頻率與電路特性間之關係,下列敘述何者正確? (A)電感電抗(X
L
)>電容電抗(X
C
),流經電感器電流(I
L
)<流經電容器電流(I
C
) (B)電源電壓相位滯後電路電流相位 90°,電路呈電容性 (C)電路總阻抗大小會隨著頻率增加而增加 (D)電路電流大小會隨著頻率增加而減少 。
複選題
150. LC 並聯電路,電源頻率(f)=諧振頻率(fo)時,該電路頻率與電路特性間之關係,下列敘述何者正確? (A)電感電抗(X
L
)=電容電抗(X
C
) (B)流經電感器電流(I
L
)=流經電容器電流(I
C
) (C)電路總阻抗為零(最小值) (D)電路電流大小為無窮大(最大值) 。
申論題 (0)
相關試卷
114年 - 04000 配電線路裝修 甲級 工作項目 05:活線作業 51-83(2025/10/23 更新)#132575
114年 · #132575
114年 - 04000 配電線路裝修 甲級 工作項目 05:活線作業 1-50(2025/10/23 更新)#132574
114年 · #132574
114年 - 04000 配電線路裝修 甲級 工作項目 04:配電設備 101-123(2025/10/23 更新)#132573
114年 · #132573
114年 - 04000 配電線路裝修 甲級 工作項目 04:配電設備 51-100(2025/10/23 更新)#132572
114年 · #132572
114年 - 04000 配電線路裝修 甲級 工作項目 04:配電設備 1-50(2025/10/23 更新)#132571
114年 · #132571
114年 - 04000 配電線路裝修 甲級 工作項目 03:地下配電施工與運轉維護 101-150(2025/10/23 更新)#132570
114年 · #132570
114年 - 04000 配電線路裝修 甲級 工作項目 03:地下配電施工與運轉維護 51-100(2025/10/23 更新)#132569
114年 · #132569
114年 - 04000 配電線路裝修 甲級 工作項目 03:地下配電施工與運轉維護 1-50(2025/10/23 更新)#132568
114年 · #132568
114年 - 04000 配電線路裝修 甲級 工作項目 02:架空外線施工與運轉維護 251-311(2025/10/23 更新)#132567
114年 · #132567
114年 - 04000 配電線路裝修 甲級 工作項目 02:架空外線施工與運轉維護 201-250(2025/10/23 更新)#132566
114年 · #132566