阿摩線上測驗
登入
首頁
>
技檢◆配電線路裝修-甲級
> 114年 - 04000 配電線路裝修 甲級 工作項目 01:電工專業知識 51-100(2025/10/23 更新)#132559
114年 - 04000 配電線路裝修 甲級 工作項目 01:電工專業知識 51-100(2025/10/23 更新)#132559
科目:
技檢◆配電線路裝修-甲級 |
年份:
114年 |
選擇題數:
50 |
申論題數:
0
試卷資訊
所屬科目:
技檢◆配電線路裝修-甲級
選擇題 (50)
51. 一單相交流電路,電源電壓為 v(t)=200sin(300t+30°)V,負載消耗之平均功率為 4kW,功率因數為 0.8 滯後,若要將該電路之功率因數提高至1.0,則需並聯多少電容量之電容器? (A)250μF (B)667μF (C)500μF (D)300μF 。
52. 一交流電源供給一電感性負載用電,測得有效功率 500W 與無效功率500VAR,則其功率因數為 (A)0.707 領先 (B)0.5 落後 (C)0.707 落後 (D)0.5領先 。
53. 3ψ4W11,400 伏特高壓用戶,其負載為 1,200kW 功率因數為 0.8,欲將功率因數提高至 1,則需增加之電容器容量為 (A)600 kVAR (B)700 kVAR(C)800 kVAR (D)900 kVAR 。
54. 3ψ4W 11.4kV 線路負載電流 50A 時,消耗功率為 800kW,則其功率因數為 (A)91% (B)81% (C)71% (D)61% 。
55. 純電容性負載之特性為 (A)電流超前電壓相位 90° (B)電壓超前電流相位 90° (C)電流與電壓同相位 (D)電壓超前電流相位 30° 。
56. 某線圈接入直流 100 伏特電壓時,通過電流為 25 安培,接入 100 伏特交流電壓時,電流為 20 安培,此線圈之感抗為 (A)1Ω (B)2Ω (C)3Ω (D)4Ω 。
57. 一線圈之電阻為 30Ω,在電源頻率為 50Hz 時,總阻抗為 50Ω,當電源頻率調為 200Hz 時,該線圈電之感抗為 (A)100Ω (B)120Ω (C)140Ω (D)160Ω 。
58. 一 RL 串聯電路,電阻 R=4Ω,感抗 XL=3Ω,下列敘述何者正確? (A)總阻抗為 7Ω (B)電壓滯後電流 53 度 (C)電壓超前電流 53 度 (D)總阻抗為 5Ω 。
59. 一 RL 串聯電路,電源 v(t)=100 sin377t、電阻 R=10Ω、電流 i=5A,該電路之總阻抗為多少歐姆? (A)20∠0° (B)20∠30° (C)20∠45° (D)20∠ 60° 。
60. 下圖係
(A)LC 串聯電路電流與頻率關係曲線圖(B)LC 並聯電路電流與頻率關係曲線圖 (C)RLC 串聯電路電流與頻率關係曲線圖 (D)RLC 並聯電路電流與頻率關係曲線圖 。
61. 一 RC 串聯電路,電源電壓 v=100 伏特、阻抗 R=10Ω、容抗 Xc=10Ω,則電源電流為多少安培( A )? (A)5A (B)5
2A (C)5
3A (D)10
2A 。
62. 如下圖所示 RC 串聯電路,則
(A)平均功率 P=1000W (B)無效功率絕對值 Q=2000VAR (C)電流均方根值 I=10A (D)功率因數 PF=0.5 。
【已刪除】63. (本題刪題)一 RL 串聯電路如下圖,R=10Ω,接入電源 v(t)=100 sin377t後,電路電流 i=5A,則電抗 X
L
為
(A)10Ω (B)10
3Ω (C)10
2Ω (D)20Ω 。
64. (本題刪題)有一 RL 串聯電路如下圖,R=10Ω,接入電源 v(t)=100
sin377t,其中,電路電流 i=5A,則阻抗 Z 為
(A)20∠60°Ω (B)20∠45°Ω (C)20∠30°Ω (D)20∠37°Ω 。
65. LC 並聯電路中,線路頻率低於諧振頻率時 (A)線路呈「電容性」,電壓相位滯後電流 (B)線路呈「電容性」,電壓相位導前電流 (C)線路呈「電感性」,電壓相位滯後電流 (D)線路呈「電感性」,電壓相位導前電流 。
66. RL 並聯電路中,R=10Ω,X
L
=10Ω,電源電壓 V=100 伏特,則電源電流為 (A)5A (B)5
2A (C)10
2A (D)10A 。
67. 一 RC 並聯電路如下圖,保險絲容量為 10 安培,可調電容器之電容量設定於 100μF 時, I
C
=2A,為確保保險絲不致熔斷,則電容量須設定於何範圍內?
(A)200μF 以下 (B)300μF 以下(C)400μF 以下 (D)500μF 以下 。
68. RC 並聯電路中,電阻 R=4Ω,電容抗 XL=3Ω,則電路總阻抗為 (A)2.4∠-53°Ω (B)2.4∠53°Ω (C)2.4∠-37°Ω (D)2.4∠37°Ω 。
69. 一 RC 並聯電路,電源電壓 v=100 伏特、阻抗 R=10Ω、容抗 Xc=10Ω,則電源電流為多少安培( A )? (A)5A (B)5
2A (C)5
3A (D)10
2A 。
70. 如下圖所示 RC 並聯電路,該電路之功率因數為
(A)0.87 (B)0.80 (C)0.71 (D)0.50 。
71. 將 15Ω電阻和 50μF 電容並聯後,接於角速度 1000 rad/sec、電壓 80∠0°V 之電源,則其電抗功率為 (A)960 VAR (B)640 VAR (C)160 VAR (D)320VAR 。
72. 一 110 伏特、60 赫茲單相電源之電路,接入由電阻與電容並聯組成之負載,測得負載電流 10 安培及 550 瓦特之功率,則此負載電流與電壓之關係為 (A)電流滯後電壓 60° (B)電流超前電壓 30° (C)電流超前電壓 60° (D)電流滯後電壓 30° 。
73. 一 20Ω電阻和 10Ω感抗並聯之交流電路,當電源頻率提升時,其總電流將 (A)下降 (B)上升 (C)不一定 (D)不變 。
74. 下圖電路中,J 為定電流電源,R1=3Ω,R2=6Ω,R 為 6、9、12 及 15Ω四檔可調式變阻器,當 R 調整至_____時,其所消耗電力最大。
(A)6Ω (B)9Ω (C)12Ω (D)15Ω
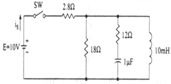
75. 如下電路圖,開關 SW 未投入前,電容電量為零庫侖、電感磁通量為零韋伯,當開關 SW 投入(ON)瞬間,流經 18Ω電阻之電流為
(A)0.2A (B)0.3A (C)0.4A (D)0.5A 。
76. 一電路如下圖,當開關 SW 閉合,電路穩定後,其電流 I 為
(A)1.2A (B)2A (C)3A (D)4A 。
77. 一 RLC 串並聯電路如下圖,R=3Ω、X
L
=4Ω、X
C
=2Ω、電流 I
L
= 4.5∠0°A 安培,則電阻電流 I
R
為
(A)2A (B)4A (C)6A (D)8A 。
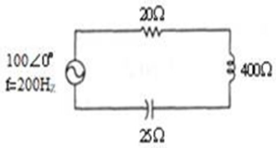
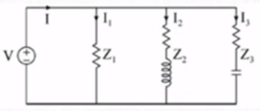
78. 交流電路如下圖,v=1200∠0゜V、Z
1
=60+j0Ω、Z
2
=45+j12Ω、Z
3
=30-j24Ω,則 Z
1
所吸收之功率為
(A)72kW (B)24kW (C)20kW (D)12kW 。
79. R-L-C 串聯電路中,當發生共振時,電路之電流為 (A)最大 (B)最小 (C)零(D)時大時小 。
80. 有一 R-L-C 串聯電路,電源電壓為 120 伏特,線路電阻為 6 歐姆、感抗為 12 歐姆、容抗為 4 歐姆,則流通該電路之電流為 (A)8 安培 (B)10 安培(C)12 安培 (D)16 安培 。
81. 有一 RLC 串聯電路,當線路形成共振現象時,其共振頻率為 (A)
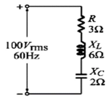
(B)
(C)
(D)
。
82. 一 RLC 串聯電路,R=100Ω、L=0.1H、C=100μF,則諧振頻率為 (A)50Hz (B)100 Hz (C)150 Hz (D)200 Hz 。
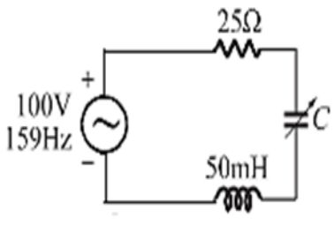
83. 一 RLC 串聯電路如下圖,當電源電壓為 10∠0°、電源電流為 1∠0°時,電源頻率為
(A)1/πHz (B)10/πHz (C)100/πHz (D)1000/πHz 。
84. 下列何者非 RLC 串聯電路諧振時所具有的特性? (A)電路阻抗 Z=R (B)電路阻抗最大 (C)功率因數 P.F.=1 (D)Xc=X
L
。
85. 一 RLC 串聯電路,阻抗 R=5Ω、電感 L=0.5mH、電容 C=0.2μF,電源電壓 Vs=20 伏特,電路諧振時電感電壓為 (A)100V (B)200V (C)300V (D)400V 。
86. 一 RLC 串聯電路如下圖,該電路總阻抗為
(A)5∠53°Ω (B)5∠-53°Ω (C)5∠37°Ω (D)5∠-37°Ω 。
87. 一 RLC 串聯電路如下圖,當頻率為 200H
Z
時,X
C
=-j25Ω、X
L
=j400Ω,當頻率諧振時,該電路電流為
(A)4A (B)0.25A (C)0.22A (D)5A 。
88. 一 RLC 串聯電路,當頻率 5kHz 時,阻抗 R=20Ω、感抗 X
L
=25Ω、容抗 X
C
=36W,若調整頻率使電路諧振,則諧振頻率為 (A)3.5kHz (B)4.2kHz (C)6kHz (D)7.2kHz 。
89. 下圖係
(A)LC 串聯電路電流與頻率關係曲線圖 (B)LC 並聯電路電流與頻率關係曲線圖 (C)RLC 串聯電路電流與頻率關係曲線圖 (D)RLC 並聯電路電流與頻率關係曲線圖 。
90. 如下圖 RLC 串聯電路,當電路諧振時,電流 i(t)為
(A)10sin (10t)A (B)sin (10t - 45°)A (C)sin(10t)A (D)( D )10sin (10t - 45°)A 。
91. 如下圖所示 RLC 串聯電路,當電流為最大值時,C 值為
(A)20μF (B)10μF (C)50μF (D)1000μF 。
92. 一頻率為 50Hz 之 RLC 電路,測得 R=10Ω、X
L
= 400Ω、X
C
=256Ω,欲使該電路之功率因數等於 1 時,則必須調整頻率至 (A)100Hz (B)80Hz (C)60Hz (D)40Hz 。
93. 一電路為 100V、50 Hz、R = 5Ω、X
L
= 100Ω、X
C
= 1Ω之 RLC 串聯電路,其諧振頻率為 (A)6Hz (B)4Hz (C)3Hz (D)5Hz 。
94. 如下圖 RLC 串聯電路,其視在功率為
(A)1200VA (B)960VA (C)900VA (D)720VA 。
95. 如下圖所示 RLC 串聯電路,其消耗功率為
(A)1200W (B)1600W (C)2000W (D)2400W 。
96. 如下圖所示電路,其阻抗為
(A)50Ω電壓導前電流 (B)70Ω電壓導前電流 (C)50Ω電壓滯後電流 (D)70Ω電壓滯後電流 。
97. 如下圖所示電路,若可變電阻器 R 由 30Ω起持續增加,電路之功率因數變化為
(A)增大 (B)先增大後再減小 (C)減小 (D)先減小後再增加 。
98. 如下圖 RLC 串聯電路,當電路諧振時,電感 L 為
(A)100H (B)0.1H (C)10H (D)1H 。
99. 下列電路圖中之電流 I 為
(A)60A (B)40A (C)30A (D)20A 。
100. 一 RLC 並聯諧振電路,E=100V、R=200Ω、X
L
=20Ω,此電路之電容電流為 (A)1A (B)2A (C)5A (D)10A 。
申論題 (0)
相關試卷
114年 - 04000 配電線路裝修 甲級 工作項目 05:活線作業 51-83(2025/10/23 更新)#132575
114年 · #132575
114年 - 04000 配電線路裝修 甲級 工作項目 05:活線作業 1-50(2025/10/23 更新)#132574
114年 · #132574
114年 - 04000 配電線路裝修 甲級 工作項目 04:配電設備 101-123(2025/10/23 更新)#132573
114年 · #132573
114年 - 04000 配電線路裝修 甲級 工作項目 04:配電設備 51-100(2025/10/23 更新)#132572
114年 · #132572
114年 - 04000 配電線路裝修 甲級 工作項目 04:配電設備 1-50(2025/10/23 更新)#132571
114年 · #132571
114年 - 04000 配電線路裝修 甲級 工作項目 03:地下配電施工與運轉維護 101-150(2025/10/23 更新)#132570
114年 · #132570
114年 - 04000 配電線路裝修 甲級 工作項目 03:地下配電施工與運轉維護 51-100(2025/10/23 更新)#132569
114年 · #132569
114年 - 04000 配電線路裝修 甲級 工作項目 03:地下配電施工與運轉維護 1-50(2025/10/23 更新)#132568
114年 · #132568
114年 - 04000 配電線路裝修 甲級 工作項目 02:架空外線施工與運轉維護 251-311(2025/10/23 更新)#132567
114年 · #132567
114年 - 04000 配電線路裝修 甲級 工作項目 02:架空外線施工與運轉維護 201-250(2025/10/23 更新)#132566
114年 · #132566