所屬科目:初等/五等/佐級◆電子學大意
1 有關金氧半場效電晶體,在線性近似條件下,若元件的電場固定,當元件尺寸縮小 K 倍,則操作電壓應為何? (A)增大為 K 倍 (B)降低為(1/K)倍 (C)增大為 K2 倍 (D)降低為(1/K)2 倍
2 假設矽二極體在 25℃時,其順向跨壓為 0.7 V,則當溫度上升至 65℃時,其順向跨壓約為何? (A) 0.75 V (B) 0.7 V (C) 0.65 V (D) 0.6 V
3 磷化鎵(GaP)發光二極體(LED)發光的導通電流為 20 mA,導通電壓為 2.2 V,電路如圖所示, 要使此 LED 發光,電源應至少提供多少功率? (A) 44 mW (B) 46 mW (C) 60 mW (D) 90 mW
4 純矽半導體中摻雜下列何種元素組合活化後,其少數載子先後分別為電洞、電子? (A)硼、磷 (B)銦、磷 (C)砷、鎵 (D)鎵、銻
5 有關共集極放大電路之敘述,下列何者正確? (A)信號由集極輸入 (B)輸入電阻高 (C)射極電壓的平均值必為 0 V (D)又稱為集極隨耦器
6 一 PNP 雙極性接面電晶體,射-基極電壓= 0.6 V 時集極電流= 0.01 mA,熱電壓= 0.0259 V。當= 0.75 V 時約為何? (A) 0.33 mA (B) 0.63 mA (C) 3.28 mA (D) 6.28 mA
7 如圖所示 JFET 電路,電晶體工作於夾止飽和區,= -3 V,= 18 mA,= -2 V, 為何? (A) 1.9 V (B) 9.2 V (C) 11 V (D) 15 V
8 空乏型 MOSFET 不適合用於下列何者? (A)線性放大器 (B)壓控電感 (C)壓控電阻 (D)壓控電容
9 有關絕緣閘極雙極性電晶體(IGBT)之特性,下列何者正確? (A)輸入與輸出特性與金氧半場效電晶體(MOSFET)相似 (B)輸入與輸出特性與雙極性接面電晶體(BJT)相似 (C)輸入特性與金氧半場效電晶體(MOSFET)相似、輸出特性與雙極性接面電晶體(BJT)相似 (D)輸入特性與雙極性接面電晶體(BJT)相似、輸出特性與金氧半場效電晶體(MOSFET)相似
10 如圖所示電路,運算放大器開路電壓增益 A 為有限值,互轉阻值(Transresistance)為何?(A) (B)(C)(D)
11 有關負回授結構之運算放大器,下列敘述何者錯誤? (A)可控制電壓增益,呈現線性放大器的特性 (B)部分輸出回授至反相輸入端 (C)產生振盪輸出 (D)增加頻寬
12 如圖所示電路,= 7 V,= 7 V,PNP 雙極性接面電晶體工作於何區? (A)截止區 (B)飽和區 (C)主動區 (D)歐姆區
13 當 15 Hz 正弦波電壓輸入半波整流器,則輸出電壓的頻率為下列何者? (A) 7.5 Hz (B) 15 Hz (C) 30 Hz (D) 435 Hz
14 在全波整流器中,流經負載的直流電流等於流過每一個二極體直流電流的幾倍? (A)1倍 (B)2倍 (C) 0.5 倍 (D)4倍
15 一個稽納二極體(Zener Diode)在 40℃時的最大功率額定值為 500 mW,衰減因數為 4 mW/℃。則 稽納二極體在 90℃時消耗的最大功率值為何? (A) 100 mW (B) 150 mW (C) 200 mW (D) 300 mW
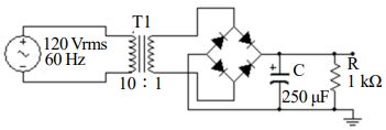
16 圖為全波橋式整流器,如果二極體視為理想。流過 1 kΩ 的電流約為何?(A) 12 mA (B) 16.9 mA (C) 24 mA (D) 7.6 mA
17 如圖所示電路,下列何者為全波整流器?(A)c與d (B)a與b (C)a與d (D)c與b
18 有一整流濾波器的直流濾波電壓為 20 V,漣波電壓的有效值為 0.4 V,則漣波因數為何? (A) 1% (B) 2% (C) 3% (D) 4%
19 如圖所示電路,假設均為理想二極體,下列敘述何者錯誤? (A)電容 C1 兩端的電壓為 Vm (B)電容 C2 兩端的電壓為 2 Vm (C)電容 C3 兩端的電壓為 3 Vm (D)電容 C4 兩端的電壓為 2 Vm
20 下圖為何種電路?(A)並聯二極體截波 (B)串聯二極體截波 (C)上箝位器 (D)下箝位器
21 如圖所示電路,假設二極體導通電壓為 0.7 V,則輸出正、負半週波形之峰值電壓分別為何?(A) 30 V、-30 V (B) 29.3 V、-29.3 V (C) 0.7 V、-0.7 V (D)皆為 0 V
22 如圖所示電路,假設二極體導通電壓為 0.7 V 及 RC 時間常數遠大於輸入訊號週期,輸入正弦波電壓 之均方根(root mean square)值為 100 V,輸出波形直流成分的電壓值為何? (A) 142 V (B) 140.7 V (C) 100 V (D) 99.3 V
23 圖示電路,= 10 V,= = 100 kΩ,Rc = 5 kΩ,= 2 kΩ,電晶體電流放大率 β = 100, = 0.7 V,則此電晶體的工作區為何? (A)截止區(Cutoff region) (B)主動區(Active region) (C)飽和區(Saturation region) (D)逆向主動區(Reverse Active region)
24 有關溫度對 BJT 電路之影響,下列敘述何者錯誤? (A)電流增益 β 值會隨溫度上升而變小,但是與集極電流 Ic 無關 (B)基極-射極電壓會隨溫度上升而下降 (C)逆向飽和電流會隨溫度上升而增加 (D)集極電流 Ic 增加時,會使集極接面溫度上升
25 有一如圖之 BJT 電路,若= 0.7 V,= 4 V,β = 99,則 R 應為何?(A) 1 kΩ (B) 10 kΩ (C) 100 kΩ (D) 165 kΩ
26 使用一接面場效電晶體設計如圖電路,此電晶體的= 9 mA,= -3 V,其汲極電流為何? (A) 1 mA (B) 2 mA (C) 3 mA (D) 4 mA
27 當考慮雙極性接面電晶體的爾利效應(Early effect)時,需在小信號模型中加入下列何種電阻? (A)(B) (C) (D)
28 有一如圖之 BJT 電路,若之阻抗可忽略,= 0.7 V,= 25 mV,β = 100,則約為何? (A)0Ω (B)26.8 Ω (C)10 kΩ (D)無窮大阻抗
29 圖中放大器電路中電晶體的 β = 99、= 100 V,熱電壓= 0.025 V,放大器的輸入電阻 約為何?(A) 2 kΩ (B) 2.5 kΩ (C) 12 kΩ (D) 12.5 kΩ
30 圖中放大器電路中電晶體的 β = 99、= 100 V,放大器輸出電阻的最接近值為何?(A) 2 kΩ (B) 5 kΩ (C) 9 kΩ (D) 10 kΩ
31 圖中放大器電路中電晶體的= 1 V,= ∞ V,= 2 mA/V2,放大器的電壓增益 vo /vi 的最接近值為何?(A) 5 V/V (B) 10 V/V (C) 20 V/V (D) 40 V/V
32 圖示為電晶體放大器的小訊號交流等效電路,其中 vi 為輸入訊號、vo為輸出訊號,則此放大器主要功 用為何?(A)電壓放大用 (B)截波器 (C)緩衝器 (D)濾波器
33 如圖為一串級放大電路,已知 Q1 和 Q2 之參數 β 均為 120,且= 5.45 kΩ,= 0.642 kΩ。電路 中的 R1 = 67.3 kΩ,R2 = 12.7 kΩ,R3 = 15 kΩ,R4 = 45 kΩ,= 10 kΩ,= 2 kΩ,= 1.6 kΩ, = 250 Ω。此電路之電壓放大率 Vo /Vi 約為何? (A) -195 (B) -95 (C) 95 (D) 195
34 下列耦合型態之串級放大器電路,何者最適合 IC 積體電路化? (A)變壓器耦合 (B) RC 耦合 (C)電感耦合 (D)直接耦合
35 如圖為某變壓器耦合串級放大電路的小訊號等效電路,電晶體的參數 β1 = β2 = 99,= 2 kΩ, = 50 kΩ。則輸出阻抗 Ro 為何?(A) 32 kΩ (B) 8 kΩ (C) 500 Ω (D) 125 Ω
36 在變壓器耦合串級放大器中,耦合變壓器的總電感抗會影響放大器的何種頻段的響應? (A)低中高頻段均不受影響 (B)高頻響應 (C)中頻響應 (D)低頻響應
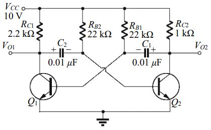
37 如圖所示振盪電路,電路振盪頻率 fo 約為何?(A) 3.28 kHz (B) 6.56 kHz (C) 32.8 kHz (D) 65.60 kHz
38 圖示為一加偏壓之非反相施密特觸發器,電路中 OPA 之輸出飽和電壓為±15 V,則其下臨界電壓 (voltage of lower threshold)為何? (A) -23/3 V (B) -7/3 V (C) 7/3 V (D) 23/3 V
39 下列何者不是構成正弦波振盪電路的要件? (A)使用負回授電路結構 (B)維持振盪訊號的相位不變 (C)維持振盪訊號的振幅不變 (D)只在所要振盪的頻率上滿足巴克豪森(Barkhausen)準則
40 如圖為施密特-方波產生器示意圖,影響高低準位和的主要元件為何?(A)R和C (B)R1 和 R2 (C)R1 和 C (D)R1、R2 和 C