所屬科目:初等/五等/佐級◆電子學大意
3 一個發光二極體(LED)發光,需要 2 V 電壓及 10 mA 電流。LED 最高可承受的電壓為 2.6 V,和瞬間電流為 200 mA,超過此限度,LED 則會燒毀。此相同的三個 LED 並聯,電路如圖所示,要使 LED 能發光,則最大限流電阻 R 應為下列何者? (A) 15 Ω (B) 280 Ω (C) 300 Ω (D) 350 Ω
6 如圖示 NPN 電晶體,VCC =7 V,VCE =3 V,此 NPN 電晶體工作於何區?
(A)順向主動區 (B)逆向主動區 (C)飽和區 (D)截止區
7 如圖所示 JFET 電路,臨界電壓為-1 V,下列何者可使電晶體工作於歐姆區? (A) VD =4.9 V,VG =3.2 V,VS =2.3 V (B) VD =6.3 V,VG =3.2 V,VS =5.1 V (C) VD =1.9 V,VG =3.2 V,VS =3.5 V (D) VD =3.7 V,VG =3.2 V,VS =6.4 V
12 如圖所示理想放大器電路,R1 =1 kΩ 且 R2 =4 kΩ,vI =2 V 時 v0 為何? (A) -0.7 V (B) -8 V (C) 0.7 V (D)8V
16 如下圖所示,假設矽二極體 D1 及 D2 的導通壓降均為 0.7 V,且 V=10 V、R1 =2 kΩ、R2 =5 kΩ,I2值為何? (A) 0.35 mA (B) 1.37 mA (C) 1.72 mA (D) 2.1 mA
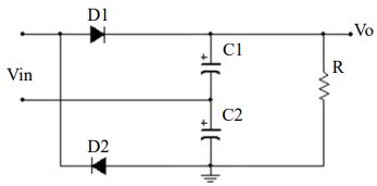
17 圖為全波倍壓電路,當輸入(Vin)是 110 Vrms 之弦波,二極體視為理想,且 R、C1、C2 值夠大。輸 出端電壓(Vo)約為何?
(A) 220 V (B) 330 V (C) 311 V (D) 155.54 V
18 中心抽頭式變壓器之全波整流器如圖,輸入信號 Vs 為峰對峰值 240 V 之弦波,二極體視為理想。輸出電壓峰值為何? (A) 60 V (B) 30 V (C) 25 V (D) 20 V
19 如圖包含二極體(D1)與稽納二極體(D2)之截波電路,D1 與 D2 在順向導通時視為理想,此截波電路輸出信號最高電壓 V1 與最低電壓 V2 分別為何? (A) V1=10 V,V2=-5 V (B) V1=10 V,V2=0 V (C) V1=0 V,V2=-10 V (D) V1=5 V,V2=-10 V
20 如圖,如果輸入信號 Vin=10sin(ωt) V,二極體視為理想。下列何者為輸出電壓 Vo 的波形? (A) (B) (C) (D)
21 電路及輸入端的電壓波形如圖所示,令二極體的切入電壓為 0.7 V,若 RC 時間常數遠大於輸入信號的週期,負載電阻 R 的輸出電壓範圍為何? (A) -0.7 V~+0.3 V (B) -0.7 V~+1.3 V (C) -1 V~+1 V (D) -1.3 V~0.7 V
22 圖中電路的 VDD =8 V,RG =1 MΩ,RS =2 kΩ,RD =2 kΩ,接面場效電晶體的 IDSS =4 mA,汲極電流為 1 mA,電晶體的 VGS(TH)為何? (A) -2 V (B) -3 V (C) -4 V (D) -5 V
24 圖中電路電晶體操作在主動區,當電流 IC =1 mA 時,VBE =0.7 V。現使用固定電流源 2.72 mA 做偏壓, 射極電壓 VE 的最接近值為何? (A) -0.7 V (B) -0.73 V (C) -0.76 V (D) -0.8 V
25 有一如圖之 MOSFET 電路,若 Vtn =2 V,μnCox(W/L)=200 μA/V2,R=15 kΩ,λ=0,則 VD應為何? (A)2V (B)3V (C)4V (D)5V
26 圖示電路中加強型場效電晶體(FET)之|Vtp|=1 V、μpCox(W/L)=2 mA/V2,若電壓 VD 為-1 V,則電流 I 約為何?
(A) 16 mA (B) 8 mA (C) 4 mA (D) 2 mA
29 如圖所示電路,假設 rπ =2 kΩ、RE =500 Ω、RB =100 kΩ,且 β 值為 100,電壓增益 vo/vi 最接近下列何者? (A) 0.99 (B) 0.96 (C) 0.89 (D) 0.86
32 圖示為電晶體放大器的小訊號交流等效電路,其中 vi 為輸入訊號、vo為輸出訊號,則此放大器為何種放大器?
(A)共源極(CS)放大器 (B)共汲極(CD)放大器 (C)共基極(CB)放大器 (D)共閘極(CG)放大器
33 如圖 BJT 串疊電路中,Q1 和 Q2的互導分別為 gm1 =gm2 =gm,輸出內阻分別為 ro1 =ro2 =ro,輸入內阻分 別為 rπ1 =rπ2 =rπ,定電流源為 I。若 Ri =rπ1 =rπ,求電壓增益 Avo =vo/vi 近似為何? (A) -(gm)2ro (B) -(gm)2ro(ro//rπ) (C) -gmro(ro//rπ) (D) -gm(ro//rπ)
34 圖示電路,VCC =+10 V,R1 =200 kΩ,R2 =200 kΩ,RC =2 kΩ,RE =5 kΩ,電晶體電流放大率 β=100, VBE =0.7 V,IC 約為何?
(A) 0.6 mA (B) 0.7 mA (C) 0.8 mA (D) 0.9 mA
36 欲使如下的振盪電路能夠產生振盪訊號,下列何者適合作為 R2 的大小? (A) 5.1 kΩ (B) 5.6 kΩ (C) 10 kΩ (D) 12 kΩ
37 如圖所示之振盪電路,其電路型態為下列何者?
(A) RC 相移振盪電路 (B)單穩態多諧振盪電路 (C)雙穩態多諧振盪電路 (D)無穩態多諧振盪電路
38 圖示為一加偏壓之非反相施密特觸發器,電路中 OPA 之輸出飽和電壓為±15 V,則其遲滯電壓 (hysteresis voltage)VH 為何?
(A) 3.75 V (B)5V (C) 7.5 V (D) 10 V
39 如圖為一比較器電路和積分器電路的組合。假設比較器的正、負飽和輸出電壓有著相同的大小,使得圖中 Vout 為 8.25 kHz 的三角波。如欲調整 Vout 的頻率至 20 kHz,則可在其他零件保持不變的條件下將 R 從 10 kΩ 調整至下列何值? (A) 2.125 kΩ (B) 3.125 kΩ (C) 4.125 kΩ (D) 5.125 kΩ