所屬科目:電子儀表概要
(一)請詳述測量工程中常用的術語 : 解析度 ( resolution ) 和靈敏度(sensitivity)之定義。
(二)有刻度相同之甲、乙兩電流表,甲表輸入 5 A 電流,其指針偏轉量為½滿刻度,乙表輸入 3 A 電流,其指針偏轉量為¼滿刻度,則何者靈敏度較高(須說明原因)?
二、如圖 1 所示之數位多功能電表內之補償衰減器電路,其中輸出信號e Ri與輸入信號之轉移函數為 。欲調整適當的值以得到純電阻性補償衰減網路,即衰減量與頻率無關,則此適當的 值與 以及的關係為何。
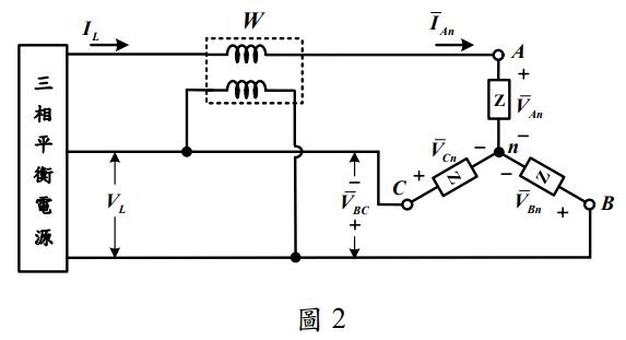
三、圖 2 為利用一瓦特表(W)來測量三相平衡電感性負載(Z)無效功率之接線圖,若測得瓦特表之指示值為 100 瓦,求負載之總無效功率為何?圖2
四、如圖 3 所示之交流阻抗比較測量電橋,其中阻抗 = Z1∠θ1、 = Z 2 ∠θ 2、= Z3∠θ3 、 ,若要使交流電橋平衡,則各阻抗臂須滿足那些條件?
(一)一個週期之正弦波形應占多少水平格數?
(二)寫出所測得的正弦波函數(function),且此波形之峰值應占多少垂直格數?