所屬科目:電子儀表概要
一、圖表的解析度意指其最小刻度的顯示值,在不同的顯示範圍,每一刻度代表的值也不同。圖一為音頻放大器的量測頻率響應,請問此圖在增益軸與頻率軸所提供的解析度各為何?各以 dB 與 Hz 表示。 (20 分)
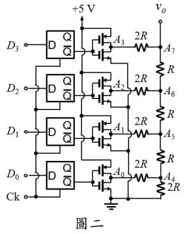
二、圖二為 4-bit 數位-類比轉換電路,由左至右分別為輸入 D0-D3 與時脈 Ck、上升緣觸發 D-FF(正反器)、電壓源+5 V 之 CMOS 反相器、以及電阻網路與輸出電壓 vo。輸入 Ck 由 0→1 時,D0D1D2D3=0100,A0、 A1、…、A7 各節點電壓為何?須列式計算。 (20 分)
三、圖三有多個電路方塊:輸入電壓 v(t)與電流 i(t)、數位顯示電路、低通濾波器、低雜訊放大器、負載 ZL、電流感測器、數位加法器、數位乘法器、 類比-數位轉換 A/D、數位-類比轉換 D/A 等。負載端電壓與流入負載電流分別為 vL(t)與 iL(t)。組合上述必要方塊成為數位顯示的直流功率量測系統,可數位顯示負載 ZL 所消耗的直流功率 P(t),試繪圖說明之。圖三中各方塊可以重複使用,亦可不用。(20 分)
(一) R4 最小變化量為 0.2 Ω 時,本電橋可測得 R3 的最小變化量為何?(10 分)
(二)檢流計最小變化量為 0.1 mA 時, Vs=7.5 V,本電橋可測得 R3 的最小變化量為何?(10 分)
五、以示波器觀察類比式信號產生器輸出的電壓弦波,信號產生器面板上有那一些按鍵與旋鈕可以調整,以取得最適合在示波器螢幕觀察的波形? (20 分)