所屬科目:教甄◆電子科/資訊科/電機科/冷凍空調科/控制科/電機空調科
1.若 x 進制數字等於 8 進制數字( 621 ) 8,則 x 的值為何? (A) 2 (B) 8 (C) 10 (D) 16。
2.下列布林代數之等式何者有誤? (A) (B)(X +Y) • Z = X .Z+Y .Z (C)(D)X +YZ = (X +Y) • (X + Z) (E)。
3.下圖一所示電路,( A , B , C , D ) 任一輸入與輸出 X 只允許 0 或 1 二種狀態,則共有幾種輸入端的狀態會造成輸出 X = 0? (A)0 (B)1 (C)7 (D) 15
4.在 8 位元系統中,若最左邊位元為 MSB,最右邊位元為 LSB,以 2 補數 ( 2’s Complement ) 表 示法做減法運算,下列何者為 運算後之結果? (A) (B) (C) (D)
5.下圖二為一使用 4 位元加法器所設計的數位電路,其中輸入訊號為 A3 A2 A1 A0、X3 X2 X1 X0 和前級進位輸入 ( Carry - In ) C0。當 C0 = 0 且輸入訊號 A3 A2 A1 A0 = 1010 和 X3 X2 X1 X0 = 0101, 則進位輸出 ( Carry - Out ) C1與輸出訊號 S3 S2 S1 S0為何? (A)C1 = 1 且 S3 S2 S1 S0= 0101 (B)C1 = 1 且 S3 S2 S1 S0 = 1111 (C)C1=0 且 S3S2S1S0=1111 (D)C1 = 0 且 S3 S2 S1 S0 = 0101
6.下圖三為邊緣觸發 JK 正反器,當 CLK 輸入適當準位之 10kHz 方波,則輸出 Q 訊號應為下列何 者? (A)10kHz 方波 (B)5 kHz 方波 (C)持續為邏輯 1 (D)持續為邏輯 0
7.欲設計一個非同步 12 模計數器,至少需要幾個正反器? (A) 3 個 (B) 4 個 (C) 5 個 (D) 6 個
8. 一個輸出為 3 位元之狀態時序圖如圖四所示,輸入 1 個時脈週期可以使目前狀態依箭頭轉變至 下一個狀態,設狀態初值為 000,經過 52 個時脈週期後,輸出狀態值為何? (A) 111 (B) 101 (C) 100 (D) 001
1.布林函數的最簡積之和 SOP 式為_________
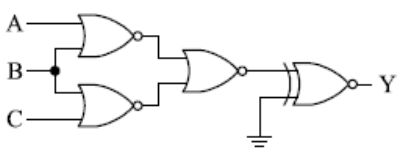
2. 如圖所示之電路,其輸出 Y 的最簡布林代數為_________
3.如下圖所示的同步計數器電路,假設電路的狀態初始值 CBA = 000,則此電路的模數值為多少?_________
4.如圖所示電路,的狀態初始值為「101」,求經過 3 個 CLK 後狀態為_________
5.如圖所示,是以多工器執行組合邏輯電路功能之電路,此組合邏輯電路之輸出 f (A, B, C, D)為何 (已知 S2 為最高位元,S0 為最低位元)?_________
6.想在路口設置行人穿越道控制器,功能為平時路口閃黃燈,當行人按「通行」按鈕時,則切換紅燈,此時黃燈熄滅;行人過馬路後再按「回復」按鈕,恢復閃黃燈,如下圖的電路設計,方塊應為何種邏輯閘_________
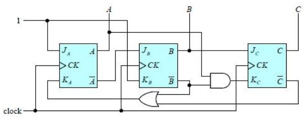
7.如下圖所示者為莫爾模型(Moore model)的閘控式 T 型正反器同步循序電路,請完成此電路的 狀態表(其中,AB 代表電路的現態(present state),代表電路的次態(next state)?
8.如圖所示邏輯電路,其輸入訊號 = 64kHz ,則輸出訊號 的頻率為多少_________