所屬科目:技檢◆配電線路裝修-甲級
1. 一用戶將其單相二線式用電線路電改成單相三線式,其線路電壓降可減為原來之 (A)1/4 (B)1/5(C)1/3 (D)1/2。
2. 依據台灣電力公司「地下配電線路施工」,混凝土管路施工時,應每隔______ 公尺裝置一組隔離板以固定塑膠管。(A)4 (B)1 (C)3 (D)2
3. 關於個人資料保護法的敘述,下列何者錯誤? (A)非公務機關亦應維護個人資料之正確,並主動或依當事人之請求更正或補充 (B)間接蒐集之個人資料,於處理或利用前,不必告知當事人個人資料來源 (C)外國學生在臺灣短期進修或留學,也受到我國個人資料保護法的保障 (D)公務機關執行法定職務必要範圍內,可以蒐集、處理或利用一般性個人資料。
4. 二具單相變壓器採 3ψ4W 110/220V 燈力併供結線方式供電 75kVA 單相負載及 40kVA 三相負載,各該變壓器額定容量宜選用 (A)70-50 (B)100-50 (C)100-25 (D)75-75 kVA 者。
5. 勞工不遵守安全衛生工作守則規定,屬於下列何者? (A)管理缺陷 (B)不安全設備 (C)不安全行為 (D)不安全環境。
6. 依據台灣電力公司「地下配電線路設計」,地下配電線路在正常運轉時,主幹線最高負載應保持在多少安培以下 (A)150 (B)600 (C)300 (D)450。
7. 依據「輸配電設備裝置規則」,低壓配電線路之水平支線與人員可輕易進入之陽台,其垂直間隔不得低於 (A)2.0 公尺 (B)2.5 公尺 (C)3.5 公尺 (D)3.0 公尺。
8. 依據「輸配電設備裝置規則」,裝置供電電纜用之人孔,其圓形入口直徑不得小於 (A)600mm(B)750mm (C)650mm (D)700mm。
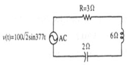
9. 一 RLC 串聯電路如下圖,該電路總阻抗為 (A)5∠37°Ω (B)5∠-37°Ω (C)5∠53°Ω (D)5∠-53°Ω。
10. 依據台灣電力公司「地下配電線路施工」,管路工程之管溝回填如使用控制性低強度回填材料 (簡稱 CLSM),於澆置前須做坍流度試驗,依規定其測試體兩垂直方向的坍流直徑,應在 (A)40~60cm 之間 (B)0-20cm 之間 (C)70-90cm 之間 (D)10-30cm 之間。
11. 三相交流 220V 線路接供 8.6kW、無效功率因數為 0.6 之三相平衡負載,該線路的電流約為(A)48.9A (B)28.2A (C)37.6A (D)65.2A。
12. 純電阻性負載之特性為 (A)電流超前電壓相位 90° (B)電流與電壓同相位 (C)電壓超前電流相位 90° (D)電壓超前電流相位 30°。
13. 依據台灣電力公司「運轉維護手冊」,為防止預力電桿承受颱風風力折斷,其強度設計基準為(A)45 公尺/秒 (B)50 公尺/秒 (C)40 公尺/秒 (D)35 公尺/秒。
14. 依據台灣電力公司「架空配電線路施工」建桿工作,下列何者錯誤? (A)轉彎桿之電桿頂端在腳木相反方向傾斜一桿梢外徑寬 (B)緩坡路面直路線路之電桿應與地面約垂直 (C)終端桿之電桿頂端在腳木相反方向傾斜一桿梢外徑寬 (D)木桿建於轉彎處所腹部應朝向線路張力之反側。
15. 三相三線配電線路,各導線間之距離分別為 D12、D23、D31,則其幾何平均距離(GMD)為 (A)(D12 +D23+D31 )/3 (B)(C)D12D23D31/3 (D) 。
16. 依職業安全衛生法施行細則規定,下列何者非屬特別危害健康之作業? (A)粉塵作業 (B)會計作業(C)噪音作業 (D)游離輻射作業。
17. 一般而言,水中溶氧量隨水溫之上升而呈下列哪一種趨勢? (A)減少 (B)不一定 (C)不變 (D)增加。
18. 依據台灣電力公司「運轉維護手冊」,同一電桿之變壓器與避雷器應設置共同接地 1 處外,另低壓線路等亦須設置接地,其設置原則為 (A)每隔 6 檔增加接地 1 處,單相三線方式受電之用戶其屋內線應予設備接地 (B)每隔 4 檔增加接地 1 處,單相三線方式受電之用戶其屋內線應予系統接地 (C)每隔 6 檔增加接地 1 處,單相三線方式受電之用戶其屋內線應予系統接地 (D)每隔 4 檔增加接地1 處,單相三線方式受電之用戶其屋內線應予設備接地。
19. 高阻計測量變壓器絕緣電阻之單位為 (A)百萬高斯 (B)百萬歐姆 (C)百萬法拉 (D)百萬姆歐。
20. 設備容量各為 500kW 及 1,000kW 之兩用戶,其參差因數為 1.2 需量因數均為 50%,則該兩用戶之綜合最高負載為 (A)750kW (B)1,500kW (C)625kW (D)1,000kW。
21. 配電線路活線作業之掩蔽原則,下列敘述何者有誤? (A)同位置載電體先掩蔽,未載電者後掩蔽 (B)二人作業時,同時作不同相之掩蔽 (C)由近而遠,由下而上 (D)二人作業時,同時從事同相之掩蔽。
22. 一架空線路桿距 60M,導線重量為 0.7kg/M、扯斷張力為 3600kg、安全係數為 3,則該導線之弛度約為 (A)28cm (B)26cm (C)24cm (D)30cm。
23. 桿上變壓器 6.9kV-120/240V,50kVA,其二次額定電流為 (A)184A (B)208A (C)623A (D)360A。
24. 依據「輸配電設備裝置規則」,為降低接地電阻得用多根接地銅棒串接,每根接地銅棒之間距不得小於 (A)2.0 公尺 (B)1.6 公尺 (C)1.8 公尺 (D)2.4 公尺。
25. 台灣電力公司地下配電管路系統,基礎台大小之設計係按裝置物之尺寸各加______公分為原則。 (A)20~25 (B)5~10(C)15~20 (D)10~15
26. 活線作業時,作業人員身體與導線間掩蔽工具之絕緣耐壓應保持________ 倍以上對地電 壓。(A)5 (B)4 (C)2 (D)3
27. 職場禁菸的好處不包括 (A)避免同事因為被動吸菸而生病 (B)讓吸菸者菸癮降低,戒菸較容易成功 (C)降低吸菸者的菸品使用量,有助於減少吸菸導致的疾病而請假 (D)吸菸者不能抽菸會影響工作效率。
28. 使用拉線眼拖拉電纜時,著力處為該電纜之 (A)導體 (B)絕緣體 (C)外皮 (D)半導電層。
29. 下列何者不是設置反貪腐專責機構須具備的必要條件? (A)賦予該機構的工作人員有權力可隨時逮捕貪污嫌疑人 (B)使該機構的工作人員行使職權不會受到不當干預 (C)賦予該機構必要的獨立性 (D) 提供該機構必要的資源、專職工作人員及必要培訓。
30. 為解決環境保護與經濟發展的衝突與矛盾,1992 年聯合國環境發展大會(UN Conference on Environment and Development, UNCED)制定通過: (A)21 世紀議程 (B)京都議定書 (C)蒙特婁公約 (D)日內瓦公約。
31. 活線作業中,地面工作人員宜保持距離電桿_______公尺,並約與線路成直角方向。 (A)3 (B)1 (C)2 (D)4
32. 防止噪音危害之治本對策為下列何者? (A)實施職業安全衛生教育訓練 (B)使用耳塞、耳罩 (C)消除發生源 (D)實施特殊健康檢查。
33. 某單相高壓配電線路裝設一具單相 100kVA 之電壓調整器,其電壓調整率為±10%,則其通過之線路容量可達 (A)10kVA (B)100kVA (C)10,000kVA (D)1,000kVA。
34. 桿上活線掩蔽作業時,工作者站立位置以 (A)頭部不高於活線 (B)頭部與活線平高 (C)肩部與活線平高 (D)頭部略高於活線 為宜。
35. 如下圖電路,當開關 S 投入後,流經 A、B 兩點之電流 Io 為 (A)6.0A (B)5.5A (C)0A (D)5A。
36. 依據「輸配電設備裝置規則」, 3ψ4W 11.4kV 屋外配電線路絕緣礙子之乾閃絡電壓額定值為(A)90kV (B)69 kV (C)45 kV (D)39 kV。
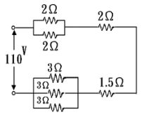
37. 如下電路圖,線路損失為 (A)4.4kW (B)1.1kW (C)3.3kW (D)2.2kW。
38. 依據「輸配電設備裝置規則」,使用於一般場所之配電線路支線,其荷重安全係數為 (A)3.0 (B)4.0(C)2.0 (D)1.0。
39. 下列何者非屬資源回收分類項目中「廢紙類」的回收物? (A)雜誌 (B)用過的衛生紙 (C)紙袋 (D)報紙。
40. 3ψ4W11,400 伏特高壓用戶,其負載為 1,200kW 功率因數為 0.8,欲將功率因數提高至 1,則需增加之電容器容量為 (A)800 kVAR (B)900 kVAR (C)600 kVAR (D)700 kVAR。
41. 一電路中,25kVA 負載之功率因數為 0.8 時,該負載吸收之無效電力為 (A)20 kVAR (B)15 kVAR(C)25kVAR (D)12.5 kVAR。
42. 下列何者為非再生能源? (A)焦煤 (B)水力能 (C)太陽能 (D)地熱能。
43. 就能源管理系統而言,下列何者不是能源效率的表示方式? (A)汽車-公里/公升 (B)冰水主機-千瓦/冷凍噸(kW/RT) (C)照明系統-瓦特/平方公尺(W/m2 ) (D)冰水主機-千瓦 (kW)。
44. 下列的洗車方式,何者「無法」節約用水? (A)用大口徑強力水注沖洗 (B)使用有開關的水管可以隨時控制出水 (C)利用機械自動洗車,洗車水處理循環使用 (D)用水桶及海綿抹布擦洗。
45. 一 0.1 亨利之電感線圈與 20 歐姆之電阻串聯,接於 100 伏特、25 赫茲電源,其阻抗約為 (A)20 歐姆 (B)45 歐姆 (C)32 歐姆 (D)25 歐姆。
46. 變壓器並聯運轉前,作匝比試驗,如匝比誤差達多少以上時,不宜並聯運轉? (A)0.4% (B)3.2%(C)0.8% (D)1.6%。
47. 依據台灣電力公司「饋線自動化器材設備」,架空簡易型自動化開關之相對地絕緣電阻應在________MΩ 以上。(A)1000 (B)100 (C)500 (D)2000
48. 室內裝潢時,若不謹慎選擇建材,將會逸散出氣狀污染物。其中會刺激皮膚、眼、鼻和呼吸道,也是致癌物質,可能為下列哪一種污染物? (A)臭氧 (B)甲醛 (C)二氧化碳 (D)氟氯碳化合物。
49. 對於感電電流流過人體可能呈現的症狀,下列敘述何者有誤? (A)血壓降低、呼吸急促、精神亢奮(B)造成組織灼傷 (C)強烈痙攣 (D)痛覺。
50. 高效率燈具如果要降低眩光的不舒服,下列何者與降低刺眼眩光影響無關? (A)採用間接照明 (B)光源的色溫 (C)燈具的遮光板 (D)光源下方加裝擴散板或擴散膜。
51. 亭置式四路氣封開關之功能切換指示位置有「投入」、「切開」及「接地」 3 處,當某一迴路接地開關投入後,何者被接地? (A)該組開關各迴路 (B)該迴路電纜 (C)接地銅排 (D)該迴路開關。
52. 活線作業更換橫擔,臨時橫擔應裝在欲更換橫擔之上方約______公分處最適當。 (A)150 (B)100 (C)50 (D)120
53. 如下圖所示 RC 並聯電路,該電路之功率因數為 (A)0.71 (B)0.80 (C)0.87 (D)0.50。
54. 一交流三相 11.4kV 配電線路之負載為 800kW,每線之電流均為 50 安培時,該負載之功率因數為(A)60% (B)90% (C)100% (D)80%。
55. 依據「輸配電設備裝置規則」,3ψ4w11.4kV 架空導線和樹木之最小水平間隔為 (A)1.5 公尺(B)1.2 公尺 (C)2.0 公尺 (D)1.0 公尺。
56. 營業秘密可分為「技術機密」與「商業機密」,下列何者屬於「商業機密」? (A)商業策略 (B)程式 (C)生產製程 (D)設計圖。
57. 依據「輸配電設備裝置規則」,水平敷設之供電電纜,除有適當防護者外,應距離地板上方至少(A)75mm (B)60mm (C)90mm (D)100mm。
58. 變壓器之容量愈大,通常其效率會 (A)愈高 (B)不一定 (C)無關 (D)愈低。
59. 依據「輸配電設備裝置規則」,超過 750 伏特至 33 千伏之架空線路,導線如使用全鋁線,其線徑不得小於 (A)29mm2 (B)39mm2 (C)59mm2 (D)49mm2。
60. 架空導線之弛度與 (A)導線張力之平方成反比 (B)導線張力之平方成正比 (C)導線張力成正比 (D)導線張力成反比。
61. 477MCM AAC 或 300MCM AAC 張力處之套管壓接,其壓縮鍵之選用下列何者正確? (A)300MCM 選用 B76AH (B)477MCM 選用 B22AH (C)300MCM 選用 B75AH (D)477MCM 選用 B20AH。
62. 活線作業人員安全裝束為 (A)穿絕緣鞋 (B)穿防壓鞋 (C)戴安全帽 (D)戴橡皮手套。
63. 台灣電力公司配電管路工程施工,下列施工法何者正確? (A)CLSM 管路每 2 公尺裝置一組隔離板,塑膠管上層應裝A型隔離板 (B)混凝土管路每 2 公尺裝置一組隔離板,塑膠管上層應裝A型隔離板 (C)CLSM 管路每 2 公尺裝置一組隔離板,塑膠管上層免裝A型隔離板 (D)直埋管路每 3 公尺裝置一組隔離板,塑膠管上層免裝A型隔離板。