所屬科目:捷運◆電機工程
(一) 何謂整流與濾波?
(二) 橋式全波整流電路所輸出的直流電壓是 30 V,試求此電路中所用二極體的 PIV 值(四捨五入至小數 1 位)。
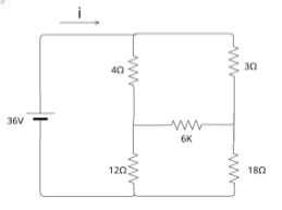
(一) 如下圖所示,求 i= ?
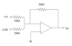
(二) 如下圖所示,求 Vo= ?
三、 比較三種電晶體放大電路 CB、CE、CC 之輸入阻抗、輸出阻抗、電流增益、電壓增益、功率增益大小關係?
(一) 試述繼電器之原理及應用。
(二) 試設計一個繼電器之應用電路,並說明電路原理。