阿摩線上測驗
登入
首頁
>
技檢◆儀表電子-乙級
> 114年 - 11500 儀表電子 乙級 工作項目 05:電工學 1-50(2025/11/04 更新)#133295
114年 - 11500 儀表電子 乙級 工作項目 05:電工學 1-50(2025/11/04 更新)#133295
科目:
技檢◆儀表電子-乙級 |
年份:
114年 |
選擇題數:
50 |
申論題數:
0
試卷資訊
所屬科目:
技檢◆儀表電子-乙級
選擇題 (50)
1. 在一純電感性電路,若
,則其電流 i(t)為何? (A)
(B)
(C)
(D)
。
2. 在三相平衡 Y 負載電路中,下列敘述何者錯誤? (A)線電壓與相電壓之相角差為 30° (B)線電流為相電流的
倍 (C)每相之相電壓差 120° (D)線電壓為相電壓之
倍 。
3. 設有一平衡三相Δ連接電路,其每相阻抗為 3+j4Ω,線電壓為 380V,其相電壓及線電流各為若干? (A)380V、76
A (B)380
V、76A (C)380V、76/
A (D)380/
V、76A 。
4. 如下圖電路所示,當電橋平衡時,則 R
X
為多少?
(A)2Ω (B)3Ω (C)4Ω (D)5Ω 。
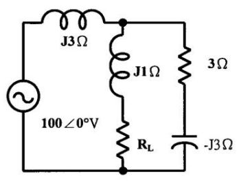
5. 如下圖電路所示,電流 i 應為多少?
(A)1.33∠90°A (B)1.33∠-90°A (C)2.66∠90°A (D)2.66∠-90°A 。
6. 如下圖電路所示,欲使電源輸送至純電阻負載 R
L
的功率最大,則純電阻負載 R
L
之值應為多少?
(A)3Ω (B)4Ω (C)5Ω (D)6Ω 。
7. 變壓器之磁滯損失與渦流損失會隨著頻率的昇高而如何變化? (A)減小(B)不變 (C)增加 (D)增加後再減小 。
8. 有一 l0μF 的電容器接上 50V 的電源,若以 2A 的穩定電流充電時,須經多少時間可充電完畢? (A)2.5μs (B)0.25μs (C)2.5ms (D)0.25ms 。
9. 法拉第定律中通過線圈之磁通量的變化率若成線性增加,則線圈兩端電壓將有何種變化? (A)非線性減少 (B)線性減少 (C)線性增加 (D)非線性增加 。
10. 將交流電源接上兩個元件組成的負載上,若電源電流較電壓滯後 90°則兩元件可能為何種組合? (A)電阻器與電容器 (B)電阻器與電感器 (C)電感器與電容器 (D)兩個電容器 。
11. 在電感性負載電路,並聯上電容器,將提高功率因數及產生下列何種變化? (A)可減少線路之功率消耗 (B)增加線路之功率消耗 (C)使負載端電壓降低 (D)增加線路電流 。
12. 如下圖電路所示,若電阻器 R
3
通過之電流為 3A,則其電阻值應為多少?
(A)7Ω (B)8Ω (C)9Ω (D)10Ω 。
13. 有一電器在 10 秒內共做 30 焦耳的功,則該電器的電功率(power)為多少? (A)3 瓦特 (B)4 瓦特 (C)30 瓦特 (D)40 瓦特 。
14. 變壓器做短路試驗時,瓦特計上的讀數為何? (A)鐵損 (B)銅損 (C)磁滯損(D)渦流損 。
15. 三種不同波形電源的電壓平均值皆為 100 伏特,A 為方波、B 為正弦波、C 為三角波,分別加入電熱器來燒開水,則將水燒到沸點,由快而慢的順序為何? (A)A、B、C (B)B、C、A (C)C、A、B (D)C、B、A 。
16. 加直流 120V 之電壓於一線圈,測得電流為 15A,若改為交流 100V 之電壓時電流為 l0A,則此線圈之阻抗為何? (A)R=8Ω、X
L
=6Ω (B)R=6Ω、X
L
=8Ω (C)R=8Ω、X
L
=8Ω (D)R=6Ω、X
L
=6Ω 。
17. 如下圖電路所示,設安培計內阻均可忽略不計,若安培計讀數分別為 A
1
=24A,A
2
=8A,則 R 之值為何?
(A)l0Ω (B)l5Ω (C)20Ω (D)30Ω 。
18. 如下圖電路所示,在 60Hz 時其等效輸入阻抗 Z
in
為 50+j100Ω,當頻率提昇為 120Hz 時,則等效輸入阻抗變為何?
(A)50+j200Ω (B)100+j100Ω (C)125+j125Ω (D)200+j50Ω 。
19. 某電阻器被測量後,繪出其“電流-電壓”線性關係如下圖所示,則該電阻器之電阻值為何?
(A)10Ω (B)20Ω (C)30Ω (D)40Ω 。
20. 某 1kΩ電阻器,其長度為 10
- 2
m,截面積為 2×10
- 6
m
2
,則其電阻係數為何?(A)0.lΩm (B)0.2Ωm (C)1Ωm (D)2Ωm 。
21. 一個 5μF 電容器充電到 100V 時,則其所儲存的的電能為多少? (A)25μJ (B)250μJ (C)2.5mJ (D)25mJ 。
22. 某 10mH 電感器在 25μs 期間所通過的電流從 20mA 增到 100mA,則其兩端變動的端電壓為多少? (A)8V (B)16V (C)32V (D)40V 。
23. 如下圖電路所示,若 I
C
在100μs 內由 5mA 增到 l0mA,且變壓器之互感為 100mH,求此時之輸出電壓(V
O
)為多少?
(A)2V (B)5V (C)10V (D)20V 。
24. 如下圖電路所示,輸出電壓(V
O
)為何?
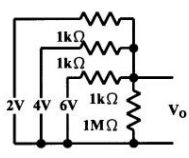
(A)3V (B)5V (C)10V (D)15V 。
25. 如下圖電路所示,輸出電壓(V
O
)為何?
(A)4V (B)6V (C)8V (D)12V 。
26. 如下圖電路所示,試求開關 ON 之後 1 秒鐘時,V
R
電壓為何?
(A)12.21V(B)24.79V (C)36.79V (D)63.21V 。
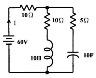
27. 如下圖電路所示,若達穩態時之總電流 I 為何?
(A)2.4A (B)3A (C)4A (D)4.25A 。
28. 在 RLC 並聯電路產生諧振時,下列何種敘述正確? (A)總電流最大 (B)總導納最大 (C)總電壓與總電流異相 (D)電感抗等於電容抗 。
29. 在 RLC 串聯電路中,若 R=20Ω、L=0.2H、C=20μF,則其諧振頻率為何? (A)50Hz (B)60Hz (C)70Hz (D)80Hz 。
30. 某蓄電池用 5 安培電流充電時,其端電壓為 13 伏特,若改用 3 安培電流充電時,其端電壓為 12.4 伏特,則該蓄電池之內阻應為多少? (A)0.06Ω(B)0.6Ω (C)0.03Ω (D)0.3Ω 。
31. 某電路之電壓為 20∠15°伏特,電流為 5∠-15°安培,則其平均功率為多少? (A)50
W (B)50W (C)25
W (D)25W 。
32. 變壓器鐵損之大小與負載電流之關係為何? (A)成正比 (B)成固定值 (C)成反比 (D)無關 。
33. 檢修電熱器時,若剪短電熱線後僅剩原長的 80%,則該電熱器之電功率變為原來的幾倍? (A)0.64 倍 (B)0.8 倍 (C)1.2 倍 (D)1.25 倍 。
34. 某電機於使用前,測得其線圈電阻為 3Ω,使用後測得其電阻為 3.6Ω,若室溫為 20℃,則此電機於使用後,線圈溫度升高約為多少℃?(銅的α
20
=0.00393) (A)51℃ (B)61℃ (C)71℃ (D)81℃ 。
35. 三只電阻並聯,其值各為 1R、2R、3R,加電壓後此三只電阻上之電流比為何? (A)1:2:3 (B)6:3:2 (C)9:4:1 (D)3:2:1 。
36. 有一線圈其電感量為 0.1 亨利,若線圈上之電流為 10sin(377t-60°)A,則跨於此線圈之弦式電壓值為何? (A)377sin377t V (B)377sin(377t-60°)V (C)377sin(377t+30°)V (D)377sin(377t+90°)V 。
37. 當功率因數為 1 時,則電壓與電流之相位差為? (A)0° (B)30° (C)45° (D)90° 。
38. 某電池原蓄有 100 庫侖之電量,在 10 分鐘內充電至 700 庫侖,則其平均充電電流為多少? (A)4 安培 (B)3 安培 (C)2 安培 (D)1 安培 。
39. 帶有電荷之球導體,其球內的電位應為下列何者? (A)等於球表面之電位(B)大於球表面之電位 (C)小於球表面之電位 (D)等於零 。
40. 自感量為 0.3 亨利之線圈,若在 0.01 秒內將其電流由 10A 降至 6A,則其感應電動勢之值應為多少? (A)60 伏特 (B)120 伏特 (C)180 伏特 (D)240伏特 。
41. 1 歐姆和 2 歐姆兩電阻器額定功率均為 0.5W,串聯後每一個電阻器的功率損耗皆不超過其額定值,則最大能加多少伏特的電壓? (A)0.5 伏特 (B)1 伏特 (C)1.5 伏特 (D)3 伏特 。
42. R
1
與 R
2
串聯後接上電源,各消耗 50W 及 75W,若 R
2
=3Ω,則 R
1
應為多少? (A)2Ω (B)5Ω (C)6Ω (D)8Ω 。
43. 如下圖電路所示,任意兩端點所測得的電阻均為 2Ω,則 R 之值應為多少?
(A)2Ω (B)3Ω (C)4Ω (D)5Ω 。
44. 如下圖電路所示,A、B 兩端間之等效電阻 R
AB
應為多少?
(A)2.4Ω (B)2.5Ω (C)3.6Ω (D)3.7Ω 。
45. 如下圖電路所示,右圖為左圖之等效電路,則 E
TH
與 R
TH
各為多少?
(A)R
TH
=4Ω、E
TH
=30V (B)R
TH
=4Ω、E
TH
=l8V (C)R
TH
=2Ω、E
TH
=18V(D)R
TH
=2Ω、E
TH
=30V 。
46. 有一 3Ω的電阻器和一阻抗為 4Ω的電感器,當聯接為並聯時,其電路之功率因數為多少? (A)0.43 (B)0.57 (C)0.7 (D)0.8 。
47. 設 V=80+j60 伏特、I=4-j3 安培之電路,則其視在功率為多少? (A)150 伏安 (B)250 伏安 (C)500 伏安 (D)800 伏安 。
48. RLC 串聯電路中 R=l0Ω、X
L
=l0Ω、X
C
=20Ω,跨接於 100V 之交流電源,若電源頻率連續提高,則電路電流之變化為何? (A)連續變大 (B)連續變小 (C)先變大,後變小 (D)先變小,後變大 。
49. 將 10sin100tV 的電壓加在 0.01H 純電感器的兩端,則下列何者為正確?(A)視在功率為 50W (B)平均功率為 50W (C)無效功率為 50W (D)功率因數為0 。
50. 將兩相同電容量耐壓分別為 25V 與 50V 的電容串接,則串接後整體的耐壓為何? (A)25V (B)50V (C)75V (D)100V 。
申論題 (0)
相關試卷
114年 - 11500 儀表電子 乙級 工作項目 10:裝配與測試知識 1-35(2025/11/04 更新)#133310
114年 · #133310
114年 - 11500 儀表電子 乙級 工作項目 09:儀表電學 101-147(2025/11/04 更新)#133309
114年 · #133309
114年 - 11500 儀表電子 乙級 工作項目 09:儀表電學 51-100(2025/11/04 更新)#133308
114年 · #133308
114年 - 11500 儀表電子 乙級 工作項目 09:儀表電學 1-50(2025/11/04 更新)#133307
114年 · #133307
114年 - 11500 儀表電子 乙級 工作項目 08:微電腦概論與應用 51-74(2025/11/04 更新)#133306
114年 · #133306
114年 - 11500 儀表電子 乙級 工作項目 08:微電腦概論與應用 1-50(2025/11/04 更新)#133305
114年 · #133305
114年 - 11500 儀表電子 乙級 工作項目 07:數位系統 101-150(2025/11/04 更新)#133304
114年 · #133304
114年 - 11500 儀表電子 乙級 工作項目 07:數位系統 51-100(2025/11/04 更新)#133303
114年 · #133303
114年 - 11500 儀表電子 乙級 工作項目 07:數位系統 1-50(2025/11/04 更新)#133302
114年 · #133302
114年 - 11500 儀表電子 乙級 工作項目 06:電子學 151-181(2025/11/04 更新)#133301
114年 · #133301