阿摩線上測驗
登入
首頁
>
技檢◆儀表電子-乙級
> 114年 - 11500 儀表電子 乙級 工作項目 05:電工學 51-100(2025/11/04 更新)#133296
114年 - 11500 儀表電子 乙級 工作項目 05:電工學 51-100(2025/11/04 更新)#133296
科目:
技檢◆儀表電子-乙級 |
年份:
114年 |
選擇題數:
50 |
申論題數:
0
試卷資訊
所屬科目:
技檢◆儀表電子-乙級
選擇題 (50)
51. 如下圖所示,由 AB 兩端看入之電阻為多少歐姆?
(A)33/4 (B)3+3
(C)3+2
(D)30/4 。
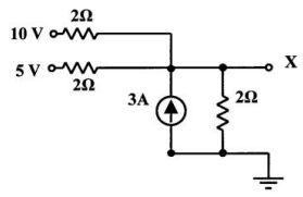
52. 如下圖所示,X 點之電壓為多少伏特?
(A)7 (B)8 (C)9 (D)10 。
53. 如下圖所示,AB 兩點之短路電流為多少安培?
(A)3/4 (B)3 (C)11/4 (D)4 。
54. 如下圖所示,AB 兩點間另接一電阻 R
L
,則 R
L
為多少歐姆時可以達到最大功率轉移?
(A)1/4 (B)1/2 (C)3/4 (D)1 。
55. 將三個電容串聯後,則下列敘述何者正確? (A)總電容量為三者之和 (B)三個電容上的電壓必相同 (C)三個電容的阻抗必相同 (D)三個電容所流過的電荷必相同 。
56. 一交流電源之視在功率 S=500VA,虛功率 Q=300VAR,則其有效功率P 為若干? (A)200W (B)400W (C)800W (D)1500W 。
57. 如下圖所示電路,下列何式正確?
(A)(0.2+0.5)V
1
+0.5V
2
=-1 (B)(0.2+0.5)V
1
-0.25V
2
=1 (C)-0.5V
1
+(0.5+0.25)V
2
=-2 (D)0.5V
1
+(0.2+0.25)V
2
=2 。
58. LC 諧振電路在諧振時,其角頻率ω、電感量 L、電容量 C 之間的關係為何? (A)
(B)
(C)
(D)
。
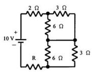
59. 如下圖所示電路,A 點與 B 點間的總電阻為何?
(A)10Ω (B)12Ω (C)14Ω(D)18Ω 。
60. 如下圖所示電路,電阻 R
L
為若干時可得最大功率值?
(A)3Ω (B)4Ω (C)5Ω (D)7Ω 。
61. 如下圖所示為一並聯諧振電路,在諧振時其品質因數 Q 之值為何?
(A)
(B)
(C)
(D)
。
62. 一個高 Q 值的諧振電路,Q 表品質因數、BW 表頻帶寬、fO表諧振頻率,則此三者之間的關係為下列何者? (A)f
O
=BW/Q (B)f
O
=BW×Q (C)f
O
=BW+Q (D)f
O
=BW-Q 。
63. 如下圖所示電路,其 V
AB
=?
(A)3V (B)2V (C)1V (D)0V 。
64. 如下圖所示電路,由 A、B 兩端往左看入之戴維寧等效電壓 V
TH
及等效電阻 R
TH
之值分別為何?
(A)15V、5Ω (B)20V、10Ω (C)20V、15Ω (D)30V、15Ω 。
65. 如下圖所示電路,下列敘述何者為錯誤?
(A)電容器兩端電壓 V
C
落後電流 i (B)電阻兩端電壓即為 V
O
,且與電流 i 之相位相同 (C)V
i
為 V
C
與 V
O
之向量和 (D)V
O
相位落後於 V
i
。
66. 兩平行板之間距為 0.1 ㎝,加上 10V 電壓時其電場強度為: (A)10V/m (B)100V/m (C)1000V/m (D)10000V/m 。
67. 如下圖所示電路,其 V
xy
=?
(A)-7V (B)7V (C)-3V (D)3V 。
68. 如下圖所示電路,R 為若干時可得最大功率?
(A)4Ω (B)6Ω (C)8Ω (D)10Ω 。
69. 如下圖所示電路,已知 C1=2F 其上原充有 3 庫侖電量,C2=3F 其上原充有 2 庫侖電量,將開關 S 接通 ON 之後,在達成平衡時 C1 兩端之電壓為何?
(A)3V (B)2V (C)1V (D)0V 。
70. 如下圖所示電路,其 i=?
(A)-2A (B)-1A (C)0A (D)1A 。
71. 如下圖所示之兩等效的電路,則 V
TH
與 R
TH
各為何?
(A)6V、10Ω (B)24V、11Ω (C)24V、10Ω (D)54V、10Ω 。
72. 將一個 100μF/200V 的電容器接到 100V 電源上,保持充電電流為1mA,則此電容器充滿電所需的時間為: (A)10sec (B)5sec (C)2sec (D)1sec 。
73. 如下圖所示電路,設電容器原有電壓為-5V,在 t=0 時開關 S 閉合ON,則 1 秒後電容器之電壓為何?
(A)6.36V (B)10V (C)12V (D)15V 。
74. 如下圖所示電路,若以一理想之交流安培表測得 I
R
=4A、I
L
=9A、I
C
=6A,則 I 之大小為何?
(A)5A (B)6A (C)15A (D)19A 。
75. 如下圖所示電路,I=?
(A)0.5∠90°A (B)1∠-90°A (C)1∠90°A (D)0.5∠-90°A 。
76. 有一電阻在 25℃時為 10Ω,75℃時為 10.1Ω,則此電阻在 25℃時之溫度係數為若干? (A)0.002 (B)0.001 (C)0.0002 (D)0.0001 。
77. 有一電容器以 10μA 之固定電流對其充電,經 1 分鐘後其兩端電壓升高60V,則此電容器之電容量為若干? (A)0.1μF (B)1μF (C)10μF (D)100μF 。
78. 如下圖所示電路,其 Va=?
(A)0.12V (B)0.24V (C)0.36V (D)0.48V 。
79. 已知一電路之 V(t)=154sin(377t+10°)V,而其 i(t)=1.54cos(377t-50°)A,則此電路之功率因數為何? (A)cos30° (B)cos40° (C)cos50° (D)cos60° 。
80. 如下圖所示電路,當電橋達到平衡時,下列敘述何者有誤?
(A)i=0 (B)L=R
1
R
4
C (C)L=R
2
R
3
C (D)R
4
=R
1
R
2
/R
3
。
81. 在電阻串聯電路中,下列何者敘述不正確? (A)流經各電阻元件的電流相等 (B)電阻較大者,所產生的電壓降較小 (C)電阻較大者,所消耗的電功率較大 (D)其總電阻值為將所有電阻元件的電阻值相加 。
82. 在電阻並聯電路中,下列何者敘述正確? (A)流經各電阻元件的電流相等(B)電阻較大者,所產生的電壓降較小 (C)電阻較大者,所消耗的電功率較小 (D)其總電阻值為將所有電阻元件的電阻值相加 。
83. 有關戴維寧等效電路與諾頓等效電路,下列何者敘述不正確? (A)戴維寧等效電路是以一個電壓源與一個等效電阻串聯取代 (B)諾頓等效電路是以一個電流源與一個等效電阻並聯取代 (C)戴維寧等效電路的等效電阻等於諾頓等效電路的等效電阻 (D)求戴維寧等效電路的等效電阻時需將電流源短路 。
84. 有關電容器的特性,下列何者敘述不正確? (A)電容器的兩片金屬片距離愈近則電容量越大 (B)電容器並聯,則電容量增加 (C)數個電容器串聯時,其總電容量減少 (D)若電容器標示 103,表示電容量為 0.1μF 。
85. 有關電感器的特性,下列何者敘述正確? (A)理想的電感器當加上電壓的瞬間其流經的電流由大變小 (B)兩電感器串連時若考慮互感時其總電感量為 L
1
+L
2
+2M(M 為互感) (C)電感器所儲存的能量與電感值平方成正比 (D)電感值與其所繞的線圈數平方成正比 。
86. 有關電荷、電流與庫倫的觀念,下列何者敘述正確? (A)依據庫倫定律,兩電荷間相互吸斥力大小與兩帶電體的電量乘積成反比 (B)依據庫倫定律,兩電荷間相互吸斥力大小與兩帶電體的距離成反比 (C)80 庫倫的電荷通過一點需 16 秒,則流經此點的電流為 5 安培 (D)庫倫為電荷的單位,一庫倫帶有 6.24x10
19
個電子的電荷 。
87. 一電阻對溫度係數為線性的材料在 20℃時電阻為 20Ω,溫度 60℃時電阻為 40Ω,則下列何者敘述正確? (A)此材料的溫度係數為 0.02℃
- 1
(B)此材料為負溫度係數材料 (C)溫度 48℃時電阻為 32Ω (D)若電阻為 48Ω時,則溫度為 76℃ 。
88. 如下圖電路所示,則 Vi 電壓值為多少?
(A)8V (B)11V (C)14V (D)17V 。
89. 如下圖電路所示,電阻 R 的色碼為棕黑橙銀,則下列何者敘述正確?
(A)R 的電阻值最大值為 10.1KΩ (B)I 的最大值為 1.0mA (C)I 的最小值為0.75mA (D)I 的最大值與最小值相差 0.25mA 。
90. 如下圖電路所示,電源提供 80W 功率,則 R 的電阻值為多少?
(A)2Ω(B)4Ω (C)6Ω (D)8Ω 。
91. 如下圖電路所示,R3 的功率為 144W,則下列何者敘述正確?
(A)R2 的電阻值為 100Ω (B)流經 R1 的電流為 0.5A (C)流經 R3 的電流為 1.0A (D)R2 的功率為 72W 。
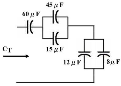
92. 如下圖所示電容串並聯電路,求等效電容值 C
T
為多少?
(A)10μF (B)12μF (C)15μF (D)18μF 。
93. 如下圖所示電感串並聯電路,求等效電感值 L
T
為多少(假設電感之間無互感)?
(A)15H (B)18H (C)21H (D)24H 。
94. 如下圖所示電路,求電流 I 值為多少?
(A)0.1A (B)-0.1A (C)0.2A (D)-0.2A 。
95. 如下圖所示為跨在 5μF 電容兩端的電壓波形,求 6-8ms 的電流值為多少?
(A)-60mA (B)-20mA (C)20mA (D)60mA 。
96. 如下圖所示為流經 5mH 電感的電流波形,則下列何者敘述正確?
(A)0-1ms 的電壓值為 75mV (B)1-2ms 的電壓值為-50mV (C)2-3ms 的電壓值為25mV (D)3-4ms 的電壓值為-25mV 。
97. 如下圖(a)所示電路,其諾頓等效電路如圖(b)所示,求諾頓電流 I
TH
值為多少?
(A)1.2mA (B)1.5mA (C)1.8mA (D)2mA 。
98. 如下圖電感串並聯電路所示,若等效電感值 L
T
為 2mH,則 L 值為多少(假設電感之間無互感)?
(A)2mH (B)4mH (C)6mH (D)8mH 。
99. 如下圖電容串並聯電路所示,若等效電容值 C
T
為 1μF,則 C 值為多少?
(A)0.25μF (B)0.50μF (C)0.75μF (D)1μF 。
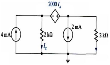
100. 如下圖電路所示,是屬於相依電源的哪一種類型?
(A)電壓控制電壓源(B)電壓控制電流源 (C)電流控制電壓源 (D)電流控制電流源 。
申論題 (0)
相關試卷
114年 - 11500 儀表電子 乙級 工作項目 10:裝配與測試知識 1-35(2025/11/04 更新)#133310
114年 · #133310
114年 - 11500 儀表電子 乙級 工作項目 09:儀表電學 101-147(2025/11/04 更新)#133309
114年 · #133309
114年 - 11500 儀表電子 乙級 工作項目 09:儀表電學 51-100(2025/11/04 更新)#133308
114年 · #133308
114年 - 11500 儀表電子 乙級 工作項目 09:儀表電學 1-50(2025/11/04 更新)#133307
114年 · #133307
114年 - 11500 儀表電子 乙級 工作項目 08:微電腦概論與應用 51-74(2025/11/04 更新)#133306
114年 · #133306
114年 - 11500 儀表電子 乙級 工作項目 08:微電腦概論與應用 1-50(2025/11/04 更新)#133305
114年 · #133305
114年 - 11500 儀表電子 乙級 工作項目 07:數位系統 101-150(2025/11/04 更新)#133304
114年 · #133304
114年 - 11500 儀表電子 乙級 工作項目 07:數位系統 51-100(2025/11/04 更新)#133303
114年 · #133303
114年 - 11500 儀表電子 乙級 工作項目 07:數位系統 1-50(2025/11/04 更新)#133302
114年 · #133302
114年 - 11500 儀表電子 乙級 工作項目 06:電子學 151-181(2025/11/04 更新)#133301
114年 · #133301