阿摩線上測驗
登入
首頁
>
技檢◆儀表電子-乙級
> 114年 - 11500 儀表電子 乙級 工作項目 06:電子學 1-50(2025/11/04 更新)#133298
114年 - 11500 儀表電子 乙級 工作項目 06:電子學 1-50(2025/11/04 更新)#133298
科目:
技檢◆儀表電子-乙級 |
年份:
114年 |
選擇題數:
50 |
申論題數:
0
試卷資訊
所屬科目:
技檢◆儀表電子-乙級
選擇題 (50)
1. 如下圖電路所示,反相放大電路中,R
X
之值應為:
(A)R
1
(B)R
2
(C)R
1
//R
2
(D)R
1
+R
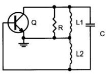
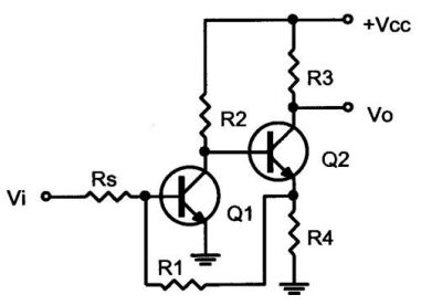
2
。
2. 一直流電源開路電壓為 50V,內阻 5Ω,滿載電流為 2A,則此電源之電壓調整率為何? (A)10% (B)15% (C)20% (D)25% 。
3. 二極體橋式全波整流器之輸入為
,則不加濾波器之輸出的直流成分為何? (A)
(B)
(C)
(D)
。
4. 下列四種放大器,何者為互導放大器? (A)電流-並聯負回授放大器 (B)電壓-並聯負回授放大器 (C)電壓-串聯負回授放大器 (D)電流-串聯負回授放大器 。
5. 如下圖電路所示屬於何種負回授型態?
(A)電流-串聯負回授 (B)電流-並聯負回授 (C)電壓-串聯負回授 (D)電壓-並聯負回授 。
6. 一 RC 耦合放大器的中頻增益為 100,高頻截止頻率為 10kHz,低頻截止頻率為 100Hz,加上負回授後,中頻增益為 15,高低頻截止頻率分別為f
HF
、f
LF
,則下列敘述何者正確? (A)β=0.075 (B)f
LF
=120Hz (C)f
HF
=66.7kHz (D)f
HF
=10kHz 。
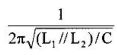
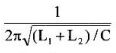
7. 如下圖電路所示的哈特萊振盪器(Hartly oscillator)而言,其振盪頻率為?
(A)
(B)
(C)
(D)
。
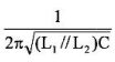
8. 石英晶體的等效電路如下圖電路所示,串聯諧振頻率為ω
s
,並聯諧振頻率為 ω
p
,則
=?
(A)
(B)
(C)
(D)
。
9. 如下圖電路所示,其輸入電阻和輸出電阻各約為何?
(A)R
i
=0Ω、R
o
=10kΩ (B)R
i
=10kΩ、R
o
=0Ω (C)R
i
=10kΩ、R
o
=10kΩ (D)R
i
=0kΩ、R
o
=0Ω 。
10. 如下圖電路所示,若 R
1
為 100kΩ,V
i
(t)=10sinωt 伏特,V
o
的平均值為 6.36V,則 R
2
=?
(A)190kΩ (B)200kΩ (C)210kΩ (D)220kΩ 。
11. 某一放大器的電壓增益為 400,總諧波失真為 18%,若接上一負回授電路,回授因數β為 1%,則此放大器之總諧波失真變成多少? (A)1% (B)1.6% (C)2% (D)3.6% 。
12. 一般在設計放大器常使用負回授電路,利用這種電路的效果以下何者為正確? (A)使放大器電壓增益穩定 (B)增加放大器電壓增益 (C)增加放大器對溫度改變的靈敏度 (D)減少放大器功率消耗 。
13. 負回授放大器的輸出阻抗 Z
o
,及輸入阻抗 Z
i
的關係為下列何者? (A)電壓串聯型,Z
o
變大,Z
i
變大 (B)電流串聯型,Z
o
變大,Z
i
變小 (C)電壓並聯型,Z
o
變小,Z
i
變大 (D)電流並聯型,Z
o
變大,Z
i
變小 。
14. 如下圖電路所示,屬於何種負回授型態?
(A)電流並聯負回授 (B)電壓並聯負回授 (C)電壓串聯負回授 (D)電流串聯負回授 。
15. 某矽二極體,其順向電壓時之溫度係數為-2.5mV/℃,當溫度為 25℃時,順向電壓為 0.7V,設在 45℃時電流不變,則順向電壓為何? (A)0.55V (B)0.6V (C)0.65V (D)0.7V 。
16. 如下圖電路所示,為一箝位電路(clamping circuit),輸入 V
i
為±25V 之方波,則輸出 Vo之波形為何?
(A)
(B)
(C)
(D)
。
17. 某濾波電路的輸出直流成份為 20V,而漣波電壓之有效值為 0.2V,則其漣波因數為何? (A)0.1% (B)0.5% (C)1% (D)2% 。
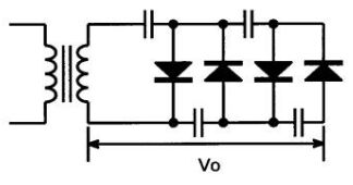
18. 如下圖電路所示,為何種倍壓整流電路?
(A)二倍壓器 (B)三倍壓器 (C)四倍壓器 (D)六倍壓器 。
19. 電晶體工作於線性放大電路時,其偏壓連接為下列何者? (A)基—集極順向偏壓,基—射極逆向偏壓 (B)基—集極順向偏壓,基—射極順向偏壓(C)基—集極逆向偏壓,基—射極逆向偏壓 (D)基—集極逆向偏壓,基—射極順向偏壓 。
20. 電晶體三種組態中,其輸出阻抗最高與最低者分別為下列何者? (A)共基極、共射極 (B)共基極、共集極 (C)共集極、共射極 (D)共射極、共集極 。
21. MOSFET 和 BJT 電晶體作比較,下列何者不是 MOSFET 的優點? (A)輸入阻抗較高 (B)晶片體積較小 (C)Gm 較大 (D)功率消耗較小 。
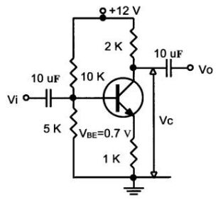
22. 如下圖電路所示,設電晶體β=100,則其集極對地的直流電壓 V
C
之值約為:
(A)4.5V (B)5.4V (C)6.5V (D)7.4V 。
23. 放大電路的頻率特性中之半功率點,是指電壓增益衰減為該放大電路的中頻段增益之幾倍? (A)0.5 倍 (B)0.636 倍 (C)0.707 倍 (D)1 倍 。
24. 某放大器若其輸入功率為 0.01W,而其輸出功率為 10W,則其功率增益為何? (A)30dB (B)40dB (C)50dB (D)60dB 。
25. 以下各種場效電晶體,何者具有較低之通道電阻與較高之電流及功率額定? (A)VMOSFET (B)JFET (C)空乏型 MOSFET (D)增強型 MOSFET 。
26. 某一放大器之電壓增益為 120,頻寬為 15kHz,若加上負回授電路,擴大頻寬為 30kHz 時,則此放大器之電壓增益變為何? (A)200 (B)120 (C)60(D)40 。
27. 轉移曲線是指下列何者? (A)V—I 曲線 (B)V
i
—V
o
曲線 (C)李沙育圖形 (D)頻率響應曲線 。
28. 如下圖電路所示,為一非反相運算放大器,假設此運算放大器具無限大輸入阻抗及零輸出阻抗,則其回授因素β值為:
(A)R
A/ RB
(B)(R
A
+R
B
)/R
B
(C)R
A/ /R
B
(D)R
A
/(R
A
+R
B
) 。
29. 一般功率放大器的最高功率轉換效率的大小順序為下列何者? (A)AB 類>B 類>A 類 (B)B 類>AB 類>A 類 (C)A 類>B 類>AB 類 (D)A 類>AB類>B 類 。
30. 設一功率電晶體之接面最高允許工作溫度 T
j (max)
=170℃,熱阻θ
JC
=2℃/W,在外殼溫度 T
C
=30℃時,則其最高功率散逸 P
D (max)
為何? (A)30W(B)50W (C)70W (D)90W 。
31. 如下圖電路所示,為波形產生電路,輸出端的波形為何?
(A)三角波 (B)正弦波 (C)方波 (D)鋸齒波 。
32. 若一恆流源差動放大器的各個雙載體接面電晶體(BJT)的參數皆相同,即h
fe
=150、h
ie
=1.5kΩ、h
oe
=25μS,則此放大器之差模輸入電阻值約等於多少? (A)300kΩ (B)225kΩ (C)3.0kΩ (D)500Ω 。
33. 如下圖電路所示,己知 Q
1
、Q
2
的 h
fe
=150、h
ie
=2kΩ、h
oe
=45mS,則其電流增益 A
i
=i
o
/i
b
值約為多少?
(A)5×10
3
(B)11×10
3
(C)15×10
3
(D)22×10
3
。
34. 最基本的電流鏡(current mirror)電路包括下列何者? (A)一個電晶體和一個電阻器 (B)兩個電阻器和一個電晶體 (C)兩個電晶體接成兩個二極體 (D)兩個電晶體和一個電阻器 。
35. 電晶體作定電流源時,何者應保持定值? (A)V
BE
(B)V
CE
(C)V
BC
(D)V
CC
。
36. 如下圖電路所示,其輸入與輸出之間的相位差為何?
(A)0° (B)90° (C)180°(D)270° 。
37. 在共射極放大電路中,使用的射極旁路電容器,其作用為何? (A)濾波(B)阻止直流電流通過射極電阻 (C)抑制振盪 (D)使電壓增益不致因射極電阻而降低 。
38. 在電晶體放大電路中,具有較低輸出阻抗為下列何者? (A)共基極放大電路 (B)共射極放大電路 (C)共集極放大電路 (D)共源極放大電路 。
39. 放大器的偏壓選擇不當,將引發何種現象? (A)電路振盪 (B)相位失真 (C)頻率失真 (D)波幅失真 。
40. 下圖電路中,若 S 為 ON 則輸出端電壓 V
o
為多少?
(A)12V (B)8V (C)4V(D)0V 。
41. 電晶體放大電路中,下列何者是影響放大器高頻響應的主因? (A)反耦合電容 (B)耦合電容 (C)射極旁路電容 (D)電晶體的極際電容 。
42. 對一個純矽半導體而言,下列敘述何者為真? (A)摻雜砷,將形成 P 型半導體 (B)摻雜硼,將形成 N 型半導體 (C)n=p=n
i
‧n
i
(D)溫度上升,n
i
增加 。
43. 提高雙載體接面電晶體(BJT)β值的方法,下列敘述何者為真? (A)加大基極寬度 (B)提高基極的摻雜濃度 (C)提高射極的摻雜濃度 (D)加大集極寬度 。
44. 在雙載體接面電晶體(BJT)電路組態中,何種組態的高頻響應最差? (A)共射極組態 (B)共基極組態 (C)共集極組態 (D)疊接(cascade)組態 。
45. 將放大器疊接(cascade)其最大的用途為何? (A)提高電壓增益 (B)提高電流增益 (C)提高輸入阻抗 (D)增加頻帶寬度 。
46. 場效電晶體(FET)工作於夾止電壓(pitch off)以下時,可作為壓變電阻器(voltage-variable resistor),其中改變電阻值的控制電壓,為下列何者?(A)V
DS
(B)V
GS
(C)V
G D
(D)V
T
。
47. 如下圖電路所示,輸出端電壓為多少?
(A)1V (B)2V (C)3V (D)6V 。
48. AC 110V 60Hz 若經全波整流電路的輸出波形為脈動直流,其脈動頻率為何? (A)30Hz (B)60Hz (C)120Hz (D)240Hz 。
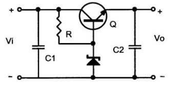
49. 下圖所示之電路為何種用途?
(A)整流電路 (B)電源穩壓電路 (C)放大電路(D)單穩態多諧振盪電路 。
50. 漣波因數愈大,濾波器之效果將如何? (A)愈好 (B)愈差 (C)不變 (D)不一定 。
申論題 (0)
相關試卷
114年 - 11500 儀表電子 乙級 工作項目 10:裝配與測試知識 1-35(2025/11/04 更新)#133310
114年 · #133310
114年 - 11500 儀表電子 乙級 工作項目 09:儀表電學 101-147(2025/11/04 更新)#133309
114年 · #133309
114年 - 11500 儀表電子 乙級 工作項目 09:儀表電學 51-100(2025/11/04 更新)#133308
114年 · #133308
114年 - 11500 儀表電子 乙級 工作項目 09:儀表電學 1-50(2025/11/04 更新)#133307
114年 · #133307
114年 - 11500 儀表電子 乙級 工作項目 08:微電腦概論與應用 51-74(2025/11/04 更新)#133306
114年 · #133306
114年 - 11500 儀表電子 乙級 工作項目 08:微電腦概論與應用 1-50(2025/11/04 更新)#133305
114年 · #133305
114年 - 11500 儀表電子 乙級 工作項目 07:數位系統 101-150(2025/11/04 更新)#133304
114年 · #133304
114年 - 11500 儀表電子 乙級 工作項目 07:數位系統 51-100(2025/11/04 更新)#133303
114年 · #133303
114年 - 11500 儀表電子 乙級 工作項目 07:數位系統 1-50(2025/11/04 更新)#133302
114年 · #133302
114年 - 11500 儀表電子 乙級 工作項目 06:電子學 151-181(2025/11/04 更新)#133301
114年 · #133301