阿摩線上測驗
登入
首頁
>
技檢◆機械停車設備裝修-乙級
> 114年 - 12700 機械停車設備裝修 乙級 工作項目 05:電機部分 51-100(2025/12/17 更新)#135156
114年 - 12700 機械停車設備裝修 乙級 工作項目 05:電機部分 51-100(2025/12/17 更新)#135156
科目:
技檢◆機械停車設備裝修-乙級 |
年份:
114年 |
選擇題數:
50 |
申論題數:
0
試卷資訊
所屬科目:
技檢◆機械停車設備裝修-乙級
選擇題 (50)
51. 超過一公尺以上之金屬管其所使用導線線徑在多少公厘以上時應使用絞線? (A)1.2 (B)2.0 (C)2.6 (D)3.2 。
52. 配(分)電箱之分路額定值如為 30 安培或低於 30 安培時,其主過電流保護器以不超過多少安培為宜? (A)30A (B)60A (C)100A (D)200A 。
53. 配(分)電箱內之任何過電流保護裝置,如所裝接負載在正常狀態下須連續滿載三小時以上者,該負載電流以不超過其額定值之 (A)70% (B)80% (C)90% (D)125% 。
54. 配(分)電箱如裝置於潮濕處所者,應屬 (A)防震型 (B)防水型 (C)防爆型(D)防塵型 。
55. 架空電纜,若電壓不同之線路互相跨越或掛於同一支持物者,其電壓較高之線路,應如何設置 (A)佔較低位置 (B)佔較高位置 (C)不跨越電壓較低線路 (D)視情況而定 。
56. 屋內之低壓電燈及家庭用電器具之裝置線路,與煤氣管應保持多少公厘以上之距離? (A)50 (B)80 (C)100 (D)150 。
57. 分路供應設有安定器、變壓器或自耦變壓器之電感性照明負載時,其負載計算應以 (A)各負載額定電流之總和計算 (B)各負載額定電壓之總和計算 (C)燈泡之總瓦特數計算 (D)燈泡之個別瓦特數計算 。
58. 單相感應電動機定部繞組串接電容器的目的為,使運轉與起動線圈間之電流相位相差約 (A)90° (B)120° (C)180° (D)270° 。
59. 2 馬力/300 伏以下之固定裝置電動機,其操作器雖得以一般開關代替,但其最小額定電流值不得低於全載電流之多少倍? (A)0.75 (B)1.25 (C)2 (D)2.5 。
60. 感應電動機之起動方法中,何者之起動電流最大? (A)全壓起動 (B)Y-Δ起動 (C)啟動補償器 (D)二次電阻起動 。
61. 11.4kV 三相四線式多重接地供電系統之高壓電容器應採用 (A)特種接地(B)第一種接地 (C)第二種接地 (D)第三種接地 。
62. 二極 50Hz 之交流電動機其同步轉速為 (A)3600rpm (B)1800rpm (C)3000rpm (D)3200rpm 。
63. 電車、升降機、起重機等應使用何種電動機? (A)分激 (B)差複激 (C)串激式 (D)他激式 。
64. 電動機啟動時因下列何種原因之故會導致啟動電流為額定電流之若干倍(A)磁通量為零 (B)端電壓為零 (C)反電勢為零 (D)場電壓為零 。
65. 三相 Y 接 2300V/1750KVA 之交流發電機其額定電流為 (A)759A (B)439A(C)252A (D)262A 。
66. 同步電動機之轉速於下列何種條件時才能產生轉矩? (A)等於同步轉速(B)高於同步轉速 (C)低於同步轉速 (D)不同於同步轉速 。
67. 下列何種情況下,繞線型轉子感應電動機可減少電動機起動電流且可增加起動轉矩? (A)降低電壓 (B)增加定子電阻 (C)增加轉子電阻 (D)降低場電阻 。
68. 大容量鼠籠型感應電動機採用 (A)直接起動 (B)起動補償器 (C)Y-△起動器(D)加壓起動 。
69. 電動機之反電勢與電樞電流乘積,即為 (A)電動機之機械功率 (B)電動機之熱功率 (C)電動機之輸入功率 (D)電動機之輸出能量 。
70. 若變壓器匝數比 a=N
1
/N
2
,則換算至一次側之等效電阻,電抗及負載阻抗時,必須乘以 (A)a (B)a
2
(C)1/a (D)1/a
2
。
71. 容量不等之兩台變壓器並聯運用時,若欲按其容量分配負載,則其內部之等值阻抗必須 (A)相等 (B)無關 (C)與其額定容量成正比 (D)與其額定容量成反比 。
72. 適合於交流電弧電焊機之用途者為 (A)恆壓變壓器 (B)恆流變壓器 (C)自耦變壓器 (D)高漏磁變壓器 。
73. 電源電壓降低 10%時,感應電動機之起動轉矩約降低 (A)10% (B)20% (C)30% (D)40% 。
74. 運轉中,將單相感應電動機的主線圈兩端反接,則其旋轉方向 (A)不變(B)反向旋轉 (C)停止 (D)不一定 。
75. 雜散功率損失之近似值為輸入於電樞之電功率 (A)加上樞電阻之電功率損失 (B)乘上樞電阻之電功率損失 (C)減去樞電阻之電功率損失 (D)除以樞電阻之電功率損失 。
76. 變壓器各繞組之感應電勢和下列何者成正比例 (A)線圈匝數 (B)鐵心重量(C)變壓器溫度 (D)變壓器額定容量 。
77. 減極性之單相變壓器,原線圈和副線圈的“+”號,必 (A)不在同方向(B)在同一方向 (C)不受限制 (D)短路連接 。
78. △型變壓器做 V 型運用時 (A)相序相反,容量及電壓不變 (B)電壓減少,容量及相序不變 (C)容量減少,電壓及相序不變 (D)電壓不變,容量及相序不變 。
79. 載有電流之導體 (A)必然有磁場產生 (B)不會有磁場產生 (C)不一定有磁場產生 (D)不應有磁場產生 。
80. 驗電起子可以用來檢測 (A)DC 10kV (B)DC 3V (C)AC 10kV (D)AC 110V 。
81. 在將電源插頭插入插座之前,應先確定 (A)開關在 OFF 位置 (B)開關放在ON 位置 (C)可不管開關位置隨意均可 (D)依狀況再決定位置 。
82. 繼電器有兩個輸出接點 N.C.與 N.O.各代表何種接點? (A)常開與常關 (B)常開與常閉 (C)常閉與常閉 (D)常閉與常開 。
83. 安裝高功率電晶體時 (A)需直接固定於印刷電路板上 (B)需以散熱器固定即可 (C)需以散熱器鎖緊並塗以散熱油 (D)需與散熱器保持散熱距離 。
84. 多蕊導線剝線後,使用前之處理,以下列何種方式較佳? (A)加松香 (B)加焊錫 (C)加散熱油 (D)加絕緣油 。
85. AC 電源線部份之接點 (A)為加強散熱,需直接暴露於空氣中 (B)為防止漏電,必須用螺絲固定 (C)必須以束線帶束在一起 (D)必須以熱縮套管絕緣 。
86. 為防止繼電器接點產生火花,一般均在接點兩端併接 (A)電阻器 (B)電容體 (C)二極體 (D)電感器 。
87. 台灣超高壓電力系統之最高電壓為多少? (A)1.1kV (B)2.5kV (C)161kV (D)345kV 。
88. 三用電表之直流電壓檔若有 3V,12V,30V,120V,則哪一檔之輸入阻抗最高? (A)3V (B)12V (C)30V (D)120V 。
89. 若下圖中之 3KΩ開路,則 A-B 間電壓為
(A)10V (B)6V (C)4V (D)0V 。
90. 如下圖電路所示,總電阻 Rt 應為
(A)1Ω (B)1.5Ω (C)2Ω (D)3Ω 。
91. 在線性電路中,任意兩端點間之網路,可用一等效電流源及並聯一等效電阻等效之,此原理係依據 (A)戴維寧定理 (B)克希荷夫定律 (C)密爾門定理 (D)諾頓定理 。
92. 變壓器鐵蕊使用疊成薄矽網片,其目的在於減少 (A)銅損失 (B)機械損失(C)磁帶損失 (D)渦流損失 。
93. 一個 100W 的燈泡,當供應電壓減少為一半時,其消耗功率亦隨之減少為 (A)1/2 (B)1/3 (C)1/4 (D)1/8 。
94. 一直流電源供電器,無載時輸出電壓為 30V,滿載時輸出電壓為 25V,則電壓調整率為 (A)16.6% (B)20% (C)60% (D)83.3% 。
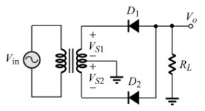
95. 如下圖所示中間抽頭式變壓器電路中,|V
S1
|=|V
S2
|,V
S1
=10sinωtV,且D
1
、D
2
皆為理想二極體,則 V
o
之平均直流電壓為
(A)-6.37V (B)-3.18V (C)3.18V (D)6.37V 。
96. 如下圖所示,其中齊納二極體(Zener Diode)電壓 V
Z
=5V,且其最大工作電流為 15mA,若負載的範圍為 100Ω≦R
L
≦500Ω,則 R
1
值至少為若干?
(A)200Ω (B)300Ω (C)400Ω (D)500Ω 。
97. 如下圖之迴路中,D
1
、D
2
為矽二極體,則 I
2
約為何值?
(A)2.7mA (B)3.1mA (C)3mA (D)3.9mA 。
98. 如下圖所示,若 D 屬理想二極體,則下列何種做法對改善其漣波因素(ripple factor)的效果最差
(A)將輸入電壓變小 (B)將電容值加大 (C)改用全波整流 (D)將電阻值加大 。
99. 通常使一 LED 發亮至少應流過多少電流? (A)10~15μA (B)10~15mA(C)100~200μA (D)100~200mA 。
100. 如下圖所示之理想二極體電路中,若 R=1kΩ,則流經此電阻的電流為何?
(A)1mA (B)3mA (C)5mA (D)9mA 。
申論題 (0)
相關試卷
114年 - 12700 機械停車設備裝修 乙級 工作項目 07:有關法規 151-171(2025/12/17 更新)#135163
114年 · #135163
114年 - 12700 機械停車設備裝修 乙級 工作項目 07:有關法規 101-150(2025/12/17 更新)#135162
114年 · #135162
114年 - 12700 機械停車設備裝修 乙級 工作項目 07:有關法規 51-100(2025/12/17 更新)#135161
114年 · #135161
114年 - 12700 機械停車設備裝修 乙級 工作項目 07:有關法規 1-50(2025/12/17 更新)#135160
114年 · #135160
114年 - 12700 機械停車設備裝修 乙級 工作項目 06:試車 1-62(2025/12/17 更新)#135159
114年 · #135159
114年 - 12700 機械停車設備裝修 乙級 工作項目 05:電機部分 151-194(2025/12/17 更新)#135158
114年 · #135158
114年 - 12700 機械停車設備裝修 乙級 工作項目 05:電機部分 101-150(2025/12/17 更新)#135157
114年 · #135157
114年 - 12700 機械停車設備裝修 乙級 工作項目 05:電機部分 1-50(2025/12/17 更新)#135155
114年 · #135155
114年 - 12700 機械停車設備裝修 乙級 工作項目 04:機械停車設備機械部分 151-176(2025/12/17 更新)#135154
114年 · #135154
114年 - 12700 機械停車設備裝修 乙級 工作項目 04:機械停車設備機械部分 101-150(2025/12/17 更新)#135153
114年 · #135153