阿摩線上測驗
登入
首頁
>
統測◆03電機與電子群電機類◆(二)電工機械、電子學實習、基本電學實習
> 90年 - 90 四技二專統測_電機類_專業科目(二):電工機械實習、電子電路與工業電子實習、低壓工業配線實習、基本冷凍空調實習#21372
90年 - 90 四技二專統測_電機類_專業科目(二):電工機械實習、電子電路與工業電子實習、低壓工業配線實習、基本冷凍空調實習#21372
科目:
統測◆03電機與電子群電機類◆(二)電工機械、電子學實習、基本電學實習 |
年份:
90年 |
選擇題數:
40 |
申論題數:
0
試卷資訊
所屬科目:
統測◆03電機與電子群電機類◆(二)電工機械、電子學實習、基本電學實習
選擇題 (40)
1. 變壓器的匝數比為 22/3,若無載時在高壓側量測電壓為 110伏特,則在低壓側量測電壓 值為多少? (A) 110 伏特 (B) 75 伏特 (C) 45 伏特 (D) 15 伏特
2. 單相變壓器的開路及短路實驗之目的,下列敘述何者正確? (A) 開路實驗用於量測銅損,短路實驗用於量測鐵損 (B) 開路實驗用於量測電壓調整率,短路實驗用於量測鐵損 (C) 開路實驗用於量測鐵損,短路實驗用於量測銅損 (D) 開路實驗用於量測溫升效應,短路實驗用於量測鐵損
3. 使用 200/5 的比流器 (C.T.) 量測三相電路之線電流,若一次側貫穿1 匝,且二次側的安 培表讀值為 2 安培,則此三相電路之線電流為多少? (A) 100 安培 (B) 80 安培 (C) 40 安培 (D) 20 安培
4. 圖(一)為變壓器使用交流方法之極性測試接線圖,若此變壓器為加極性,則圖(一) 中
伏特表讀值分別為 V
1
、V
2
及 V
3
,其關係下列何者正確?
(A) V
1
=V
2
+V
3
(B) V
2
= V
1
+V
3
(C) V
3
= V
1
+V
2
(D) V
3
=2 V
1
+V
2
5. 使用兩瓦特表方法量測三相感應電動機之輸入功率,若此兩個瓦特表的讀值分別為 350 瓦特及 800 瓦特且皆為正值,則此三相感應電動機總輸入功率為多少? (A) 1150 瓦特 (B) 800 瓦特 (C) 450 瓦特 (D) 350 瓦特
6. 某一單相感應電動機在輸出功率為 1 馬力時,其輸入交流電壓為 200 伏特,電流為 6 安 培,功率因數為 0.8 滯後,此效率約為多少? (A) 0.88 (B) 0.78 (C) 0.68 (D) 0.58
7. 串激式直流電動機之負載實驗時,若扭力計顯示為 0.6 公斤-米,轉速計顯示為 1710 轉/分時,則此電動機的輸出功率約為多少? (A) 2100 瓦特 (B) 1050 瓦特 (C) 525 瓦特 (D) 250 瓦特
8. 三相、4 極、220 伏特、60 赫芝、1 馬力的感應電動機,將轉子堵住,且輸入三相電壓調 整為 44 伏特,量測其輸入線電流為 4 安培;若正常使用在額定電壓起動,則起動時輸入 線電流為多少? (A) 40 安培 (B) 30 安培 (C) 20 安培 (D) 10 安培
9. 三相同步發電機之無載飽和曲線,下列敘述何者正確? (A) 無載端電壓與轉速的關係 (B) 滿載電流與轉速的關係 (C) 無載端電壓與滿載電流的關係 (D) 無載端電壓與激磁電流的關係
10. 三相同步電動機之 V 形曲線,下列敘述何者正確? (A) 輸入電流與激磁電流的關係 (B) 輸入電壓與激磁電流的關係 (C) 輸入電壓與輸入電流的關係 (D) 輸入電流與轉速的關係
11. 分激式直流發電機之無載端電壓為250伏特,滿載端電壓為200伏特,此直流發電機的電 壓調整率為多少? (A) 50% (B) 25% (C) 15% (D) 5%
12. 三相感應電動機接於三相 200 伏特、60 赫芝的電源時,空載時量測其轉速為 899 轉/ 分,此三相感應電動機的極數為多少? (A) 2 極 (B) 4 極 (C) 6 極 (D) 8 極
13. 示波器量測電壓信號 V(t) = 5sin314t伏特,若水平軸之時間刻度設定為 5ms/DIV,則此 信號週期在示波器的螢光幕上顯示為多少? (A) 8 格 (B) 6 格 (C) 4 格 (D) 2 格
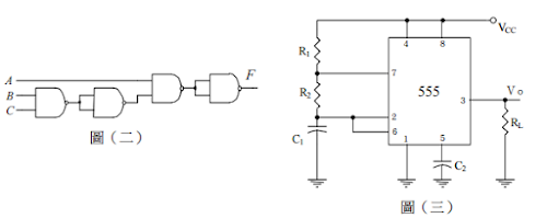
14. 圖(二)由反及閘 (NAND gate) 所組成之數位邏輯圖,其輸出F 與輸入 A、B及C 的關 係為 (A) F = A+ B + C (B) F =
(C) F =
(D) F = A• B •C
15. 8 位元 (8 bit) 的數位/類比轉換器(D/A converter)其解析度為 (A)1/ 511 (B) 1/255 (C) 1/127 (D) 1/31
16.
的符號表示下列何種元件? (A) PUT (B) DIAC (C) SCR (D) SCS
17. 圖(三)為積體電路編號 555 所組成方波產生器,其輸出之方波週期的近似值為
(A)0.7(R
1
+ 2R
2
)C
1
(B) 0.7 ( R
1
+ R
L
) C
2
(C) 0.7( R
1
+2 R
L
)C
1
(D) 0.7 ( R
1
+ 2 R
L
) C
2
18. 運算放大器之積體電路編號 741 的接腳定義,下列何者正確? (A) 第 3 腳為輸出 (B) 第 6 腳為輸出 (C) 第 2 腳為輸出 (D) 第 7 腳為輸出
19. 圖(四)為實際運算放大器之接線圖,且電源供給電壓為 15 伏特及- 15伏特,若輸入電 壓為 2 伏特,則輸出電壓約為多少?
(A) 20 伏特 (B) 14 伏特 (C) - 14 伏特 (D) - 20 伏特
20. 圖(五)為電晶體 Q 驅動繼電器 RY 的接線圖,此電晶體當作開關使用,應操作於何工 作區?
(A) 線性區與截止區 (B) 截止區與飽和區 (C) 線性區與飽和區 (D) 線性區與電阻 區
21. 圖(六)為穩壓電路,其中積體電路編號 7805 的功能敘述,下列何者正確?
(A) 作數位邏輯閘使用 (B) 作運算放大器使用 (C) 作 15 伏特的穩壓使用 (D) 作 5 伏特的穩壓使用
22. 圖(七)電路的功用為何?
(A) 作比例限制器使用 (B) 作精密整流器使用 (C) 作信號比較器使用 (D) 作電壓振盪器使用
23. 一個框架容量 (A.F.) 為 100 A的無熔絲開關 (N.F.B.) 之配線系統,其有三個分支電路, 每一分支電路中有一個 N.F.B.,如圖(八)所示,試問分支電路 N.F.B.#1 的跳脫電流 (A.T.) 為何者較恰當?
(A) 125 至 150 A 之間(B) 90 A以下 (C) 175 至 225 A 之間 (D) 400 A 以上
24. 三相感應電動機 Y-Δ啟動,其 Y 形接法電流(I
Y
) 與三角形接法電流(I
Δ
) 間的關係為
25. 電磁接觸器 (M.C.) 線圈激磁動作後,產生噪音之可能的因素為 (A) 鐵芯表面不潔 (B) 電源接地 (C) 線圈短路 (D) 線圈開路
26. 設 3ψ、220 V、5 HP、60 Hz 之感應電動機,其滿載電流為 15 A,定子兩相間繞組之電 阻值為 1.246Ω;今擬使用直流剎車,因此需使用變壓器降壓整流,以得到剎車所需的直 流電,則能在最短時間內剎車,最理想的變壓器二次側電壓V
rms
值為 (A) 9 V (B) 12 V (C) 15 V (D) 42 V
27. 設 3ψ、220 V、7.5 HP、60 Hz 之感應電動機,其滿載電流為 22 A,執行 Y-Δ啟動,並 於線電流電路上裝置一積熱過載電驛 (THRY),設其安全係數為 1.15;則下述 THRY 的 電流容量,何者較恰當? (A) 10 A (B) 15 A (C) 30 A (D) 60 A
28. 某配線系統使用 150/5 的比流器 (C.T.),此比流器的基本貫穿匝數為 1 匝,今欲搭配 50/5 的電流表,此時比流器應貫穿 (A) 6 匝 (B) 5 匝 (C) 4 匝 (D) 3 匝
29. 如圖(九)的開關電路,若將開關 S1 置於截止 (OFF),開關 S2 與 S3 置於導通 (ON) 時,使用三用電表電阻檔,量測端點 1 與端點 2 間的電阻,其電阻值為
(A) R (B) 2R (C) 3R (D) 4R
30. 如圖(十)的控制電路,下列敘述何者為正確?
(A) PB1 導通 (ON) 時,X、M1 與 M2 三者同時動作 (B) PB1 導通 (ON) 時,X 與 M2 同時動作,M1 延遲五秒 (TR1 TC= 5 秒) 方動作 (C) PB1 導通 (ON) 時,M2 比 M1 延遲五秒 (TR1 TC=5 秒) 方動作 (D) PB1 導通 (ON) 時,M1 與 M2 二者均要延遲五秒 (TR1 TC= 5 秒) 方動作
31. 第三種接地為低壓用電設備接地,今有一電氣設備,其對地電壓為220伏特至300伏特, 則此設備之接地電阻應在 (A) 100 至 200 Ω之間 (B) 50Ω以下 (C) 50 至 100 Ω之間 (D) 300 Ω以上
32. 如圖(十一)的控制電路,欲達成下述動作順序,按鈕 PB1 動作導通 (ON) 時:M1 先 動作,M2 則須延遲五秒方動作;且 M2 運轉 20 秒後會自動停止。按鈕 PB2 動作為停止 命令:M1 與 M2 均應停止;因此在圖(十一)的端點 1 與 2 間應加入最恰當的接點為
(A)
(TR1 / TC) (B)
(TR1 / TO) (C)
(TR2 / TC) (D)
(TR2 / TO)
33. 某空調設備的總耗電量為 2.1 kW,冷房能力為 4200 kcal/hr,則此設備的能量效率比值 (E.E.R)為 (A) 2 kcal/W hr (B) 3 kcal/W hr (C) 4 kcal/W hr (D) 5 kcal/W hr
34. 壓縮機主要的功能為 (A) 將高溫高壓過熱液體,轉換為常溫高壓過冷卻液體 (B) 將常溫高壓過冷卻液體,轉換為低溫低壓飽和液體 (C) 將低溫低壓液體,吸熱成低溫低壓的飽和氣體 (D) 將低溫低壓氣體,壓縮成高溫高壓的過熱氣體
35. 於密閉式冷凍空調系統,執行充灌冷媒工作,首先抽真空及測漏,然後於壓縮機靜止情 況下,充灌冷媒,應 (A) 由高壓端與低壓端同時充灌氣態冷媒 (B) 由低壓端充灌氣態冷媒 (C) 由低壓端充灌液態冷媒 (D) 由高壓端充灌氣態冷媒
36. 有一冷凍設備,運轉時高壓壓力為 17.5 2 Kg / cm
2
-g ,壓縮比 R = 2.5,則低壓壓力為多 少? (A) 4.1 Kg / cm
2
-g (B) 5.2 Kg / cm
2
-g (C) 6.4 Kg / cm
2
-g (D) 8.2 Kg / cm
2
-g
37. 典型壓縮機有行駛線圈(或主線圈)RC,與啟動線圈SC兩組,如圖(十二)所示,今以三 用電表電阻檔,量測此三線頭,若R
RC
表示端點 R與端點 C間的電阻;R
SC
表示端點 S 與 端點 C 間的電阻;R
RS
表示端點 R 與端點 S 間的電阻;則上述三者間的關係為
(A) R
RC
< R
SC
<R
RS
(B) R
SC
<R
RC
<R
RS
(C) R
RS
< R
RC
< R
SC
(D) R
RC
< R
RS
<R
SC
38. 不滴水窗型冷氣機使用三重冷卻法,而三重冷卻法是指 (A) 先氣冷,再水冷,待前二者完成後,再執行一次水冷 (B) 氣冷、水冷與霧冷三者同時實施 (C) 先水冷,待水冷完成,再氣冷,氣冷完成,再實施水冷 (D) 先霧冷,待霧冷完成,再水冷,水冷完成,再霧冷
39. 在運轉中的冷凍系統,下述元件中何者溫度最低? (A) 毛細管入口 (B) 壓縮機出口 (C) 冷凝器出口 (D) 蒸發器出口
40. 如果一個冷凍空調系統,其壓縮機所需的動力愈大,表示 (A) 凝結壓力愈低,則壓縮比愈小 (B) 蒸發壓力愈低,則壓縮比愈小 (C) 蒸發壓力愈低,則壓縮比愈大 (D) 毛細管壓力愈低
申論題 (0)