阿摩線上測驗
登入
首頁
>
統測◆03電機與電子群電機類◆(二)電工機械、電子學實習、基本電學實習
> 91年 - 91 四技二專統測_電機類_專業科目(二):電工機械實習、電子電路與工業電子實習、低壓工業配線實習、基本冷凍空調實習#21371
91年 - 91 四技二專統測_電機類_專業科目(二):電工機械實習、電子電路與工業電子實習、低壓工業配線實習、基本冷凍空調實習#21371
科目:
統測◆03電機與電子群電機類◆(二)電工機械、電子學實習、基本電學實習 |
年份:
91年 |
選擇題數:
40 |
申論題數:
0
試卷資訊
所屬科目:
統測◆03電機與電子群電機類◆(二)電工機械、電子學實習、基本電學實習
選擇題 (40)
1.屋內配線常用的配線方式為: (A)三相三線式220V (B)單相二線式110V或單相三線式110V/220V (C)三相三線式440V (D)單相二線式220V或單相三線式220V/440V。
2.已知一低壓分路導線連接一台三相感應電動機,若電動機的額定電流為32A時,則此分路導線合理的安培容量約為多少? (A)40A (B)35A (C)30A (D)25A。
3.通常在電熱水器或飲水機分路加裝漏電斷路器,是因為它具有下列何種主要功能? (A)檢出短路故障,完成跳脫以隔離故障點 (B)檢出斷線故障、完成跳脫以隔離故障點 (C)檢出過電流故障,完成跳脫以隔離故障點 (D)檢出接地故障,完成跳脫以隔離故障點。
4.若低壓電動機的額定電流為18A,則此電動機過電流保護裝置之合理的跳脫安培容量範圍為: (A)18A至50A之間 (B)36A至54A之間 (C)27A至45A之間 (D)50A至70A之間。
5.單相1l0V的日光燈之低壓配電回路,若採用單極無熔絲開關作保護,則正確配線方式為: (A)選擇火線經過無熔絲開關 (B)選擇中性線經過無熔絲開關 (C)選擇接地線經過無熔絲開關 (D)火線,中性線或接地線任意選擇其中一條經過無熔絲開關。
6.利用電磁開關執行三相電動機起動、運轉與停止的控制回路,下列配線方式何者正確?
7.一般將冷氣機或電冰箱的插頭拔離電源,必須等候約3分鐘後才可再插上電源、作此考慮的主要原因是: (A)使冷凝器冷卻 (B)使壓縮機冷卻 (C)使壓縮機高、低壓端的壓力達於平衡 (D)提高效率。
8.假設直流電流表的滿刻度為1mA,若將此電流表與0.01Ω的分流器並聯,則可擴大電流的量測範圍至1A,問此電流表的內阻約為多少? (A)40 (B)30 (C)20 (D)10 Ω。
9.家庭用電冰箱的壓縮機馬達,通常採用: (A)蔽極式單相馬達 (B)分相式單相馬達 (C)電容起動式單相馬達 (D)推斥式單相馬達。
10.單相變壓器的負載實驗,經由示波器所測得變壓器二次側的負載端電壓與電流波形分別為v(t)=141.4sin(377t)V與i(t)=7.07sin(377t-30°)A,試問負戴的虛功率為多少? (A)1000var (B)750var (C)500var (D)250var。
11.額定10kVA,220V/110V之單相變壓器,已知無載時一天的耗電量為12度(kwh),試問變壓器的鐵損為多少? (A)300 (B)500 (C)700 (D)900 W
12.有關變壓器銅損的敘述,下列何者正確? (A)包含磁滯損 (B)包含渦流損 (C)與負載電流的平方成正比 (D)與負載電流成正比。
13.利用單相減極性變壓器三台,擬作成三相△-△接法,下列接法何者正確(大寫英文字母代表電源側,小寫英文字母代表負載側)?
14.額定5kVA,200V/100V,60Hz之單相變壓器,經短路實驗得一次側(200V側)的總等效電阻為1.0Ω;若此變壓器供應功率因數為1.0之負載且在變壓器額定容量的80%時發生最高效率,則最高效率時的總損失為多少? (A)400 (B)600 (C)800 (D)1000 W。
15.額定60Hz,200V/100V之普通單相變壓器一台,已知連接成自耦變壓器300V/100V使用時的容量為30kVA,問此普通變壓器的容量為多少? (A)10 (B)20 (C)30 (D)40 kVA。
16.直流機換向片的功能與下列那一種元件相類似? (A)突波吸收器 (B)整流二極體 (C)消弧線圈 (D)正反器。
17.一部直流分激式電動機,由相關實驗測得電樞電阻0.5Ω,磁場線圈電阻180Ω,轉軸的角速度為170rad/s(弳/秒)。當供給電動機的直流電源電壓、電流分別為180V與21A時,則此電動機產生的電磁轉矩為多少? (A)8 (B)12 (C)16 (D)20 N-m。
18.直流電動機之轉速控制方法,具有定馬力運轉特性者為: (A)磁場電阻控制法 (B)電樞電阻控制法 (C)電樞電壓控制法 (D)改變起動電阻法。
19.直流他激式發電機之無載飽和特性曲線與下列何者特性曲線相似? (A)直流他激式發電機之外部特性曲線 (B)鐵心的磁化曲線 (C)直流他激式發電機之電樞特性曲線 (D)直流他激式發電機之內部特性曲線。
20.一部額定為50Hz,12極之三相同步電動機,若在額定頻率下運轉,則其轉軸轉速為多少? (A)1200 (B)1000 (C)600 (D)500 rpm。
21.用瓦特表、伏特表及安培表測量單相感應電動機之負載特性,其接線如圖(一)所示,若瓦特表、伏特表及安培表讀值分別為160W,110V及1.8A,則此負載功率因數約為多少?
(A)0.9 (B)0.8 (C)0.7 (D)0.6。
22.三相感應電動機在運轉時其輸入總功率為50kW,若連續運轉5小時,且每度電費為3元,則此負載需付費多少? (A)750 (B)500 (C)250 (D)150 元。
23.有關三相鼠籠式感應電動機作轉子堵住實驗,下列敘述何者正確? (A)量測無載損失 (B)定子側輸入額定電壓及頻率 (C)定子側輸入額定電壓及電流 (D)量測滿載的銅損。
24.使用直流壓降法測量三相感應電動機繞組之電阻時,若此感應電動機為Y接線,且從任意兩線間測量之電阻為3.0Ω,則此電動機每相繞組之電阻為多少? (A)4.5 (B)3.0 (C)1.5 (D)1.0 Ω。
25.三相感應電動機之輸出功率為2馬力,換算約為多少kW? (A)2 (B)1.5 (C)1.0 (D)0.5 kW。
26.使用示波器測量正弦波電壓信號時,測試棒調於衰減10倍的位置,VOLTS/DIV的旋鈕置於0.5V位置,若此信號的峰對峰值在示波器螢光幕上顯示為4格,則此信號的峰對峰值為多少? (A)0.2 (B)2.0 (C)10 (D)20 V。
27.使用三用電表之電阻檔測量二極體,假設二極體的順向電阻為R
1
及逆向電阻為R
2
,若二極體為良好,則下列敘述何者正確? (A)R
1
的值非常小,R
2
的值非常大 (B)R
1
的值非常小,R
2
的值亦非常小 (C)R
1
的值非常大;R
2
的值非常小 (D)R
1
的值非常大、R
2
的值亦非常大。
28.有關SCR的保持電流I
H
之規格敘述,下列何者正確? (A)容許通過SCR的最大順向電流值 (B)容許通過SCR的最大逆向電流值 (C)SCR導通狀態所需最小順向電流值 (D)SCR可承受的最大順向閘極電流值。
29.二極體之橋式整流器及電容濾波電路如圖(二)所示,若交流電源電壓V
S
的有效值為24V,則輸出電壓V
o
約為多少?
(A)32V (B)24V (C)12V (D)8V。
30.下列何者為N通道接面場效電晶體(JFET)的電路符號?
31.圖(三)電路中電晶體Q作為開關使用,其電容C
B
及電阻R的主要功能為:
(A)縮短電晶體的切換過程時間 (B)延長電晶體的切換過程時間 (C)提高電晶體導通時電流 (D)降低電晶體導通時電流。
32.有關SRAM記憶體的敘述,下列何者正確? (A)動態隨意存取記憶體 (B)僅讀取記憶體 (C)可規劃的僅讀取記憶體 (D)靜態隨意存取記憶體。
33.電壓隨耦器之電路如圖(四)所示,有關其特性敘述,下列何者正確?
(A)電壓增益為-1 (B)電壓增益為l (C)輸入電阻非常小 (D)輸出電阻非常大。
34.有關A/D轉換器的敘述,下列何者正確? (A)電壓信號轉換為電流信號 (B)電流信號轉換為電壓信號 (C)數位信號轉換為類比信號 (D)類比信號轉換為數位信號。
35.圖(五)為XOR閘之電路,其邏輯方程式為
(A)Y=AB+
(B)Y=A
+
B
(C)Y=A+B
(D)Y=AB。
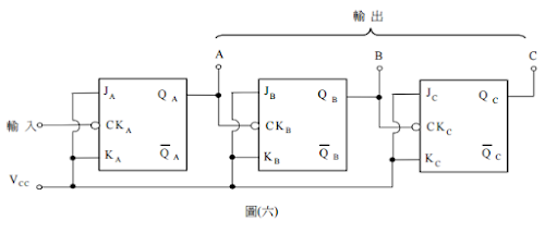
36.圖(六)為JK正反器所組成的計數器,其中V
CC
為電源電壓,若輸入端加20kHz的方波,則輸出B端的信號頻率為多少?
(A)20 (B)10 (C)5 (D)2.5 kHz。
37.史密特觸發電路如圖(七)所示,則有關磁滯電壓的敘述,下列何者正確?
(A)磁滯電壓與R
1
、R
2
及V
CC
有關係 (B)磁滯電壓與R
1
及R
2
有關係,與V
CC
無關係 (C)磁滯電壓與R
1
及V
CC
有關係,與R
2
無關係 (D)磁滯電壓與R
2
及V
CC
有關係,與R
1
無關係。
38.有關電晶體A類功率放大器的敘述,下列何者正確? (A)輸出波形失真最大,功率轉換效率最高 (B)輸出波形失真最小,功率轉換效率最高 (C)輸出波形失真最小。功率轉換效率最低 (D)輸出波形失真最大,功率轉換效率最低。
39.二極體箝位電路如圖(八)所示.
若輸入電壓vi=5sin(377t)V,則穩態輸出電壓v
o
為: (A)5+5sin(377t)V (B)5-10sin(377t)V (C)5+10sin(377t)V (D)10+5sin(377t)V。
40.圖(九)為電晶體串聯式定電壓電路,當定電壓工作時電晶體基極至射極電壓V
BE
為0.7V,稽納二極體的稽納電壓V
Z
為4V,則輸出電壓V
O
為多少?
(A)12 (B)9 (C)6.3 (D)3.3 V。
申論題 (0)
相關試卷
114年 - 114 身心障礙學生升學大專校院甄試試題_四技二專組(電機與電子群電機類、電機與電子群資電類):基本電學、基本電學實習、電子學實習#137230
114年 · #137230
114年 - 114 身心障礙學生升學大專校院甄試試題_四技二專組(電機與電子群電機類、電機與電子群資電類):基本電學、基本電學實習、 電子學、電子學實習#137214
114年 · #137214
114年 - 114 身心障礙學生升學大專校院甄試試題_四技二專組_電機與電子群電機類_專業科目(二):電工機械、電工機械實習#129034
114年 · #129034
114年 - 114 四技二專統測_電機與電子群資電類_專業科目(二):電工機械、電工機械實習#128986
114年 · #128986
113年 - 113 四技二專統測_電機與電子群資電類_專業科目(二):電工機械、電工機械實習#119580
113年 · #119580
112年 - 112 身心障礙學生升學大專校院甄試試題_四技二專組_電機與電子群電機類_專業科目(二):電工機械、電工機械實習#118648
112年 · #118648
112年 - 112 身心障礙學生升學大專校院甄試試題_四技二專組_電機與電子群資電類_專業科目(一):基本電學、基本電學實習、電子學、電子學實習#118645
112年 · #118645
112年 - 112 四技二專統測_電機與電子群電機類_專業科目(二):電工機械、電工機械實習#114334
112年 · #114334
111年 - 111 身心障礙學生升學大專校院甄試試題_四技二專組_電機與電子群電機類_專業科目(二):電工機械、電工機械實習#118905
111年 · #118905
111年 - 111 四技二專統測_電機與電子群電機類_專業科目(二):電工機械、電工機械實習#107699
111年 · #107699