阿摩線上測驗
登入
首頁
>
統測◆03電機與電子群電機類◆(二)電工機械、電子學實習、基本電學實習
> 92年 - 92 四技二專統測_電機類_專業科目(二):電工機械(含實習)、電子電路實習#21370
92年 - 92 四技二專統測_電機類_專業科目(二):電工機械(含實習)、電子電路實習#21370
科目:
統測◆03電機與電子群電機類◆(二)電工機械、電子學實習、基本電學實習 |
年份:
92年 |
選擇題數:
40 |
申論題數:
0
試卷資訊
所屬科目:
統測◆03電機與電子群電機類◆(二)電工機械、電子學實習、基本電學實習
選擇題 (40)
1.下列有關三相同步電動機起動之敘述,何者正確? (A)串接起動電阻起動 (B)降低電源電壓起動 (C)利用阻尼繞阻之感應起動 (D)直接送入場電流起動
2.有一台40kVA、220V、60Hz、Y接三相同步發電機,開路試驗之數據為:線電壓220V時,場電流為2.75A;線電壓195V時,場電流為2.2A。短路試驗之數據為:電樞電流118A時,場電流為2.2A;電樞電流105A時,場電流為1.96A。則發電機之百分率同步阻抗值為何? (A)61% (B)71% (C)81% (D)91%。
3.有一條帶有直流電流的導線置於均勻的磁場中,若以右手大姆指代表電流的方向,右手四指代表磁場的方向,則掌心所指方向代表下列何者? (A)導線受力的正方向 (B)導線受力的反方向 (C)感應電勢的正方向 (D)感應電勢的反方向。
4.下列何者為直流電機均壓線的功用? (A)抵消電樞反應 (B)提高絕緣水準 (C)提高溫昇限度 (D)改善換向作用。
5.有一台分激式直流電動機,電樞電阻為0.2Ω,場電阻為200Ω,外接電源電壓為200V。已知電動機之感應電勢(單位為伏特)大小是場電流(單位為安培)大小的179.2倍,假設電刷壓降為1V,則電源電流應為何? (A)70A (B)85A (C)100A (D)115A。
6.有一台他激式直流發電機,電樞電阻為0.2Ω,已知在某轉速時,供應負載之端電壓為200V,且負載電流為2A。現在將轉速增加為原來的1.2倍,場電流不變,且省略電刷壓降,則負載之端電壓應為何? (A)180V (B)200V (C)220V (D)240V。
7.有一台串激式直流電動機,電樞電阻為0.2Ω,場電阻為0.3Ω,外接電源電壓為200V,且省略電刷壓降。已知電樞電流為80A時,轉速為640rpm;若轉矩不變,且希望電動機之穩態轉速改變為400rpm時,則場電阻應改變為若干? (A)1.05Ω (B)1.95Ω (C)0.05Ω (D)0.95Ω。
8.有一台2000W的直流發電機,滿載時,固定損失為200W。已知此發電機之半載效率為80%,則其滿載時之可變損失應為何? (A)250W (B)200W (C)100W (D)50W。
9.在變壓器的等效電路中,下列何者代表變壓器的鐵損? (A)一次線圈電阻 (B)二次線圈電阻 (C)激磁電導 (D)漏磁電抗。
10.有一台20kVA、2400/240V、60Hz單相變壓器,鐵損為75W,滿載銅損為300W,且功率因數為1.0,則變壓器的最大效率應為何? (A)98.5% (B)93.5% (C)88.5% (D)83.5%。
11.有一台10kVA、2400/240V、60Hz單相變壓器,高壓側加電源進行短路試驗,所接電表讀數為:80V、20A、600W,則變壓器低壓側的等值電抗應為何? (A)0.037Ω (B)0.37Ω (C)3.708Ω (D)370.8Ω。
12.有二台10kVA、2400/240V、60Hz單相變壓器,使用V-V接法供應三相平衡負載,功率因數為0.577滯後,則此二台變壓器的輸出實功率應為何? (A)5.77kW (B)10kW (C)17.31kW (D)20kW。
13.下列何者不是變壓器的試驗項目之一? (A)衝擊電壓試驗 (B)溫升試驗 (C)開路試驗 (D)衝擊電流試驗。
14.有一台10kVA、2400/240V、60Hz單相變壓器,接為2640/240V之自耦變壓器,則自耦變壓器高壓側的額定電流應為何? (A)3.79A (B)4.17A (C)37.9A (D)41.7A。
15.有關三相感應電動機構造之敘述,下列何者不正確? (A)主要是由定子及轉子兩部份所構成 (B)定子上有三相線圈 (C)轉子為鼠籠式或繞線式 (D)電刷應適當移位至磁中性面。
16.有一台6極三相感應電動機,同步轉速為1200rpm。若電動機之轉差率為5%時,則轉子繞組中電流之頻率應為何? (A)1Hz (B)2Hz (C)3Hz (D)4Hz。
17.有一台6極、220V、60Hz三相感應電動機,滿載時,轉差率為5%,產生之轉矩為30牛頓-公尺,機械損為218.6W。試求轉子銅損應為何? (A)200W (B)400W (C)800W (D)1000W。
18.有一台6極、繞線式三相感應電動機,滿載時之轉差率為5%;今在轉子之每相電路上串接2.5Ω之電阻,轉差率變為7.5%。試求轉子每相電阻應為何? (A)1Ω (B)5Ω (C)45Ω (D)50Ω。
19.單相感應電動機之定子繞組接入單相交流電時,在氣隙所形成之磁場可視為下列何者? (A)單旋轉磁場 (B)單固定磁場 (C)雙旋轉磁場 (D)雙固定磁場。
20.有一台220V、60Hz單相感應電動機負載,自電源吸收6kW,功率因數為0.6滯後,現在欲提高其功率因數為1.0,則並聯之電容器應為何? (A)38.8μF (B)43.8μF (C)388.4μF (D)438.4μF。
21.下列何者為二極體的編號? (A)1N 4001 (B)2N 2222 (C)7404 (D)7806。
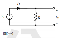
22.圖(一)所示之電路為何種電路?
(A)箝位電路 (B)截波電路 (C)振盪電路 (D)穩壓電路。
23.在圖(二)所示之理想二極體電路中,若R=1kΩ,則流經此電阻的電流為何?
(A)1mA (B)3mA (C)5mA (D)9mA。
24.若一電晶體的I
C
<βI
B
時,則電晶體之工作區為何? (A)主動區 (B)飽和區 (C)截止區 (D)無法判斷。
25.編號為μA741的IC,其輸出為第幾接腳? (A)第3腳 (B)第4腳 (C)第5腳 (D)第6腳。
26.在圖(三)所示之電路中,
=?
27.圖(四)所示之電路中,在輸出端所量到的波形為何?
(A)方波 (B)三角波 (C)弦波 (D)鋸齒波。
28.同圖(四)所示之電路,在輸出端所量到之波形,其週期的值約為何?
(A)0.69(R
1
+R
2
)C
1
(B)0.69(2R
1
+R
2
)C
1
(C)0.69(R
1
+2R
2
)C
1
(D)(R
1
+2R
2
)C
1
。
29.圖(五)所示之電路為何種電路?
(A)石英晶體振盪器 (B)穩壓電路 (C)非反相放大器 (D)史密特觸發器(Schmitt trigger)。
30.與二進位碼00010010相對應的BCD碼為何? (A)00010001
(BCD)
(B)00010011
(BCD)
(C)00010111
(BCD)
(D)00011000
(BCD)
。
31.二進位碼1000的「2的補數」為何? (A)0111 (B)1000 (C)0110 (D)1001。
32.有關TTL系列編號7490IC的敘述,下列何者正確? (A)為四位元的漣波計數器 (B)為八位元的漣波計數器 (C)為四位元的BCD計數器 (D)為八位元的BCD計數器。
33.欲設計一個可計數50個狀態的漣波計數器,最少需要使用多少個正反器? (A)3 (B)4 (C)5 (D)6。
34.一個8位元的D/A轉換器,其輸出電壓為0V至12V,則其解析度約為何? (A)47mV (B)37mV (C)27mV (D)17mV。
35.圖(六)所示之電路為何種電路?
(A)高通濾波器 (B)低通濾波器 (C)帶通濾波器 (D)帶拒濾波器。
36.若R=20Ω、C=16μF,則圖(六)所示之濾波器的截止頻率(cutoff frequency)約為何? (A)400Hz (B)500Hz (C)600Hz (D)700Hz。
37.在截止頻率時,圖(六)所示之電路的電壓增益值為多少分貝(dB)?
(A)2 (B)-2 (C)3 (D)-3。
38.當7805穩壓IC的輸入電壓為12V時,其輸出電壓為何? (A)5V (B)12V (C)-5V (D)-12V。
39.有關7900系列穩壓IC的敘述,下列何者正確? (A)為3支腳的正電壓穩壓器 (B)為4支腳的正電壓穩壓器 (C)為3支腳的負電壓穩壓器 (D)為4支腳的負電壓穩壓器。
40.一般實驗室中的直流電源供應器,係用來將交流電源轉換為直流電源,在經變壓器後,其轉換過程通常依序為何? (A)整流→濾波→穩壓 (B)整流→穩壓→濾波 (C)濾波→整流→穩壓 (D)濾波→穩壓→整流。
申論題 (0)
相關試卷
114年 - 114 身心障礙學生升學大專校院甄試試題_四技二專組(電機與電子群電機類、電機與電子群資電類):基本電學、基本電學實習、電子學實習#137230
114年 · #137230
114年 - 114 身心障礙學生升學大專校院甄試試題_四技二專組(電機與電子群電機類、電機與電子群資電類):基本電學、基本電學實習、 電子學、電子學實習#137214
114年 · #137214
114年 - 114 身心障礙學生升學大專校院甄試試題_四技二專組_電機與電子群電機類_專業科目(二):電工機械、電工機械實習#129034
114年 · #129034
114年 - 114 四技二專統測_電機與電子群資電類_專業科目(二):電工機械、電工機械實習#128986
114年 · #128986
113年 - 113 四技二專統測_電機與電子群資電類_專業科目(二):電工機械、電工機械實習#119580
113年 · #119580
112年 - 112 身心障礙學生升學大專校院甄試試題_四技二專組_電機與電子群電機類_專業科目(二):電工機械、電工機械實習#118648
112年 · #118648
112年 - 112 身心障礙學生升學大專校院甄試試題_四技二專組_電機與電子群資電類_專業科目(一):基本電學、基本電學實習、電子學、電子學實習#118645
112年 · #118645
112年 - 112 四技二專統測_電機與電子群電機類_專業科目(二):電工機械、電工機械實習#114334
112年 · #114334
111年 - 111 身心障礙學生升學大專校院甄試試題_四技二專組_電機與電子群電機類_專業科目(二):電工機械、電工機械實習#118905
111年 · #118905
111年 - 111 四技二專統測_電機與電子群電機類_專業科目(二):電工機械、電工機械實習#107699
111年 · #107699