阿摩線上測驗
登入
首頁
>
統測◆03電機與電子群電機類◆(二)電工機械、電子學實習、基本電學實習
> 93年 - 93 四技二專統測_電機類_專業科目(二):電工機械(含實習)、電子電路實習#21369
93年 - 93 四技二專統測_電機類_專業科目(二):電工機械(含實習)、電子電路實習#21369
科目:
統測◆03電機與電子群電機類◆(二)電工機械、電子學實習、基本電學實習 |
年份:
93年 |
選擇題數:
40 |
申論題數:
0
試卷資訊
所屬科目:
統測◆03電機與電子群電機類◆(二)電工機械、電子學實習、基本電學實習
選擇題 (40)
1.下列敘述何者錯誤? (A)直流發電機就是將機械能轉換成直流電能之電機裝置 (B)交流電動機就是將交流電能轉換成機械能之電機裝置 (C)直流電動機就是將直流電能轉換成機械能之電機裝置 (D)變壓器就是將直流電能轉換成直流電能之電機裝置。
2.下列何者是直流分激電動機之轉速(n)與電樞電流(I
a
)的特性曲線?
3.直流串激發電機供給200V、4kW負載,其串激場電阻為0.2Ω,電樞電阻為0.4Ω,則此發電機的感應電勢為多少? (A)212V (B)204V (C)192V (D)188V。
4.欲打一杯均勻細緻(需高速攪拌)的木瓜牛奶,下列何種直流電動機較恰當? (A)直流分激電動機 (B)直流他激電動機 (C)直流串激電動機 (D)直流積複激電動機。
5.有一1HP、100V之分激電動機,R
a
=1Ω,起動時欲限制起動電流為滿載之200%,若忽略磁場電流與損耗,則所需串聯之電阻約為多少? (A)2.7Ω (B)5.7Ω (C)8.7Ω (D)11.7Ω。
6.圖(一)電源電壓為100V,變壓器匝數比為1:2,則電壓表的讀值應為多少?
(A)100V (B)200V (C)300V (D)400V。
7.下列接法何者可能造成110V/220V變壓器燒毀?
8.一10kVA變壓器,其滿載銅損為400W,鐵損為100W,若在一日運轉中,12小時為滿載,功率因數為1,12小時為無載,則全日效率約為多少? (A)86.3% (B)90.3% (C)94.3% (D)98.3%。
9.變壓器一、二次側電壓有相角差,主要是由下列那一個因素造成? (A)線圈電阻 (B)漏磁 (C)鐵損 (D)絕緣。
10.某三相、六極感應電動機,電源頻率為60Hz,則旋轉磁場轉速為多少? (A)7200rpm (B)3600rpm (C)1800rpm (D)1200rpm。
11.感應電動機轉子銅損與鐵損在下列那一個狀況會最大? (A)起動時 (B)轉子達最高速時 (C)加速時 (D)減速時。
12.有一部三相2極、10HP感應電動機,接三相200V、60Hz電源,滿載時線電流為30A,功率因數為0.8,求滿載效率為多少? (A)79.7% (B)84.7% (C)89.7% (D)94.7%。
13.下列感應電動機速度控制方法中,速度控制範圍最大者是: (A)變換轉子電阻 (B)變換極數 (C)變換電源電壓 (D)變換電源頻率。
14.測量變壓器鐵損之方法為: (A)耐壓試驗 (B)絕緣試驗 (C)開路試驗 (D)短路試驗。
15.變壓器負載特性實驗的主要目的是: (A)測量電壓調整率與效率 (B)測量等值阻抗 (C)測量鐵損與銅損 (D)測量激磁電導與激磁電納。
16.圖(二)為利用直流法測量變壓器極性的試驗,當開關S接通瞬間,伏特計往負方向偏轉,則變壓器為:
(A)無極性 (B)加極性 (C)減極性 (D)無法判斷。
17.下列何種試驗可測出三相感應電動機之全部銅損? (A)絕緣試驗 (B)溫度試驗 (C)無載試驗 (D)堵住試驗。
18.同步電動機起動實驗時,轉子線圈最好如何? (A)先短路 (B)加直流激磁 (C)加交流激磁 (D)降低匝數。
19.下列何者不是同步發電機之並聯運轉條件? (A)頻率相同 (B)相位角相同 (C)極數相同 (D)相序相同。
20.下列何者不是直流分激發電機自激建立電壓必須具備的條件? (A)剩磁要夠大 (B)場電阻要夠低 (C)剩磁方向要適當 (D)負載特性要適當。
21.如圖(三)所示,求輸出電壓V
out
=?
(A)4V (B)6V (C)8V (D)10V。
22.一輸入頻率為f
i
之正弦波形通過全橋整流電路後,則輸出訊號之週期等於: (A)1/f
i
(B)2/f
i
(C)1/(2f
i
) (D)4/f
i
。
23.OPA應用電路中,圖(四)屬於下列何種電路?
(A)微分器 (B)積分器 (C)指數放大器 (D)對數放大器。
24.如圖(五)所示,輸入信號為正弦波,則輸出端V
out
的波形為:
(A)正弦波 (B)三角波 (C)方波 (D)鋸齒波。
25.下列何者為電晶體之編號? (A)μA741 (B)1N4001 (C)2N2222 (D)NE555。
26.在圖(六)之理想二極體電路中,輸出之電壓V
out
為多少?
(A)2V (B)4V (C)8V (D)16V。
27.若一電晶體的基極電流I
b
=1mA,集極電流I
c
=0.1A,電晶體之β=100,則此電晶體工作在那一區? (A)主動區 (B)飽和區 (C)截止區 (D)無法判斷。
28.欲設計一個可計數1000個狀態的漣波計數器,最少需要使用多少個正反器? (A)12 (B)10 (C)8 (D)6。
29.一個10位元之D/A轉換器,其輸出電壓為0V至15V,則其解析度約為多少? (A)13.1mV (B)13.6mV (C)14.1mV (D)14.6mV。
30.7815穩壓IC在正常工作時,輸出電壓等於幾伏特? (A)81V (B)78V (C)15V (D)5V。
31.7912穩壓IC在正常工作時,輸出電壓等於幾伏特? (A)91V (B)79V (C)12V (D)-12V。
32.圖(七)所示屬於下列何種電路?
(A)高通濾波器 (B)低通濾波器 (C)帶通濾波器 (D)帶阻濾波器。
33.如圖(七)所示,濾波器之截止頻率為:
34.與BCD碼00011001相對應的二進位碼為: (A)00010001 (B)00010011 (C)00011000 (D)00001001。
35.圖(八)是由四個T型正反器組成的除頻器,假設輸入之頻率f
i
為32kHz,則輸出頻率f
o
為多少?
(A)16kHz (B)8kHz (C)4kHz (D)2kHz。
36.由7個正反器所組成的二進位計數器,其計數可由0到多少? (A)127 (B)255 (C)511 (D)1023。
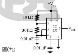
37.如圖(九)所示為IC555的無穩態工作模式,其輸出波形的頻率約多少?
(A)1.5 kHz (B)2.04 kHz (C)3.7 kHz (D)4.2 kHz。
38.如圖(十)所示為運算放大器組態的史密特觸發電路,求此電路之磁滯電壓大小為多少?
(A)3V (B)4V (C)5V (D)6V。
39.下列何者為二極體之編號? (A)μA741 (B)IN4004 (C)2N9012 (D)NE555。
40.用IC555組成的單穩態電路如圖(十一)所示,若計時元件採用1MΩ及1μF,則輸出脈波寬度時間為多少?
(A)0.8秒 (B)0.9秒 (C)1.0秒 (D)1.1秒。
申論題 (0)
相關試卷
114年 - 114 身心障礙學生升學大專校院甄試試題_四技二專組(電機與電子群電機類、電機與電子群資電類):基本電學、基本電學實習、電子學實習#137230
114年 · #137230
114年 - 114 身心障礙學生升學大專校院甄試試題_四技二專組(電機與電子群電機類、電機與電子群資電類):基本電學、基本電學實習、 電子學、電子學實習#137214
114年 · #137214
114年 - 114 身心障礙學生升學大專校院甄試試題_四技二專組_電機與電子群電機類_專業科目(二):電工機械、電工機械實習#129034
114年 · #129034
114年 - 114 四技二專統測_電機與電子群資電類_專業科目(二):電工機械、電工機械實習#128986
114年 · #128986
113年 - 113 四技二專統測_電機與電子群資電類_專業科目(二):電工機械、電工機械實習#119580
113年 · #119580
112年 - 112 身心障礙學生升學大專校院甄試試題_四技二專組_電機與電子群電機類_專業科目(二):電工機械、電工機械實習#118648
112年 · #118648
112年 - 112 身心障礙學生升學大專校院甄試試題_四技二專組_電機與電子群資電類_專業科目(一):基本電學、基本電學實習、電子學、電子學實習#118645
112年 · #118645
112年 - 112 四技二專統測_電機與電子群電機類_專業科目(二):電工機械、電工機械實習#114334
112年 · #114334
111年 - 111 身心障礙學生升學大專校院甄試試題_四技二專組_電機與電子群電機類_專業科目(二):電工機械、電工機械實習#118905
111年 · #118905
111年 - 111 四技二專統測_電機與電子群電機類_專業科目(二):電工機械、電工機械實習#107699
111年 · #107699