阿摩線上測驗
登入
首頁
>
醫用電子學
> 94年 - 94 公務升官等考試_簡任_醫學工程:醫用電子學#40629
94年 - 94 公務升官等考試_簡任_醫學工程:醫用電子學#40629
科目:
醫用電子學 |
年份:
94年 |
選擇題數:
0 |
申論題數:
6
試卷資訊
所屬科目:
醫用電子學
選擇題 (0)
申論題 (6)
一、請說明運算放大器之虛接地。(10 分)
【已刪除】二、將四個電阻為 R 的應變規連接成電橋電路如圖一所示,平衡時電壓輸出 V
o
為零,若 受應力時,R
1
與 R
3
的電阻增加 R,R
2
與 R4 的電阻減少 R,請推導電壓輸出 V
o
與 R 的關係。(10 分)
三、請使用兩個運算放大器,數個二極體與電阻設計出一個可以計算輸入信號絕對值之 電路並說明其工作原理。(20 分)
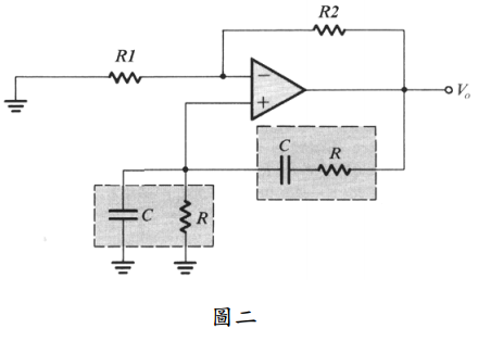
【已刪除】四、弦波振盪電路如圖二所示,請寫出其迴路增益,並推導產生振盪的條件。(20 分)
【已刪除】五、現今心電圖儀常使用右腳驅動電路(driven-right-leg circuit)如圖三所示,請說明其 作用。(20 分)
【已刪除】六、二階濾波電路如圖四所示,請推導出其極點頻率(pole frequency)與極點品質因子 (pole quality factor)。(20 分)
相關試卷
112年 - 112 高等考試_三級_醫學工程:醫用電子學#115543
112年 · #115543
111年 - 111 高等考試_三級_醫學工程:醫用電子學#109786
111年 · #109786
109年 - 109 高等考試_三級_醫學工程:醫用電子學#88605
109年 · #88605
106年 - 106 高等考試_三級_醫學工程:醫用電子學#63322
106年 · #63322
104年 - 104 公務升官等考試_薦任_醫學工程:醫用電子學#39661
104年 · #39661
104年 - 104 高等考試_三級_醫學工程:醫用電子學#39587
104年 · #39587
103年 - 103 高等考試_三級_醫學工程:醫用電子學#39830
103年 · #39830
102年 - 102 公務升官等考試_薦任_醫學工程:醫用電子學#39951
102年 · #39951
102年 - 102 高等考試_三級_醫學工程:醫用電子學#39864
102年 · #39864
100年 - 100 公務升官等考試_薦任_醫學工程:醫用電子學#40113
100年 · #40113