阿摩線上測驗
登入
首頁
>
統測◆03電機與電子群電機類◆(二)電工機械、電子學實習、基本電學實習
> 94年 - 94 四技二專統測_電機類_專業科目(二):電工機械(含實習)、電子電路實習#21368
94年 - 94 四技二專統測_電機類_專業科目(二):電工機械(含實習)、電子電路實習#21368
科目:
統測◆03電機與電子群電機類◆(二)電工機械、電子學實習、基本電學實習 |
年份:
94年 |
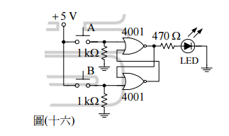
選擇題數:
40 |
申論題數:
0
試卷資訊
所屬科目:
統測◆03電機與電子群電機類◆(二)電工機械、電子學實習、基本電學實習
選擇題 (40)
1. 目前台灣電力公司在台灣地區的電力系統,其電源電壓頻率為多少? (A) 50 Hz (B) 60 Hz (C) 100 Hz (D) 400 Hz
2. 導體在磁場中運動,其導體的感應電壓極性 (或電流方向)、導體的運動方向及磁場方向, 三者關係可依何原理決定? (A) 佛來明定則 ( Fleming’s rule ) (B) 克希荷夫電壓定理 ( Kirchhoff’s voltage law ) (C) 法拉第定理 ( Faraday’s law ) (D) 歐姆定理 ( Ohm’s law )
3. 直流串激式電動機在運轉時,若鐵心無磁飽和,且K
T
為常數,則此電動機之電磁轉矩 T
e
與電樞電流I
a
的關係,下列何者正確?
4. 直流分激式電動機之端電壓V
t
、電樞電流 I
a
、電樞電阻 R
a
及激磁場之磁通量φ
f
,若鐵心 無磁飽和,且其 K
f
為常數,則此電動機轉軸之轉速 N
r
與上述的關係,下列何者正確?
5. 若直流電動機之輸出功率 P
o
、輸入功率 P
i
及總損失功率 P
l
,則其效率η 的計算,下列何者 正確?
6. 單相變壓器的匝數比 a = N
1
/N
2
,其中 為一次側繞組的匝數, N
2
為二次側繞組的匝數。若V
1
表示一次側電壓, V
2
表示二次側電壓, I
1
表示一次側電流,I
2
表示二次側電流;假設 此為理想變壓器,則下列關係何者正確?
7. 一般電力變壓器在最高效率運轉時,其條件為何? (A) 銅損等於鐵損 (B) 銅損大於鐵損 (C) 銅損小於鐵損 (D) 效率與銅損及鐵損無關
8. 三只 11.4 kV 380 V 的單相變壓器,接成三相Y − ∆ 接線,高壓側為 Y 接,低壓側為∆接; 若使用於三相平衡電力系統,其高壓側線電壓為 11.4 kV,則低壓側線電壓約為多少? (A) 440 V (B) 380 V (C) 220 V (D) 110 V
9. 有關比流器 ( current transformer ) 之敘述,下列何者正確? (A) 比流器之二次側額定電壓為 110 V,且二次側須短路或接於電流表 (B) 比流器之二次側額定電流為 5 A,且二次側須開路或接於電壓表 (C) 比流器之二次側額定電流為 5 A,且二次側須短路或接於電流表 (D) 比流器之二次側額定電壓為 110 V,且二次側須開路或接於電壓表
10. 三相感應電動機在正常運轉下,若電源電壓的頻率 f
e
其單位為 Hz,此電動機轉軸之機械 轉速 其單位為 rpm,極數為 P ,滑差率 (轉差率) 為S ,則下列何者正確?
11. 三相感應電動機若忽略激磁電抗及鐵損的影響,其換算至定子側之每相近似等效電路,如圖(一) 所示。圖(一)中R
1
及R
2
分別為定子側及轉子側的等效電阻, X
1
及X
2
分別為定子側及轉子側 的等效漏電抗,S 為滑差率 (轉差率), V
1
為相電壓。若此電動機在最大功率輸出時,則其滑差率 為何?
12. 三相繞線式感應電動機起動時,在轉子繞組中串加額外的電阻,其目的為何? (A) 提高起動電流及降低起動轉矩 (B) 提高起動電流及降低起動的輸入功率 (C) 提高起動轉矩及提高起動電流 (D) 提高起動轉矩及降低起動電流
13. 有關單相電容起動式感應電動機之電容器,下列敘述何者正確? (A) 電容器串接於運轉繞組 (B) 電容器串聯於起動繞組 (C) 電容器並接於運轉繞組 (D) 電容器並接於電源側
14. 三相感應電動機在運轉時,若在電源側並接電力電容器,其主要目的為何? (A) 降低電動機轉軸之轉速 (B) 增加起動電阻 (C) 減少電動機電磁轉矩 (D) 改善電源側之功率因數
15. 有關單相變壓器之開路試驗,下列敘述何者正確? (A) 高壓側繞組短路,低壓側繞組之電流為額定電流,以量測其電壓及功率 (B) 高壓側繞組短路,低壓側繞組之電壓為額定電壓,以量測其電流及功率 (C) 高壓側繞組開路,低壓側繞組之電流為額定電流,以量測其電壓及功率 (D) 高壓側繞組開路,低壓側繞組之電壓為額定電壓,以量測其電流及功率
16. 有關三相同步發電機之負載特性試驗操作,下列敘述何者正確? (A) 轉速為同步轉速,電樞繞組短路,調整激磁電流,以量測其電樞電流 (B) 轉速為零,電樞繞組開路,調整激磁電流,以量測電樞端電壓 (C) 轉速為同步轉速,調整激磁電流或負載,以量測負載電壓、電流及功率 (D) 轉速為零,調整激磁電流及負載,以量測負載電壓、電流及功率
17. 有關直流發電機在額定轉速下的無載飽和特性曲線之敘述,下列何者正確? (A) 電樞電流與電樞感應電勢的關係 (B) 激磁電流與電樞電流的關係 (C) 激磁電流與電樞感應電勢的關係 (D) 電樞電流與轉速的關係
18. 欲改變他激式直流電動機之轉速方向,下列敘述何者正確? (A) 改變電樞電流方向或改變激磁電流方向 (B) 同時改變電樞電流方向及激磁電流方向 (C) 改變電樞繞組之串聯電阻 (D) 改變激磁繞組之串聯電阻
19. 有關三相感應電動機之堵轉 (堵住) 試驗,下列敘述何者正確? (A) 轉軸之轉速為零,定子側繞組之電流為額定電流,以量測其電壓及功率 (B) 轉軸之轉速為零,定子側繞組之電壓為額定電壓,以量測其電流及功率 (C) 轉軸之轉速為額定轉速,定子側繞組之電壓為額定電壓,以量測其電流及功率 (D) 轉軸之轉速為額定轉速,定子側繞組之電流為額定電流,以量測其電壓及功率
20. 有關三相同步電動機的特性,下列敘述何者正確? (A) 機械負載轉矩在額定範圍增加,而其轉速會降低 (B) 機械負載轉矩在額定範圍增加,而其轉速維持不變 (C) 激磁電流在額定範圍增加,而其轉速會昇高 (D) 激磁電流在額定範圍增加,而其轉速會降低
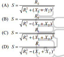
21. 圖(二)中的二極體假設具有理想特性,求輸出電壓 V
0
約為多少?
(A) –3 V (B) 0 V (C) 3 V (D) 5 V
22. 圖(三)中的二極體假設具有理想特性,求輸出電壓 V
0
為多少?
(A) 4 V (B) 6 V (C) 10 V (D) 12 V
23. 圖(四)是電晶體 Q 驅動發光二極體 (LED) 的電路,若此電晶體當開關使用,輸入的電壓V
i
為 5 V,則 LED 亮時,輸出電壓 V
0
的近似值為多少?
(A) 0 V (B) 5 V (C) 7.5 V (D) 15 V
24. 圖(四)中的電晶體 Q,其 β =100,當輸入電壓V
i
為 5 V 時,該電晶體的工作區域為何?
(A) 作用區 (B) 飽和區 (C) 截止區 (D) 負電阻區 Vi
25. 試求圖(五)電路之輸出電壓V
0
為多少?
(A) – 4 V (B) – 2 V (C) 2 V (D) 4 V
26. 圖(六)中的運算放大器假設具有理想特性,當V
i
= 1 V輸入時,求輸出電壓 V
0
為多少?
(A) –2 V (B) –1 V (C) 1 V (D) 2 V
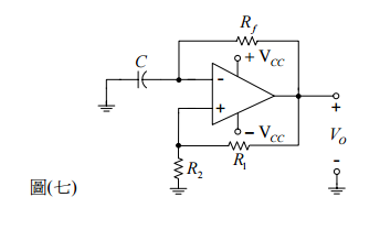
27. 如圖(七)所示之電路,V
0
為輸出,此電路具有何種功能?
(A) 積分器 (B) 微分器 (C) 方波產生器 (D) 弦波產生器
28. 使用積體電路 ( IC ) 編號 555 組成的電路,如圖(八)所示,若按鈕開關 PB 按下後即放開, 則發光二極體 ( LED ) 亮約多少時間後就會熄滅?
(A) 7 秒 (B) 11 秒 (C) 15 秒 (D) 20 秒
29. 如圖(九)所示之多諧振盪電路,輸出信號 的振盪週期約:
(A)0.7R
1
C (B)0.7( R
1
C+R
2
C) (C)1.4 R
1
C (D)1.4 R
2
C
30. 將十進制碼的數值 5,轉換為四位元的二進制碼為何? (A) 0101 (B) 1010 (C) 1011 (D) 0110
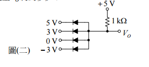
31. 圖(十)中的 FA 是 1 位元的全加法器,此電路的功能為何?
(A) 四位元的串加法器 (B) 四位元的暫存器 (C) 四位元的編碼器 (D) 四位元的並加法器
32. 圖(十一)中有 2 個 J-K 型正反器,其中H
i
表示邏輯高電位 (High),可組成的功能為何?
(A) 加法器 (B) 減法器 (C) 編碼器 (D) 計數器
33. 比較 10 位元與 8 位元 D/A 轉換器,兩者輸出信號的解析度相差倍數約為多少? (A) 2 倍 (B) 3 倍 (C) 4 倍 (D) 10 倍
34. 如圖(十二)所示之電源穩壓電路,圖中IC
1
及 IC
2
為穩壓積體電路元件,如要獲得直流電源+15 V 與 –15 V,該如何選用穩壓 IC
1
與 IC
2
的型號?
(A) IC
1
為 7815, IC
2
為 7815 (B)IC
1
為 7815, IC
2
為 7915 (C) IC
1
為 7915, IC
2
為 7815 (D)IC
1
為 7915, IC
2
為 7915
35. 如圖(十三)所示之 A/D 轉換器的電路結構,可判定為何種型式的 A/D 轉換器?
(A) 並聯比較型 (B) 計數型 (C) 雙斜率型 (D) 積分型
36. 如圖(十四)所示之低通濾波器,其臨界頻率 (截止頻率) 約為多少?
(A) 0.1 kHz (B) 1 kHz (C) 10 kHz (D) 100 kHz
37. 圖(十五)中的電路為何種濾波器?
(A) 高通濾波器 (B) 帶阻濾波器 (C) 帶通濾波器 (D) 低通濾波器
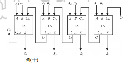
38. 圖(十六)是 NOR 閘組成的電路,當發光二極體 (LED) 為滅時,如欲使發光二極體發亮, 要如何操作按鈕開關 A 與按鈕開關 B?
(A) 按鈕開關 A 導通 (ON),按鈕開關 B 斷開 (OFF) (B) 按鈕開關 A 斷開 (OFF),按鈕開關 B 斷開 (OFF) (C) 按鈕開關 A 斷開 (OFF),按鈕開關 B 導通 (ON) (D) 操控按鈕開關 A 或按鈕開關 B 均無法使 LED 發亮
39. 圖(十七)中的運算放大器假設具有理想特性,其輸出電壓 V
0
為多少?
(A) 1 V (B) 2 V (C) 4 V (D) 6 V
40. 如圖(十八)所示之史密特觸發電路,其遲滯電壓約為 2.7 V,若輸入電壓V
i
(t) = 5sin1000t V , 則其輸出電壓 V
0
(t)為何種波形?
(A) 正弦波 (B) 鋸齒波 (C) 三角波 (D) 方波
申論題 (0)
相關試卷
114年 - 114 身心障礙學生升學大專校院甄試試題_四技二專組(電機與電子群電機類、電機與電子群資電類):基本電學、基本電學實習、電子學實習#137230
114年 · #137230
114年 - 114 身心障礙學生升學大專校院甄試試題_四技二專組(電機與電子群電機類、電機與電子群資電類):基本電學、基本電學實習、 電子學、電子學實習#137214
114年 · #137214
114年 - 114 身心障礙學生升學大專校院甄試試題_四技二專組_電機與電子群電機類_專業科目(二):電工機械、電工機械實習#129034
114年 · #129034
114年 - 114 四技二專統測_電機與電子群資電類_專業科目(二):電工機械、電工機械實習#128986
114年 · #128986
113年 - 113 四技二專統測_電機與電子群資電類_專業科目(二):電工機械、電工機械實習#119580
113年 · #119580
112年 - 112 身心障礙學生升學大專校院甄試試題_四技二專組_電機與電子群電機類_專業科目(二):電工機械、電工機械實習#118648
112年 · #118648
112年 - 112 身心障礙學生升學大專校院甄試試題_四技二專組_電機與電子群資電類_專業科目(一):基本電學、基本電學實習、電子學、電子學實習#118645
112年 · #118645
112年 - 112 四技二專統測_電機與電子群電機類_專業科目(二):電工機械、電工機械實習#114334
112年 · #114334
111年 - 111 身心障礙學生升學大專校院甄試試題_四技二專組_電機與電子群電機類_專業科目(二):電工機械、電工機械實習#118905
111年 · #118905
111年 - 111 四技二專統測_電機與電子群電機類_專業科目(二):電工機械、電工機械實習#107699
111年 · #107699