阿摩線上測驗
登入
首頁
>
統測◆03電機與電子群電機類◆(二)電工機械、電子學實習、基本電學實習
> 96年 - 96 四技二專統測_電機類_專業科目(二):電工機械(含實習)、電子電路實習#21364
96年 - 96 四技二專統測_電機類_專業科目(二):電工機械(含實習)、電子電路實習#21364
科目:
統測◆03電機與電子群電機類◆(二)電工機械、電子學實習、基本電學實習 |
年份:
96年 |
選擇題數:
40 |
申論題數:
0
試卷資訊
所屬科目:
統測◆03電機與電子群電機類◆(二)電工機械、電子學實習、基本電學實習
選擇題 (40)
1.直流發電機之額定容量,一般是指在無不良影響條件下之: (A)輸入功率 (B)輸出功率 (C)熱功率 (D)損耗功率
2.直流分激式電動機起動時,加起動電阻器的目的為何? (A)增加電樞轉速 (B)降低磁場電流 (C)增加起動轉矩 (D)降低電樞電流
3.一110V,1馬力,900rpm的直流分激式電動機,電樞電阻為0.08Ω,滿載時之電樞電流為7.5A,則此電動機滿載時之反電動勢為多少? (A)108.2V (B)109.4V (C)110.0V (D)116.8V
4.一直流發電機,滿載時端電壓為250V,電壓調整率為5%,則無載端電壓為多少? (A)262.5V (B)264.5V (C)266.5V (D)268.5V
5.一直流分激式電動機,額定電壓100V,額定容量5kW,電樞電阻為0.08W,若欲降低起動電流為滿載電流的2.5倍時,則電樞繞組應串聯多少歐姆的起動電阻器? (A)0.09W (B)0.18W (C)0.36W (D)0.72W
6.關於直流電機之補償繞組,下列敘述何者錯誤? (A)可抵消電樞反應 (B)裝在主磁極之極面槽內 (C)必須與電樞繞組並聯 (D)與相鄰的電樞繞組內電流方向相反
7.直流串激式電動機,若外加電壓不變,當負載變小時,下列關於轉速與轉矩變化的敘述,何者正確? (A)轉速變小,轉矩變大 (B)轉速與轉矩都變大 (C)轉速變大,轉矩變小 (D)轉速與轉矩都變小
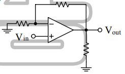
8.變壓器一次側繞組加一正弦波電源,會產生正弦波的磁通,但主要因何種效應,使得激磁電流不為正弦波? (A)導線集膚效應 (B)漏磁效應 (C)磁場干擾效應 (D)鐵心飽和與磁滯效應
9.一電壓比為5000V/500V之理想變壓器,高壓側激磁電流為0.5A,無載損失為1500W,則其磁化電流為多少? (A)0.3A (B)0.4A (C)0.5A (D)0.6A
10.關於感應電動機之構造,下列敘述何者正確? (A)定子與轉子鐵心採用矽鋼片疊積而成,主要是為減少磁滯損 (B)雙鼠籠式轉子設計主要目的為提高起動電流,降低起動轉矩 (C)為抵消電樞反應,故採用較小氣隙長度設計 (D)轉子鐵心採用斜槽設計可減低旋轉時之噪音
11.圖(一)所示為變壓器之T–T接線圖,其中M為主變壓器,T為支變壓器,M有中心抽頭,T有0.866分接頭,則下列敘述何者正確?
(A)一次側反電動勢E
T
與E
M
關係為E
T
=E
M
∠90° (B)T之額定電壓應為M的0.577倍才能作T–T接線 (C)若T之容量為M之0.866倍,則變壓器利用率為0.928 (D)T只能應用其額定伏安數的57.7%
12.一部三相4極,50Hz感應電動機,於額定電流與頻率下,若轉子感應電勢之頻率為1.8Hz,則此電動機之轉差速率為多少? (A)36rpm (B)54rpm (C)64rpm (D)72rpm
13.一部三相4極,60Hz之繞線式轉子感應電動機,轉子每相電阻為0.5W,運轉於1200rpm時產生最大轉矩,若此電動機要以最大轉矩起動,則轉子每相電路需外加多少電阻? (A)1Ω (B)2Ω (C)3Ω (D)4Ω
14.若圖(二)中之變壓器的極性已知,且匝數比N
1
:N
2
=1:2,當V
1
=110V時,交流電壓表V
2
與V
3
的讀值分別為多少?
(A)220V,330V (B)220V,–110V (C)220V,–330V (D)220V,110V
15.利用三具單相變壓器連接成三相變壓器常用的接線方式中,哪種接線方式會產生三次諧波電流而干擾通訊線路? (A)Y–Y接線 (B)Y–△接線 (C)△–Y接線 (D)△–△接線
16.關於三相感應電動機之堵住試驗,下列敘述何者正確? (A)可測量銅損並計算相關阻抗 (B)可測量鐵損並計算激磁導納 (C)將轉子堵住,調整定子電壓為額定值,測量輸入功率及電流 (D)調整轉速及定子輸入電流為額定值,測量輸入功率及電壓
17.有一部三相Y接同步發電機,額定線電壓為220V,若開路特性試驗得:端電壓E
a
=220V,激磁電流I
f
=0.92A;短路特性試驗得:短路電流I
a
=10.50A,I
f
=0.92A,則發電機每相的同步阻抗為多少? (A)7.0W (B)10.0W (C)12.1W (D)20.9W
18.圖(三)所示為一三相同步發電機接不同性質負載下的外部特性曲線,則發電機接何種負載其電壓調整率最好?
(A)電阻性,即功因為1時 (B)電感性,即落後功因時 (C)電容性,即超前功因時 (D)條件不足,無法判斷
19.圖(四)所示為一三相同步電動機的倒V特性曲線,若在功因為1時,保持激磁電流不變,此時將電動機的負載增加,則下列敘述何者正確?
(A)功因變超前 (B)功因變落後 (C)功因不變 (D)功因可能變超前或變落後
20.有A、B兩部三相Y接同步發電機作並聯運轉,若A機無載線電壓為230√3 V,每相同步電抗為3
Ω
;B機無載線電壓為220√3 V,每相同步電抗為2
Ω
,若兩發電機內電阻不計,則其內部無效環流為多少? (A)1A (B)1.5A (C)2A (D)2.5A
21.鍺二極體比矽二極體更適合做檢波器,其原因為何? (A)鍺二極體的順向切入電壓較小 (B)鍺二極體的逆向峰值電壓較小 (C)鍺二極體的靜態電阻較大 (D)鍺二極體的動態電阻較小
22.下列何者不是二極體常見的功用? (A)整流 (B)截波 (C)濾波 (D)保護
23.圖(五)所示電路,當V
I
=0.7V時,電晶體工作區域及集極對射極電壓V
CE
為何?
(A)截止區,0V (B)飽和區,0V (C)截止區,10V (D)飽和區,10V
24.關於運算放大器的應用電路中,下列何者較有可能是高通濾波器的頻率響應曲線?
25.圖(六)所示電路,已知運算放大器輸出之正、負飽和電壓為±13.5V,當V
in
=+3V,則輸出電壓V
out
=?
(A)+13.5V (B)-13.5V (C)+4.7V (D)-4.7V
26.圖(七)所示電路,若運算放大器為理想,則V
1
=?
(A)-15V (B)+15V (C)+5V (D)0V
27.當R
1
=10kΩ,R
2
=10kΩ,C
1
=0.01µF時,則V
O
的輸出為何? (A)3.76kHz脈波 (B)4.76kHz脈波 (C)5.76kHz脈波 (D)6.76kHz脈波
28.承上題,V
O
輸出波形的工作週期(duty cycle)為何? (A)25.0% (B)33.3% (C)50.0% (D)66.6%
29.用555IC組成史密特觸發電路時,若供給IC的電源為+Vcc,則其正觸發臨界電壓為何?
30.將二進位11010110轉為2的補數,若以十六進位表示時,其值為何? (A)2A (B)2B (C)2C (D)2D
31.欲設計模數為10的漣波計數器,最少要使用多少個正反器? (A)3個 (B)4個 (C)5個 (D)6個
32.三輸入互斥或(XOR)閘,有幾種輸入狀態會使輸出端為"1"? (A)8 (B)6 (C)5 (D)4
33.下列關於濾波器的敘述,何者正確? (A)高通濾波器與低通濾波器串聯可組成帶通濾波器 (B)高通濾波器與低通濾波器並聯可組成帶通濾波器 (C)RC低通濾波器的電容值與截止頻率成正比 (D)RC高通濾波器的電容值與截止頻率成正比
34.圖(九)所示之直流電源供應器,係用交流電源轉換成直流電源,其轉換過程為何?
(A)降壓→整流→穩壓→濾波 (B)降壓→整流→濾波→穩壓 (C)整流→降壓→穩壓→濾波 (D)整流→降壓→濾波→穩壓
35.7818穩壓IC正常工作時,輸出電壓為何? (A)10V (B)–18V (C)–10V (D)18V
36.SRAM記憶體電路是由以下何種元件組成? (A)電容器 (B)正反器 (C)繼電器 (D)路由器
37.若確定七段顯示器其中一段已燒毀,而無法發亮,經測試顯示數字4與5都正常,則哪一段燒毀? (A)a段 (B)e段 (C)f段 (D)g段
38.12位元D/A轉換器比8位元D/A轉換器輸出信號的解析度高約幾倍? (A)2倍 (B)4倍 (C)8倍 (D)16倍
39.在正常的運用情況下,史密特觸發器(Schmitt trigger)的輸出波形為何? (A)正弦波 (B)三角波 (C)脈波 (D)鋸齒波
40.下列電路何者是比較器?(A)
(B)
(C)
(D)
申論題 (0)
相關試卷
114年 - 114 身心障礙學生升學大專校院甄試試題_四技二專組(電機與電子群電機類、電機與電子群資電類):基本電學、基本電學實習、電子學實習#137230
114年 · #137230
114年 - 114 身心障礙學生升學大專校院甄試試題_四技二專組(電機與電子群電機類、電機與電子群資電類):基本電學、基本電學實習、 電子學、電子學實習#137214
114年 · #137214
114年 - 114 身心障礙學生升學大專校院甄試試題_四技二專組_電機與電子群電機類_專業科目(二):電工機械、電工機械實習#129034
114年 · #129034
114年 - 114 四技二專統測_電機與電子群資電類_專業科目(二):電工機械、電工機械實習#128986
114年 · #128986
113年 - 113 四技二專統測_電機與電子群資電類_專業科目(二):電工機械、電工機械實習#119580
113年 · #119580
112年 - 112 身心障礙學生升學大專校院甄試試題_四技二專組_電機與電子群電機類_專業科目(二):電工機械、電工機械實習#118648
112年 · #118648
112年 - 112 身心障礙學生升學大專校院甄試試題_四技二專組_電機與電子群資電類_專業科目(一):基本電學、基本電學實習、電子學、電子學實習#118645
112年 · #118645
112年 - 112 四技二專統測_電機與電子群電機類_專業科目(二):電工機械、電工機械實習#114334
112年 · #114334
111年 - 111 身心障礙學生升學大專校院甄試試題_四技二專組_電機與電子群電機類_專業科目(二):電工機械、電工機械實習#118905
111年 · #118905
111年 - 111 四技二專統測_電機與電子群電機類_專業科目(二):電工機械、電工機械實習#107699
111年 · #107699