阿摩線上測驗
登入
首頁
>
機動學與機械設計
> 97年 - 97 專技高考_機械工程技師:機動學與機械設計#36618
97年 - 97 專技高考_機械工程技師:機動學與機械設計#36618
科目:
機動學與機械設計 |
年份:
97年 |
選擇題數:
0 |
申論題數:
15
試卷資訊
所屬科目:
機動學與機械設計
選擇題 (0)
申論題 (15)
⑴葛氏法則(Grashof Law)。
⑵甘迺迪(三心)定律(Kennedy’s Theorem)。
⑶齒輪傳動基本定律(Fundamental Law of Gearing)。
⑷漸開線(Involute)齒形及其特性。
⑸在變動負荷(Fluctuating Loading)中,如何以改良固特門線(Modified Goodman Line)來計算所能承受的應力。
⑹在軸頸軸承(Journal Bearing)中,請簡單解釋液靜壓(Hydrostatic)與液動壓 (Hydrodynamic)的原理,及其差異之處。
⑺請簡單解釋最大剪應力理論(Maximum Shear Stress Theory)及如何計算安全因 素(Factor of Safety)。
8.請簡單解釋螺栓(Bolt)的預壓(Preload)及其使用的必要性。
【已刪除】二、下圖 BC=102 mm,若 B 點的速度是 10 mm/s 向左,試以向量迴路法求出 C 點的速 度及桿 3(BCD)的角速度是多少?(15 分)
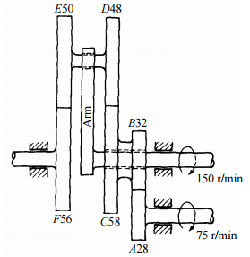
【已刪除】三、下圖齒輪系中,輸入分別為臂(Arm)轉速 150 r/min 及齒輪 A 轉速 75 r/min,齒數 A=28,B=32,C=58,D=48,E=50,F=56。試求出輸出齒輪 F 的轉速是多少? (15 分)
四、在兩同心壓縮彈簧中,較大的外部彈簧是由 38 mm 直徑圓桿製成,螺旋外徑為 225 mm 有 6 個作用圈。內部彈簧是由 25 mm 直徑圓桿製成,螺旋外徑為 140 mm 有 9 個作用 圈。外部彈簧比內部彈簧的自由高度大 19 mm。試求出在 90000 牛頓負荷下,外部和 內部每一彈簧的壓縮量(Deflection)及負荷(Load)。(設彈簧 G=77000 MPa)(15分)
⑴螺栓的剪切(Shear of Bolt)
⑵螺栓的支承破壞(Bearing on Bolt)
,⑶接合件的支承破壞(Bearing on Member)
⑷接合件的強度(Strength of Member)。(15 分)
相關試卷
114年 - 114 專技高考_機械工程技師:機動學與機械設計#133729
114年 · #133729
113年 - 113 專技高考_機械工程技師:機動學與機械設計#123959
113年 · #123959
112年 - 112 專技高考_機械工程技師:機動學與機械設計#117585
112年 · #117585
111年 - 111 專技高考_機械工程技師:機動學與機械設計#111930
111年 · #111930
110年 - 110 專技高考_機械工程技師:機動學與機械設計#104192
110年 · #104192
109年 - 109 專技高考_機械工程技師:機動學與機械設計#93281
109年 · #93281
108年 - 108 專技高考_機械工程技師:機動學與機械設計#80717
108年 · #80717
107年 - 107 專技高考_機械工程技師:機動學與機械設計#72941
107年 · #72941
106年 - 106 專技高考_機械工程技師:機動學與機械設計#66432
106年 · #66432
104年 - 104 專技高考_機械工程技師:機動學與機械設計#41836
104年 · #41836