阿摩線上測驗
登入
首頁
>
基本電學(概要)
> 99年 - 99 身心障礙特種考試_四等_電子工程:基本電學#47087
99年 - 99 身心障礙特種考試_四等_電子工程:基本電學#47087
科目:
基本電學(概要) |
年份:
99年 |
選擇題數:
0 |
申論題數:
6
試卷資訊
所屬科目:
基本電學(概要)
選擇題 (0)
申論題 (6)
⑴庫倫定律及
⑵安培右手定則。(20 分)
二、有 5 個電容器,其電容量分別為 10 µF, 20 µF, 30 µF, 40 µF 及 50 µF。分別求此 5 個 電容器串聯及並聯時之總電容量。(20 分)
三、如下圖所示,求等效阻抗Z
eq
。(20 分)
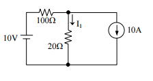
四、如下圖,利用重疊定律,求流經 20Ω電阻器的電流I1,再利用迴路電流法證明結果 相同。(20 分)
五、如下圖所示,求電流 I。(20 分)