阿摩線上測驗 登入

申論題資訊

試卷:96年 - 96年專門職業及技術人員高等建築師、技師、法醫師暨普通記帳士、96年第二次高等暨普通消防設備人員、普通不動產經紀人機械工程技師#38699
科目:電機機械
年份:96年
排序:0

題組內容

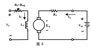
六、如圖 4 所示為一部 80 Hp,250 V,1200 rpm 的直流他激式馬達,其電樞電阻 RA=0.02 Ω,磁場電流為 4 A,若忽略馬達的電樞反應。此馬達以 Vdc=250 V, IA=200 A 驅動定轉矩負載,此時馬達之轉速為 1000 rpm。當 Vdc 降為 200 V 時,

申論題內容

⑴求此馬達內部的感應電壓 EA;(10 分)