阿摩線上測驗
登入
首頁
>
電機機械
>
96年 - 96年專門職業及技術人員高等建築師、技師、法醫師暨普通記帳士、96年第二次高等暨普通消防設備人員、普通不動產經紀人機械工程技師#38699
> 申論題
題組內容
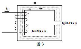
三、如圖 3 所示為一有氣隙之鐵心,鐵心的平均路徑為 20π cm,鐵心與氣隙的截面積為 100 cm
2
,氣隙之長度為 0.1π cm,繞線之圈數為 100 圈,鐵心的相對導磁率為 2500。 若忽略氣隙之邊際效應(Fringing effect),當繞線之電流為 9 A,求
⑵氣隙的磁阻;(5 分)
相關申論題
⑴求此電路由 a-b 兩端所得之諾頓等效電路(10 分)
#114882
⑵當負載 RL 為 2 Ω 時,負載 RL之功率消耗為多少 W?(10 分)
#114883
⑴求 v(t);(10 分)
#114884
⑵求 ic(t) 。 (10 分)
#114885
⑴鐵心的磁阻; (5 分)
#114886
⑶磁通量大小;(5 分)
#114888
⑷磁通密度。(5 分) [Note: µ0=4π⋅10-7H/m]
#114889
四、某 10 kVA,110 V/ 220 V 變壓器,當此變壓器之一次側接至 110 V 的市電電壓,而 二次側開路時,發現此變壓器之溫度比環境溫度高出 8℃,說明造成此現象之原因。 (10 分)
#114890
五、說明三種同步馬達的主要啟動方法。(10 分)
#114891
⑴求此馬達內部的感應電壓 EA;(10 分)
#114892
相關試卷
114年 - 114 地方政府公務特種考試_三等_電力工程:電機機械#134760
114年 · #134760
114年 - 114 專技高考_電機工程技師:電機機械#133717
114年 · #133717
114年 - 114 關務升官等考試、交通事業郵政升資考試_薦任、員級晉高員級_電力工程、技術類(選試電機機械)—關務、郵政:電機機械#133262
114年 · #133262
114年 - 114 交通事業郵政升資考試_佐級晉員級_技術類(選試電機機械概要)—郵政:電機機械概要#133211
114年 · #133211
114年 - 114 高等考試_二級_電力工程:電機機械#131612
114年 · #131612
114年 - 114 高等考試_三級_電力工程:電機機械#128777
114年 · #128777
114年 - 114 關務特種考試_三等_電機工程(選試英文):電機機械#126668
114年 · #126668
113年 - 113-2 國營臺灣鐵路股份有限公司_從業人員甄試_第8階-助理工程師-機械 第8階-助理工程師-電機:電機機械#137140
113年 · #137140
113年 - 113 地方政府公務特種考試_三等_電力工程:電機機械#124526
113年 · #124526
113年 - 113 專技高考_電機工程技師:電機機械#123948
113年 · #123948