阿摩線上測驗
登入
首頁
>
電子儀表概要
>
114年 - 114 原住民族特種考試_四等_電子工程:電子儀表概要#130977
> 申論題
題組內容
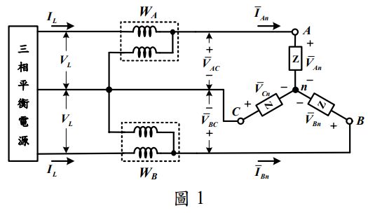
三、圖 1 為利用兩瓦特表
來測量三相平衡電感性負載(Z)功率之接線圖,請回答下列問題。
(一)請推導所測得的三相負載總實(有效)功率等於兩瓦特表指示值的代數和。
相關申論題
(一)若此兩指示值皆是以 250 V 檔位所測得,則其誤差百分比各約為何?
#553195
(二)為減少測量誤差,測試 40 V 時應選擇那個檔位來做測量較合適(需說明理由)?
#553196
(一)此測量之誤差百分比約為何?
#553197
(二)此測量檔位之解析度為何?
#553198
(二)若在某次測量案例中,有一部瓦特表指示值為 200 W、另一部瓦特表不偏 轉,則此負載所消耗之實功率與功率因數(power factor)各為何?
#553200
四、如圖 2 所示之歐文電橋(Owen bridge),電源之頻率為 1 kHz, C1 = 0.1 RF、R2 = 1 kC ,當調變 R3 為1.5 kΩ、C3 為 1 μF 時電橋達到平衡, 求待測線圈之電感值 、內阻 以及品質因數(quality factor) 。
#553201
(一)測量時所選的水平時基(time base, Time/DIV)為何?
#553202
(二)寫出所測得的正弦波函數(function)並求此波形之有效值為何?
#553203
四、使用雙軌跡示波器,量測音頻放大電路 2 個不同位置正弦波的相位差,請 詳述示波器操作策略程序與相關設定,以獲得較佳的解析。(25 分)
#569640
三、有 2 只二極體,分別為整流二極體與穩壓二極體,不能確定其好壞與穩壓 電壓值,請詳述如何使用直流電源供應器,進行量測判斷二極體的種類好 壞與穩壓電壓值。(25 分)
#569639
相關試卷
115年 - 115 身心障礙特種考試_四等_電子工程:電子儀表概要#138868
115年 · #138868
114年 - 114 地方政府公務特種考試_四等_電子工程:電子儀表概要#134796
114年 · #134796
114年 - 114 原住民族特種考試_四等_電子工程:電子儀表概要#130977
114年 · #130977
114年 - 114 普通考試_電子工程:電子儀表概要#128765
114年 · #128765
113年 - 113 地方政府公務特種考試_四等_電子工程:電子儀表概要#124486
113年 · #124486
113年 - 113 原住民族特種考試_四等_電子工程:電子儀表概要#122662
113年 · #122662
113年 - 113 普通考試_電子工程:電子儀表概要#121147
113年 · #121147
113年 - 113 身心障礙特種考試_四等_電子工程:電子儀表概要#119427
113年 · #119427
112年 - 112 地方政府特種考試_四等_電子工程:電子儀表概要#118101
112年 · #118101
112年 - 112 普通考試_電子工程:電子儀表概要#115739
112年 · #115739