阿摩線上測驗
登入
首頁
>
農業機電與控制
>
109年 - 109 高等考試_三級_農業機械:農業機電與控制#88746
> 申論題
題組內容
四、
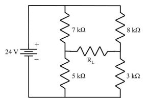
(一)如下圖之電路,請使用戴維寧定理(Thevenin’s Theorem)求等效電壓 E
th
及等效電阻R
th
,並繪出該等效電路圖。
相關申論題
一、若有一農用倉儲控制系統使用到之信號流程圖如下圖所示,請用梅森增 益公式(Mason’s Gain Formula)求出該系統的轉移函數T(s) = C(s) / R(s)?
#360009
(一)欲使系統穩定,則參數K的範圍為何?
#360010
(二)若系統持續震盪,則此時之參數K及其頻率分別為若干?
#360011
(一)若有一控制器之12 bit線性ADC模組,其輸入電壓範圍為-10.24 V ~ +10.24 V,則該A/D最小可測得之電壓變化(即解析度)為若干mV?
#360012
(二)當該A/D讀出值為F2BH 時,其輸入電壓為若干V?
#360013
(三)若有一類比式重量感測模組之電壓輸出0 V ~ +5 V表示待測物之線性為 0 g ~ +500 g,如量測精確度至0.01 g,則需選用若干bit(偶數)之A/D 模組(其輸入電壓範圍為 0 V ~ +5.12 V)?
#360014
(二)若RL = 2 kΩ,試求該處之電壓VL及電流IL?
#360016
五、請說明PID控制的比例參數KP、積分參數KI及微分參數KD分別對於控制系 統有何影響?
#360017
六、請舉出三種可以量測線性位移的感測元件,須分別繪圖並說明其工作原 理。
#360018
七、請繪圖說明單相鼠籠型(Squirrel Cage)交流電動機三種不同的起動方 式?
#360019
相關試卷
114年 - 114 高等考試_三級_農業機械:農業機電與控制#128767
114年 · #128767
113年 - 113 高等考試_三級_農業機械:農業機電與控制#121341
113年 · #121341
112年 - 112 高等考試_三級_農業機械:農業機電與控制#115668
112年 · #115668
110年 - 110 高等考試_三級_農業機械:農業機電與控制#102804
110年 · #102804
109年 - 109 高等考試_三級_農業機械:農業機電與控制#88746
109年 · #88746
108年 - 108 高等考試_三級_農業機械:農業機電與控制#77750
108年 · #77750
107年 - 107 高等考試_三級_農業機械:農業機電與控制#70717
107年 · #70717
104年 - 104 高等考試_三級_農業機械:農業機電與控制#42649
104年 · #42649
103年 - 103 高等考試_三級_農業機械:農業機電與控制#43144
103年 · #43144
100年 - 100 高等考試_三級_農業機械:農業機電與控制#45671
100年 · #45671