題組內容
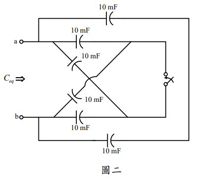
三、如圖二所示電路,a、b 兩端的等效電容為
。
(二)求開關開啟(open)時的
值。
詳解 (共 1 筆)
詳解
內圍電容電路處理
10mF 串聯 10mF = (10mF*10mF) / (10mF+10mF) = 5mF
10mF 串聯 10mF = (10mF*10mF) / (10mF+10mF) = 5mF
5mF // 5mF = 10mF
外圍電容電路處理
10mF 串聯 10mF = (10mF*10mF) / (10mF+10mF) = 5mF
10mF 串聯 10mF = (10mF*10mF) / (10mF+10mF) = 5mF
5mF // 5mF = 10mF
外圍電容電路處理
10mF 串聯 10mF = (10mF*10mF) / (10mF+10mF) = 5mF
內圍與外圍為並聯電路
10mF // 5mF = 15mF = Ceq#
10mF // 5mF = 15mF = Ceq#