阿摩線上測驗 登入

申論題資訊

試卷:111年 - 111 高等考試_二級_電力工程:電力電子#111034
科目:電力電子學
年份:111年
排序:0

題組內容

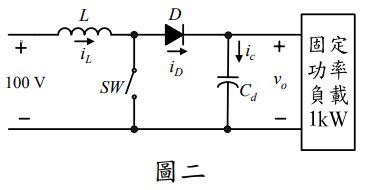
二、某電力電子電路如圖二所示。電路中皆為理想元件,電感值 2.5 mH,電 容值 1000 μF,為固定功率負載(Constant Power Load) ,開關(SW)切 換頻率為 10 kHz,開關導通時間為 50 μs。
633b9933659ed.jpg

申論題內容

(五)降低負載功率,直至穩態電感電流操作於邊界模式(Boundary 。請計算此時負載功率值(W)。