阿摩線上測驗
登入
首頁
>
教甄◆電子科/資訊科/電機科/冷凍空調科/控制科/電機空調科
>
114年 - 114 高雄市市立高級中等學校聯合教師甄選試題:電機科#127337
> 申論題
題組內容
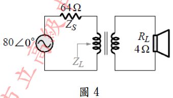
3.如圖 4 所示,要使負載 R
L
獲得最大功率 P
L(max)
,試求:
(1)線圈匝數 N
2
:N
1
=________。
相關申論題
二、填充題:1.卡卡西使用一個容量為 20Ah 的鋰離子電池,若電量狀態(State-ofCharge,SOC)為 80%時以 0.5C 放電,多少小時會將電池放空?________
#542285
2.如圖 3 之電路,其 Io為何(設二極體的順向電壓為 0.5V)?________
#542286
(2)最大功率 PL(max) =________。
#542288
4.關於理想運算放大器的負回授電路,輸入訊號透過 10kΩ 電阻連接至運算放大器負端點,正端點透過 10kΩ 電阻接地,回授路徑電阻為 50kΩ,試求電壓增益 Av=________。
#542289
(1)VCE約為________ 。
#542290
(2)電晶體直流消耗電功率約為________ 。
#542291
6.如圖 6 所示,若 OPA 為理想,試求 Vo=________。
#542292
7.櫻木花道使用理想二極體 D 做成如圖 7 之峰值檢波電路圖,輸入訊號之最大振幅為 100V,頻率為 60Hz,電路中之電阻為 10kΩ。若要在輸出端獲得2V 的 peak-to-peak ripple 結果,請問電容 C 的電容值約為多少?________
#542293
8.有一部 1/2 馬力、60Hz、110V 之電容啟動式電動機,電動機之主繞組阻抗為(4.8+j3.6)Ω,輔助繞組阻抗為(9.3+j2.3)Ω,若欲使主繞組電流與輔助繞組電流相差 90 ,其啟動電容之大小應為多少法拉?________
#542294
9.某一台直流發電機,1/4 載時定值損和變動損之和為 200W,半載時定值損和變動損之和為 260W,則滿載時定值損失和變動損失之和=________。
#542295
相關試卷
115年 - [無官方正解]115 臺北市立松山高級工農職業學校_正式教師甄選試題:電子科、資訊科#139072
115年 · #139072
114年 - 114 高雄市市立高級中等學校聯合教師甄選試題:資料處理科#127345
114年 · #127345
114年 - 114 高雄市市立高級中等學校聯合教師甄選試題:電子科#127344
114年 · #127344
114年 - 114 高雄市市立高級中等學校聯合教師甄選試題:電機科#127337
114年 · #127337
114年 - 114 高雄市市立高級中等學校_聯合教師甄選:資訊科#127273
114年 · #127273
114年 - 114 教育部受託辦理_公立高級中等學校教師甄選試題:資訊科#126955
114年 · #126955
114年 - 114 臺北市松山工農_正式教師甄選﹕電子科與資訊科#126907
114年 · #126907
114年 - 114 新北市高級中等學校_教師聯合甄選試題:資訊、電子科#126872
114年 · #126872
114年 - 114 新北市高級中等學校_教師聯合甄選試題:控制科、電機科#126871
114年 · #126871
114年 - 114-1 臺北市立大安高級工業職業學校_教師甄選筆試試題_電子科:數位邏輯設計#126488
114年 · #126488