阿摩線上測驗 登入

申論題資訊

試卷:110年 - 110 中央印製廠_新進人員甄試_電機工程員:電子學#105282
科目:電子學
年份:110年
排序:0

題組內容

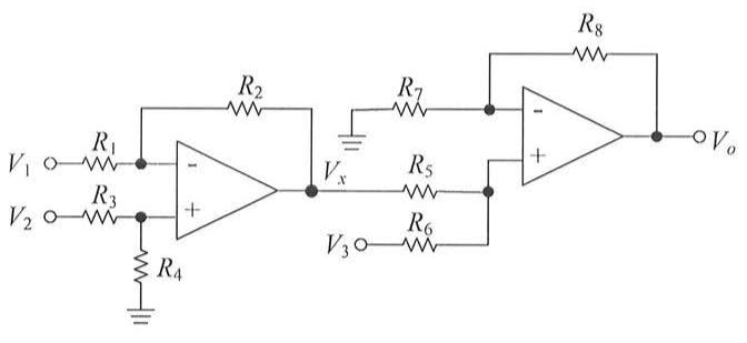
題目四:【10分】 

假設此電路之參數如下:V1=2V、V2=-1V、V3=3V、R1=1kΩ,R2=2kΩ、R3=3kΩ, R4= 6 kΩ ,R5=1 kΩ,R6=2 kΩ,R7=2kΩ,R8=4kΩ。

 如圖4所示為使用理想運算放大器(OPA)所組成之電路求
61c97858ba2dd.jpg

申論題內容

(2)Vo【5分】