阿摩線上測驗
登入
首頁
>
電子學
>
110年 - 110 中央印製廠_新進人員甄試_電機工程員:電子學#105282
>
題組內容
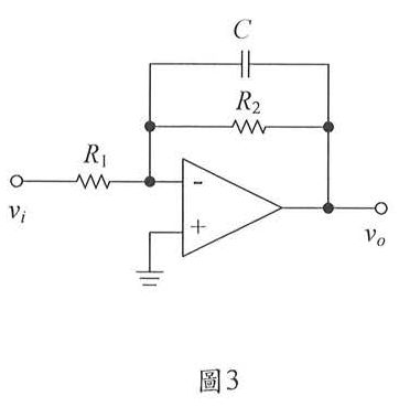
題目三:【10分】
如圖3所示的電路為採用一理想運算放大器(OPA)所形成之積分電路,假設R
1
=1kΩ,R
2
=5kΩ,C=0.02μF求
(3)以及當
= 0.01sin(10
4
t)V之輸出電壓vo(t)【4分】
其他申論題
(2)電流增益【5分】
#446561
(3)功率增益【5分】
#446562
(1)此積分電路之直流增益【3分】
#446563
(2)止頻率【3分】
#446564
(1)Vx【5分】
#446566
(2)Vo【5分】
#446567
(1) 電流I?【2分】
#446568
(2)電壓V?【3分】
#446569
(b)假設圖5(b)二極其顺向壓降為07V。當=5V且輸入訊號vi=10sin(2πt)V時, 求輸出電壓vo之最小值【2分與最大值【3分】。
#446570
(1)此放大器之輸入阻抗Ri【3分】
#446571