阿摩線上測驗
登入
首頁
>
電路學
>
102年 - 102 高等考試_二級_電子工程:高等電子電路學(包括類比與數位)#25525
> 申論題
題組內容
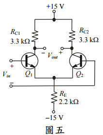
五、考慮圖五的差動放大器。電路中 VT = 25 mV,V
BE(active)
= 0.7 V。此差動放大器的直流 基極電壓為 0 V。
⑴假設 Q
1
及 Q
2
之α值為α
1
=α
2
= 0.98,求電壓增益 V
out
/V
in
。(10 分)
相關申論題
⑴請繪出輸入電壓波形、輸出電壓(Vout)波形,並求輸出峰值電壓。此電路功能為 何?(12 分)
#37066
⑵求輸出信號的直流電壓,請詳細列出推導過程。(5 分)
#37067
⑶圖中所使用的二極體,其最小可承受之峰值反向電壓(peak inverse voltage)為何? (3 分)
#37068
⑴請列出輸出 Y 與輸入 A 及 B 的關係。請問這是什麼邏輯閘?(5 分)
#37069
⑵一個邏輯閘的下降傳遞延遲(propagation delay)tPHL 定義為從初值下降至初值 50%所需時間,計算此邏輯閘的 tPHL。(請注意,tPHL值會受到輸入組合的影響) (10 分)
#37070
⑶ tPLH 定義為從初值上升至終值 50%所需時間,請問此邏輯閘之 tPLH 為何?(請注 意,Q3 與 Q4 為串聯,同時導通時可視為單一 PMOS,而其通道長度為 Q3 與 Q4 通道長度之和)。(5 分)
#37071
⑴圖三(a)為 Schmitt 觸發器,求臨界電壓,並畫出轉換曲線。(10 分)
#37072
⑵圖三(b)為三角波振盪器(triangular-wave generator),其中左邊運算放大器電路 為比較器。試繪出 Vout波形,並求出此振盪器之振盪頻率。(10 分)
#37073
⑴推導此電路之轉移函數(Vout/Vin),此電路為何種濾波器?(8 分)
#37074
⑵求直流增益及 3 dB 頻率。(4 分)
#37075
相關試卷
115年 - 115 身心障礙特種考試_三等_電子工程:電路學#138936
115年 · #138936
114年 - 114 地方政府公務特種考試_三等_電力工程、電子工程、電信工程:電路學#134770
114年 · #134770
114年 - 114 專技高考_電機工程技師:電路學#133707
114年 · #133707
114年 - 114 專技高考_電子工程技師:電路學#133700
114年 · #133700
114年 - 114 公務升官等考試_薦任_電力工程、電子工程、電信工程:電路學#133241
114年 · #133241
114年 - 114 高等考試_三級_電力工程、電子工程、電信工程:電路學#128784
114年 · #128784
113年 - 113-2 國營臺灣鐵路股份有限公司_從業人員甄試_第8階-助理工程師-電機:電路學#137142
113年 · #137142
113年 - 113 地方政府公務特種考試_三等_電力工程、電子工程:電路學#124508
113年 · #124508
113年 - 113 專技高考_電機工程技師:電路學#123962
113年 · #123962
113年 - 113 專技高考_電子工程技師:電路學#123933
113年 · #123933