阿摩線上測驗
登入
首頁
>
電路學
>
103年 - 103 專技高考_電子工程技師:電路學#24844
> 申論題
申論題
試卷:103年 - 103 專技高考_電子工程技師:電路學#24844
科目:電路學
年份:103年
排序:0
申論題資訊
試卷:
103年 - 103 專技高考_電子工程技師:電路學#24844
科目:
電路學
年份:
103年
排序:
0
題組內容
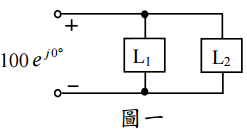
一、圖一的第一個負載(L1)吸收視在功率(apparent power)4 kVA 且為 0.6 的領先功率因數(leading power factor)。第二個負載(L
2
)的阻抗為(4 + j3)Ω。負載上的電壓相量(phasor)為 0° 100 e
j0。
V(rms)。
申論題內容
⑴請問供應這兩個負載所需的複功率(complex power)是多少?(10 分)
詳解 (共 1 筆)
詳解
提供者:佛系考生
10.4+j2.8 kVA