阿摩線上測驗
登入
首頁
>
升資考/員級晉高員◆電工原理
>
109年 - 109 交通事業鐵路升資考試_員級晉高員級_技術類(選試電工原理):電工原理#92587
> 申論題
題組內容
四、
⑴請圖示說明何謂 OP 放大器的正回授及 OP 放大器的負回授。(10 分)
相關申論題
一、請繪製電路圖,說明克希荷夫電壓定律(Kirchhoff’s voltage law, KVL) 及克希荷夫電流定律(Kirchhoff’s current law, KCL)。(10 分)
#379668
二、如圖一所示的電路,為一無限多級的階梯形電路,試求此電路之等效電 組 RT 是多少?(10 分)
#379669
⑴ a 點及 b 點的電壓值。(10 分)
#379670
⑵ I1及 I2電流值。(10 分)
#379671
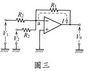
⑵如圖三利用 OP 特性,請推導 V0與 V1及 V2之關係式。(10 分)
#379673
⑴推導 t = 10 毫秒(ms)前,電容器電壓 vc(t)之時變方程式。(10 分)
#379674
⑵畫出 t ≧ 0 時,電容電壓 vc(t)變化之波形圖。(10 分)
#379675
六、串聯 RLC 交流電路如圖五所示,若 R=4 Ω,L=3 H,C=0.25 F 且 vs=12sin(2t) V。試計算電流 i 值並計算由電源看入之功率因數 PF 是多少?
#379676
五、圖四為一理想變壓器電路,試求輸出電壓 Vo與電源之功率因數。(20 分)
#501248
四、三相電力傳輸系統,傳輸線每相阻抗為(1 + j3)Ω,供電給(18 + j4)kVA 之三相負載。若負載之線電壓為 120 Vrms,試求電源電壓與電源之功率因數。(20 分)
#501247
相關試卷
112年 - 112 交通事業鐵路升資考試_員級晉高員級_技術類(選試電工原理)—鐵路:電工原理#117297
112年 · #117297
109年 - 109 交通事業鐵路升資考試_員級晉高員級_技術類(選試電工原理):電工原理#92587
109年 · #92587
106年 - 106 交通事業鐵路升資考試_員級晉高員級_技術類(選試電工原理):電工原理#66290
106年 · #66290
103年 - 103 交通事業鐵路升資考試_員級晉高員級_技術類(選試電工原理):電工原理#38385
103年 · #38385
100年 - 100 交通事業鐵路升資考試_員級晉高員級_技術類(選試電工原理):電工原理#38345
100年 · #38345
97年 - 97 交通事業鐵路升資考試_員級晉高員級_技術類:電工原理#38363
97年 · #38363