阿摩線上測驗
登入
首頁
>
電子儀表概要
>
95年 - 95 普通考試_電子工程:電子儀表概要#38435
> 申論題
題組內容
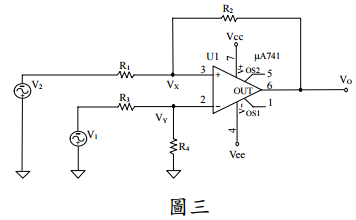
三、
⑵一放大器電路(如圖三)其 V
O
=A×V
1
+B×V
2
,試計算出 A=?,B=?(10 分)
相關申論題
⑴試說明電阻器電阻值以色碼法表示之原則,並說明當一電阻器(如圖一)以色碼 表示法表示,當其色碼由左至右依序為紅色、綠色、黃色、及銀色時之電阻讀值。 (5 分)
#113544
⑵試說明如何利用三用電表辨別一電晶體為 NPN 或 PNP 電晶體,並辨識出其基 極(B 極)、射極(E 極)及集極(C 極)。(10 分)
#113545
⑶一函數波產生器產生一弦波其 Vp-p=10V,頻率為 2kHz,請問其週期為何?如再加入 一直流電壓 Vdc=2V,試繪出其在示波器觀察到一個週期以上的波形圖。(5 分)
#113546
⑴試說明一理想放大器之特徵。(10 分)
#113548
⑴試列出同步示波器之基本結構,並繪出其方塊圖。(10 分)
#113550
⑵試說明圖四電路之功能,當輸入訊號 V1 為一方形波時(如圖五),試討論時間 常數(R1× C1)固定時而輸入訊號頻率改變時與輸出波形之關係。(10 分)
#113551
⑴試說明電橋式儀表之測試功能。(10 分)
#113552
⑵試繪出函數波信號產生器之基本結構圖。(10 分)
#113553
四、使用雙軌跡示波器,量測音頻放大電路 2 個不同位置正弦波的相位差,請 詳述示波器操作策略程序與相關設定,以獲得較佳的解析。(25 分)
#569640
三、有 2 只二極體,分別為整流二極體與穩壓二極體,不能確定其好壞與穩壓 電壓值,請詳述如何使用直流電源供應器,進行量測判斷二極體的種類好 壞與穩壓電壓值。(25 分)
#569639
相關試卷
115年 - 115 身心障礙特種考試_四等_電子工程:電子儀表概要#138868
115年 · #138868
114年 - 114 地方政府公務特種考試_四等_電子工程:電子儀表概要#134796
114年 · #134796
114年 - 114 原住民族特種考試_四等_電子工程:電子儀表概要#130977
114年 · #130977
114年 - 114 普通考試_電子工程:電子儀表概要#128765
114年 · #128765
113年 - 113 地方政府公務特種考試_四等_電子工程:電子儀表概要#124486
113年 · #124486
113年 - 113 原住民族特種考試_四等_電子工程:電子儀表概要#122662
113年 · #122662
113年 - 113 普通考試_電子工程:電子儀表概要#121147
113年 · #121147
113年 - 113 身心障礙特種考試_四等_電子工程:電子儀表概要#119427
113年 · #119427
112年 - 112 地方政府特種考試_四等_電子工程:電子儀表概要#118101
112年 · #118101
112年 - 112 普通考試_電子工程:電子儀表概要#115739
112年 · #115739