阿摩線上測驗
登入
首頁
>
機械設計
>
95年 - 95 身心障礙特種考試_三等_機械工程:機械設計#39159
> 申論題
題組內容
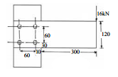
二、如下圖所示,有塊高 120mm 厚 15mm 的板子被四顆 M16×2 之螺絲鎖在一平板柱子 上,以承受一個 16kN 之外力,其作用點及螺絲之位置如下圖所示(長度單位為 mm)。求:
⑵受力最大的螺絲之剪應力。(10 分)
相關申論題
一、在靜力作用下,破壞理論有那些?(10 分)何種理論常被用在使用脆性材料(Brittle material)的零件上,何種是用在延性材料(Ductile material)?(5 分)
#116687
⑴每一個螺絲之外力。(15 分)
#116688
三、試列舉五種滾珠軸承,並繪簡圖說明。(10 分)
#116690
五、皮帶式(belt)傳動有那些皮帶種類?(5 分)設計此種傳動系統有那些重要考慮? (10 分)
#116692
六、試說明正齒輪之齒型使用漸開線之原因,並說明其畫法。(10 分)
#116693
2.請求出此圓盤離合器之傳動扭矩?【7 分】
#563215
1.請求出此圓盤離合器之軸向壓合推力?【6 分】
#563214
2.請求出此圓盤離合器之傳動扭矩?【6 分】
#563213
(一)若均勻壓力理論成立時,當兩接觸圓盤之接觸壓力為 900kPa。1.請求出此圓盤離合器之軸向壓合推力?【6 分】
#563212
(三)若槽外表面的正向應變不超過 0.0003,求槽內的最大容許壓力?【9 分】 (註:P=2t.E.Ɛ / r.(1-v))
#563211
相關試卷
114年 - 114 地方政府公務特種考試_三等_機械工程:機械設計#134728
114年 · #134728
114年 - 114 地方政府公務特種考試_四等_機械工程:機械設計概要#134719
114年 · #134719
114年 - 114 公務、關務升官等考試_薦任_機械工程、技術類(選試機械設計)-關務:機械設計#133265
114年 · #133265
114年 - 114 交通事業港務升資考試_員級晉高員級_技術類(選試機械設計)-港務:機械設計#133244
114年 · #133244
114年 - 114 高等考試_二級_機械工程:機械設計學#131583
114年 · #131583
114年 - 114 原住民族特種考試_四等_機械工程:機械設計概要#130917
114年 · #130917
114年 - 114 高等考試_三級_機械工程:機械設計#128741
114年 · #128741
114年 - 114 普通考試_機械工程:機械設計概要#128447
114年 · #128447
114年 - 114 身心障礙特種考試_三等_機械工程:機械設計#126646
114年 · #126646
114年 - 114 身心障礙特種考試_四等_機械工程:機械設計概要#126589
114年 · #126589