阿摩線上測驗
登入
首頁
>
土壤力學與基礎工程(設計)
>
95年 - 95 地方政府特種考試_三等_土木工程、水利工程:土壤力學與基礎工程#38923
> 申論題
題組內容
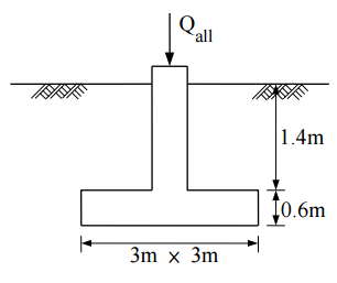
四、如下圖所示,有一方型基腳 3m×3m,埋置於均勻砂質礫石層內 2.0 m 深處,已知在 地下水位面以上之γ=19 kN/m
3
,地下水位面以下之γ
sat
=22 kN/m
3
,且此砂質礫石層 之φ=32°,安全係數 F
s
= 3.0,求下列情況下之土層容許載重(Q
all
)。(25 分) 已知:N
c
=36, N
q
=23, N
γ
=20
⑵地下水位距地表 3 m。
相關申論題
⑴ liquefaction
#115609
⑵ piping
#115610
⑶ settlement
#115611
⑷ heaving
#115612
⑸ active failure
#115613
⑴何謂反循環基樁(Reverse Circulation Pile)?說明其施工之步驟。(10 分)
#115615
⑵何謂基樁之負摩擦力(Negative Skin Friction)? 在可能發生基樁負摩擦力之地層 有何處理對策?(15 分)
#115616
⑴地下水位距地表 8 m。
#115617
⑶地下水位距地表 1.2 m。
#115619
四、一均布荷重 200 kPa 透過 T 形鐵板作用在地面,如下圖所示。請估算在 A 點下方 40 m 處所受之應力增量。
#557821
相關試卷
114年 - 114 專技高考_結構工程技師:土壤力學與基礎設計#133715
114年 · #133715
114年 - 114 公務升官等考試_薦任_土木工程:土壤力學(包括基礎工程)#133166
114年 · #133166
114年 - 114 高等考試_二級_土木工程:土壤力學(包括基礎工程)#131599
114年 · #131599
113年 - 113 專技高考_結構工程技師:土壤力學與基礎設計#123953
113年 · #123953
113年 - 113 高等考試_二級_土木工程:土壤力學(包括基礎工程)#123055
113年 · #123055
112年 - 112 地方政府特種考試_三等_土木工程、水利工程:土壤力學與基礎工程#118194
112年 · #118194
112年 - 112 專技高考_結構工程技師:土壤力學與基礎設計#117656
112年 · #117656
112年 - 112 公務升官等考試_薦任_土木工程:土壤力學(包括基礎工程)#117180
112年 · #117180
112年 - 112 高等考試_二級_土木工程:土壤力學(包括基礎工程)#116744
112年 · #116744
112年 - 112 身心障礙特種考試_三等_水利工程:土壤力學(包括基礎工程)#113811
112年 · #113811