阿摩線上測驗
登入
首頁
>
電路學
>
104年 - 104 地方政府特種考試_三等_電力工程、電子工程、電信工程:電路學#35576
> 申論題
題組內容
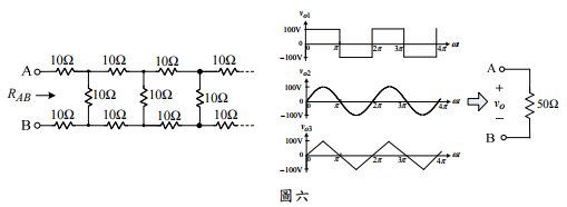
六、
⑵如圖六電路,求三種電壓供電之負載平均功率。(8 分)
相關申論題
⑴如圖二之電路,求 A, B 兩點回看之戴維寧等效電阻及電壓。(8 分)
#95722
⑵設運算放大器為理想,求輸出電壓 vo 。(7 分)
#95723
⑴電感值 L;(5 分)
#95724
⑵開 關閉合後之電流表示式;(5 分)
#95725
⑶電流之穩態值;(5 分)⑷如將直流電源改成 60 Hz 之交流,欲得相同於上之穩態電流有效值,求外加交流電壓之有效值。(5 分)
#95726
⑴如圖四之交流電路,求 A, B 兩點回看之戴維寧等效阻抗及電壓相量。(12 分)
#95727
⑵求負載阻抗ZL 以得最大負載功率,以及最大負載功率值。(6 分)
#95728
⑴如圖五之交流電路,自耦變壓器為理想,求 A, B 兩點回看之戴維寧等效阻抗及電 壓相量。(10 分)
#95729
⑵求負載電阻RL 以得最大負載功率,以及最大負載功率值。(7 分)
#95730
⑴求圖六所給電阻網路之RAB 。(7 分)
#95731
相關試卷
115年 - 115 身心障礙特種考試_三等_電子工程:電路學#138936
115年 · #138936
114年 - 114 地方政府公務特種考試_三等_電力工程、電子工程、電信工程:電路學#134770
114年 · #134770
114年 - 114 專技高考_電機工程技師:電路學#133707
114年 · #133707
114年 - 114 專技高考_電子工程技師:電路學#133700
114年 · #133700
114年 - 114 公務升官等考試_薦任_電力工程、電子工程、電信工程:電路學#133241
114年 · #133241
114年 - 114 高等考試_三級_電力工程、電子工程、電信工程:電路學#128784
114年 · #128784
113年 - 113-2 國營臺灣鐵路股份有限公司_從業人員甄試_第8階-助理工程師-電機:電路學#137142
113年 · #137142
113年 - 113 地方政府公務特種考試_三等_電力工程、電子工程:電路學#124508
113年 · #124508
113年 - 113 專技高考_電機工程技師:電路學#123962
113年 · #123962
113年 - 113 專技高考_電子工程技師:電路學#123933
113年 · #123933