阿摩線上測驗
登入
首頁
>
土壤力學與基礎工程(設計)
>
99年 - 99 原住民族特種考試_三等_土木工程:土壤力學(包括基礎工程)#36342
> 申論題
題組內容
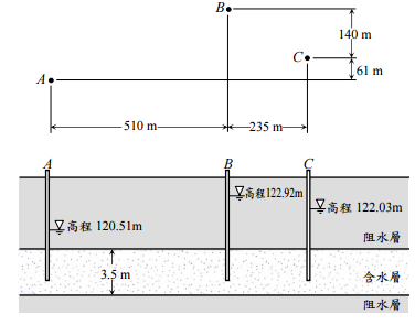
二、如圖所示為三個立管水壓計之配置與水壓面位置,並用以量測兩阻水層間之含水層水壓 分布。經現地透水試驗顯示含水層之滲透係數為 0.2 cm/sec。試回答下列問題:(25 分)
⑷計算最大水力坡降?
相關申論題
一、某工址地層為黏土層上覆砂土層,且地下水位接近地表,試分別說明利用降低地下 水位使砂土層緊密及黏土層壓密之改良機制。(25 分)
#100601
⑴判定此含水層為受限含水層(Confined Aquifer)或自由含水層(Unconfined Aquifer)?
#100602
⑵判別此含水層之土壤類型?
#100603
⑶決定地下水流向?
#100604
⑸計算地下水流速(cm/sec)?
#100606
三、若欲於某平緩基地建築大型油槽,試說明該基地在基礎部分之工址調查重點應包括 那些項目與內容?(15 分)若將相同之工程案構築於山坡地,則工址調查的項目與 內容有何差異?(10 分)
#100607
四、一均布荷重 200 kPa 透過 T 形鐵板作用在地面,如下圖所示。請估算在 A 點下方 40 m 處所受之應力增量。
#557821
三、請評估圖中所示之重力式擋土牆抗滑動之安全係數。 附註:地表呈水平,牆背面垂直,可不考慮牆面摩擦,主動土壓力係數可用:
#557820
二、針對一黏土進行三軸等向壓密不排水試驗,試驗結果如下: 另有試體三(同一黏土)做三軸等向壓密排水試驗,壓密時的圍壓為等向200kN/m2,請計算破壞時的△σ。
#557819
(二)若該土層之主要壓密沉陷量為 20 cm,則需多少時間,該土層可達 9 cm 之沉陷量?
#557818
相關試卷
114年 - 114 專技高考_結構工程技師:土壤力學與基礎設計#133715
114年 · #133715
114年 - 114 公務升官等考試_薦任_土木工程:土壤力學(包括基礎工程)#133166
114年 · #133166
114年 - 114 高等考試_二級_土木工程:土壤力學(包括基礎工程)#131599
114年 · #131599
113年 - 113 專技高考_結構工程技師:土壤力學與基礎設計#123953
113年 · #123953
113年 - 113 高等考試_二級_土木工程:土壤力學(包括基礎工程)#123055
113年 · #123055
112年 - 112 地方政府特種考試_三等_土木工程、水利工程:土壤力學與基礎工程#118194
112年 · #118194
112年 - 112 專技高考_結構工程技師:土壤力學與基礎設計#117656
112年 · #117656
112年 - 112 公務升官等考試_薦任_土木工程:土壤力學(包括基礎工程)#117180
112年 · #117180
112年 - 112 高等考試_二級_土木工程:土壤力學(包括基礎工程)#116744
112年 · #116744
112年 - 112 身心障礙特種考試_三等_水利工程:土壤力學(包括基礎工程)#113811
112年 · #113811