阿摩線上測驗
登入
首頁
>
電力電子學
>
98年 - 98 高等考試_二級_電力工程:電力電子#47734
> 申論題
題組內容
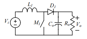
五、昇壓型轉換器之電路拓樸結構如下圖所示,其主動開關M
1
的導通責任週期為“D”, 而且其L
1
C
o
的諧振頻率遠低於M
1
之切換頻率。試回答下列問題:
⑴推導電壓比V
o
/ V
i
。(5 分)
相關申論題
一、切換式電力轉換器是利用開關元件的“開”或“關”來控制電力的流通,當採用硬切換 操作時,會造成開關的切換損失。試以 Buck 轉換器為例,畫出其開關元件之電壓 和電流波形來說明開關之 turn-on 和 turn-off 損失。(10 分)
#164630
⑴說明 NTC 電阻之特性,並舉出一應用實例。(5 分)
#164631
⑵何謂鄰近效應(Proximity Effect)?(5 分)
#164632
⑶證明下圖理想變壓器之一、二次側的電感可以互換,而且圖(a)和圖(b)之電路互為 等效電路。(10 分)
#164633
⑴設計一RCD(Resistor, Capacitor, Diode: RCD)Snubber來吸收漏感Lk1對開關元件 M1所造成之電壓突波。(5 分)
#164634
⑵說明⑴所設計之 RCD Snubber 如何吸收電壓突波。(10 分)
#164635
四、何謂同步整流(Synchronous Rectification)?(5 分)其功用為何?(5 分)
#164636
⑵當轉換器剛啟動時,輸出電壓為零,應注意那些事項,以避免開關元件燒毀。 (5 分)
#164638
六、半橋諧振電路如下圖所示,試說明如何設計諧振網路Lr - Cr - Ro之頻率,使開關元件 M1和M2之操作可以達到turn-on時具有“零電壓切換”(Zero Voltage Switching: ZVS),並 且說明達到ZVS之開關的操作機制。(10 分)
#164639
⑴畫出電力轉換器中常用來驅動開關元件的 B 類 BJT 電流放大電路。(5 分)
#164640
相關試卷
114年 - 114 台灣電力公司_大學及研究所獎學金甄選試題_電力電子:電力電子#137061
114年 · #137061
114年 - 114 高等考試_二級_電力工程:電力電子#131608
114年 · #131608
113年 - 113 台灣電力公司大學及研究所獎學金甄選試題_電力電子:電力電子#129259
113年 · #129259
113年 - 113 高等考試_二級_電力工程:電力電子#123066
113年 · #123066
112年 - 112 台灣電力公司大學及研究所獎學金甄選試題_電力電子:電力電子#129261
112年 · #129261
112年 - 112 高等考試_二級_電力工程:電力電子#116758
112年 · #116758
111年 - 111 高等考試_二級_電力工程:電力電子#111034
111年 · #111034
110年 - 110 高等考試_二級_電力工程:電力電子#101928
110年 · #101928
109年 - 109 高等考試_二級_電力工程:電力電子#91547
109年 · #91547
108年 - 108 高等考試_二級_電力工程:電力電子#79568
108年 · #79568